电脑桌面
添加小米粒文库到电脑桌面
安装后可以在桌面快捷访问

隧道工程技术交底VIP免费

隧道工程技术交底_第1页
1/5
隧道工程技术交底_第2页
2/5
隧道工程技术交底_第3页
3/5
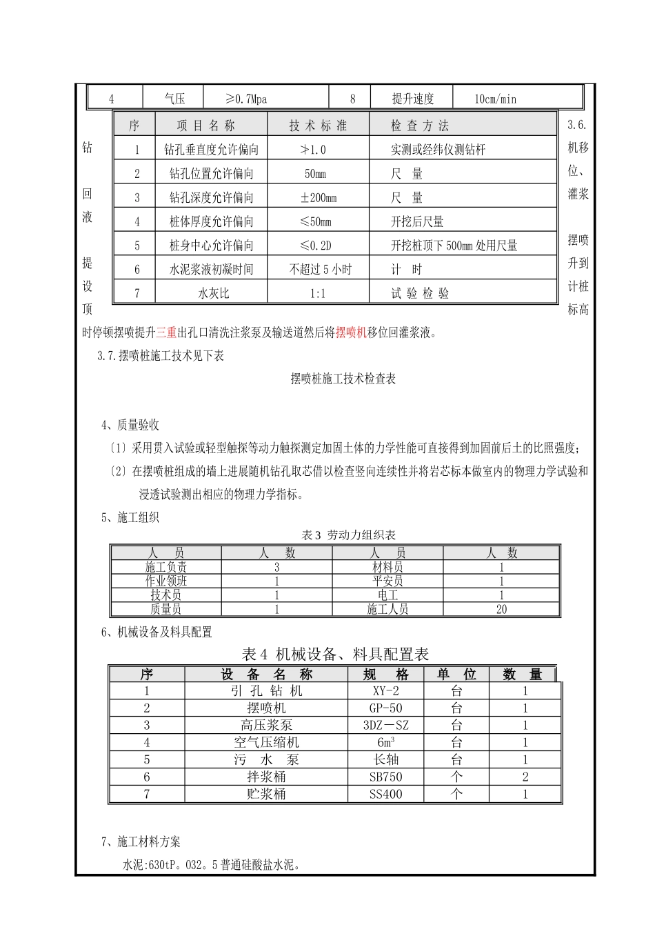
技术交底书XMJC3-工程名称厦门机场路一工程JC3合同段隧道工程交底工程桩间止水里程YK7+018-YK7+148左侧交底日2007.9.51、工程概况YK7+018-YK7+148左侧设计采用“支护桩+锚索〞的构造该侧基坑防渗止水采用灌注桩-灌浆复合构造防水灌浆采用摆喷的方式。2、施工工艺摆喷的施工工艺流程见下列图:图1摆喷施工工艺流程图3.施工要点3.1.施工准备(1)场地平整首先进展场地平整布置空压机、高压水泵、水泥浆搅拌台等的位置同时合理布置施工机械、输送路和电力线路位置确保施工场地“三通一平〞。(2)桩位放样施工前根据设计图纸定出摆喷桩桩位。(3)修建泥浆池、排污和灰浆拌制系统由于钻机引孔过程中需要泥浆进展护壁需要在施工以前修建一个小型泥浆池。灰浆拌制系统主要设置在水泥库附近便于作业主要有灰浆拌制设备、灰浆储存设备、灰浆输送设备组成。同时修建一个废浆池以便废浆液的排放。摆喷机就位、调平钻杆下至导孔底部开启高压水、压缩空气浆液拌制开启高压浆泵按照给定的技术参数旋转提喷至桩顶标高废浆处理关闭水、气、浆成桩完毕、挪动摆喷机到下一孔桩位放线钻机引孔3.2.钻机引孔桩位定出后引孔钻机就位、调平确保钻杆垂直。在钻进的过程中随时观察钻杆的垂直度确保引孔的垂直度不超过1。引孔深度应适当比设计深度深防止引孔深度缺乏影响摆喷桩质量。孔深要求有弱风化岩石时进入弱风化岩石1m〔进入弱风化岩及时现场技术员由其作好记录〕;没有弱风化岩石超过基坑深度8m.为了防止引孔过程生坍孔采用泥浆护壁。泥浆比重为1.1~1.2泥浆可用膨润土配制水:膨润土=1:0.07~0.1。3.3.下摆喷机就位后进展调平、对中调整其垂直度保证三重垂直度误差小于1提喷前应调试水泵、空压机、泥浆泵使设备运转正常;然后下至孔底;校验三重长度并用红油漆在钻塔旁标注深度线保证桩体顶底标高满足设计深度。下过程中注意记录好钻杆投放节数以保证摆喷深度的准确性。3.4.水泥浆的配制水泥浆配制采用32.5级普通硅酸盐水泥水灰比1:1浆液比重约1.5。水泥浆充分拌制并经过滤后存入贮浆桶。3.5.摆喷提升下到设计深度后接通泥浆泵然后由下向上摆喷同时将泥浆清理排出。喷射时应先到达预定的喷射压力、喷浆后再匀速提升三重以防扭断三重。为保证桩底端的质量喷嘴下沉到设计深度时在原位置旋转10秒钟左右待孔口冒浆正常后再提。摆喷施工技术参数见表1。表1摆喷施工技术参数序工程施工参数序工程施工参数1防水墙厚度、长度0.4m/0.8m5浆液流量≥120L/min2水压32~38Mpa6气流量4~6m3/min3浆液压力2~3Mpa7旋转速度10r/min4气压≥0.7Mpa8提升速度10cm/min3.6.钻机移位、回灌浆液摆喷提升到设计桩顶标高时停顿摆喷提升三重出孔口清洗注浆泵及输送道然后将摆喷机移位回灌浆液。3.7.摆喷桩施工技术见下表摆喷桩施工技术检查表4、质量验收〔1〕采用贯入试验或轻型触探等动力触探测定加固土体的力学性能可直接得到加固前后土的比照强度;〔2〕在摆喷桩组成的墙上进展随机钻孔取芯借以检查竖向连续性并将岩芯标本做室内的物理力学试验和浸透试验测出相应的物理力学指标。5、施工组织表3劳动力组织表人员人数人员人数施工负责3材料员1作业领班1平安员1技术员1电工1质量员1施工人员206、机械设备及料具配置表4机械设备、料具配置表序设备名称规格单位数量1引孔钻机XY-2台12摆喷机GP-50台13高压浆泵3DZ-SZ台14空气压缩机6m3台15污水泵长轴台16拌浆桶SB750个27贮浆桶SS400个17、施工材料方案水泥:630tP。O32。5普通硅酸盐水泥。序项目名称技术标准检查方法1钻孔垂直度允许偏向≯1.0实测或经纬仪测钻杆2钻孔位置允许偏向50mm尺量3钻孔深度允许偏向±200mm尺量4桩体厚度允许偏向≤50mm开挖后尺量5桩身中心允许偏向≤0.2D开挖桩顶下500mm处用尺量6水泥浆液初凝时间不超过5小时计时7水灰比1:1试验检验8、工方案总工安排:9月7日-9月22日;共15天。9、平安技术保障措施(1)施工材料堆放有序不侵入施工运输道路界限。(2)施工机械的转动局部有平安罩;机械定维修,确保作业平安。(3)配电箱开关有操作和平安警示。(4)泥浆池、废浆池均要设置防护栏杆;调制水泥浆时应戴好防尘口罩。(5)电缆接头不许埋设和架空必须接入线盒并固定在开关箱...

1、当您付费下载文档后,您只拥有了使用权限,并不意味着购买了版权,文档只能用于自身使用,不得用于其他商业用途(如 [转卖]进行直接盈利或[编辑后售卖]进行间接盈利)。
2、本站所有内容均由合作方或网友上传,本站不对文档的完整性、权威性及其观点立场正确性做任何保证或承诺!文档内容仅供研究参考,付费前请自行鉴别。
3、如文档内容存在违规,或者侵犯商业秘密、侵犯著作权等,请点击“违规举报”。

碎片内容

隧道工程技术交底

确认删除?
VIP
微信客服
  • 扫码咨询
会员Q群
  • 会员专属群点击这里加入QQ群
客服邮箱
回到顶部