电脑桌面
添加小米粒文库到电脑桌面
安装后可以在桌面快捷访问

模板工程监理实施细则VIP免费

模板工程监理实施细则_第1页
1/4
模板工程监理实施细则_第2页
2/4
模板工程监理实施细则_第3页
3/4
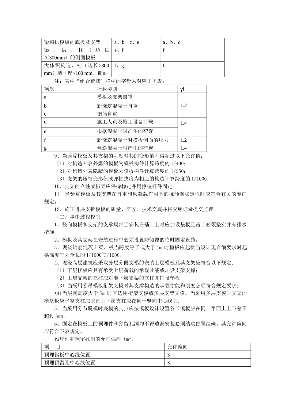
模板工程监理施行细那么一、专业工程特点〔略〕工程名称:工程地点:工程规模:框架构造??m2总投资:??万元〔大写〕构造类型为框架—剪力墙构造;钢筋混凝土工程均采用木模。二、编写根据?混凝土构造工程施工及验收?GB50204-2002三、监理工作流程〔略〕四、监理工作控制要点及目的值〔一〕事前控制1、模板的材料宜选用胶合板模板支架的材料宜选用钢材等材料的材质应符合有关的专门规定。当采用木材时不宜低于III等材。2、模板的支架必须符合以下规定:〔1〕保证工程构造的构件各局部形状尺寸和互相位置的正确。〔2〕具有足够的承载才能、刚度和稳定性能可靠地承受新浇筑混凝土的自重和侧压力以及在施工过程中所产生的荷载。〔3〕构造简单、装拆方便便于钢筋的绑扎、安装和混凝土的浇筑、养护等要求。〔4〕模板之间的拼接要做到外表平整接缝严确保浇筑混凝土时不漏浆和构造外表平滑。3、大模板的设计、制作和施工尚应符合现行的相应规定。4、模板与混凝土的接触面应涂隔离剂。对油质等影响构造或阻碍装饰工程施工的隔离剂不宜采用。严禁隔离剂沾污钢筋与混凝土接槎处。5、模板支架要定维修防止锈蚀。6、钢模板及其支架的设计应符合现行?钢构造设计?的规定。其截面塑性开展系数取1.0;其荷载设计值可乘以系数0.9予以折减。7、木模板及其支架的设计应符合?木构造设计?的规定当木材含水率小于25时其荷载设计值可乘以系数0.9予以折减。8、模板及其支架的设计应考虑以下各项荷载。(a)模板及其支架自重;(b)新浇筑混凝土自重;(c)钢筋自重;(d)施工人员及施工设备荷载;(e)振捣混凝土时产生的荷载;(f)新浇筑混凝土对模板侧面的压力;(g)倾倒混凝土时产生的荷载。参与模板及其支架荷载效应组合的各项荷载模板类别参与组合的荷载项计算承载才能验算刚度平板和薄壳的模板及支架a、b、c、da、b、c梁和拱模板的底板及支架a、b、c、ea、b、c梁、拱、柱〔边长≤300mm〕的侧面模板e、ff大体积构造、柱〔边长>300mm〕墙〔厚>100mm〕侧面f、gf注:表中“组合荷载〞栏中的字母为对应于下表:项次荷载类别γia模板及支架自重1.2b新浇筑混凝土自重c钢筋自重d施工人员及施工设备荷载1.4e根据混凝土时产生的荷载f新浇筑混凝土对模板侧面的压力1.2g倾斜混凝土时产生的荷载1.49、当验算模板及其支架的刚度时其的变形值不得超过以下允许值:〔1〕对构造外表外露的模板为模板构件计算跨度的1/400;〔2〕对构造外表隐蔽的模板为模板构件计算跨度的1/250;〔3〕支架的压缩变形值或弹性挠度为相应的构造计算跨度的1/1000;10、支架的立柱或桁架应保持稳定并用撑拉杆件固定。11、当验算模板及其支架在自重和风荷载作用下的抗倾倒稳定性时应符合有关的专门规定。12、施工进展支拆模板的质量、平安、技术交底并将交底记录提交监理。〔二〕事中过程控制1、竖向模板和支架的支承局部当安装在基土上时应加设垫板且基土必须坚实并有排水措施。2、模板及其支架在安装过程中必须设置防倾覆的临时固定设施。3、现浇钢筋混凝土梁、板当跨度等于或大于4m时模板应起拱当设计无详细要求时起拱高度宜为全长的1/1000~3/1000。4、现浇高层建筑应采取分层分段支模的安装上层模板及其支架应符合以下规定:〔1〕下层楼板应具有承受上层荷载的承载才能或加设支架支撑;〔2〕上层支架的立柱应对准下层支架的立柱并铺设垫板;〔3〕当采用悬吊模板桁架支模时其支撑构造的承载才能和刚度必须符合规定要求;(4)当层间高度大于5m时宜选用桁架支模或多层支架支模。当采用多层支模时支架的横垫板应平整支柱应垂直上下层支柱应在同一竖向中心线上。5、当采用分节脱模时底模的支点应按模板设计设置各节模板应在同一平面上上下差不超过3mm。6、固定在模板上的预埋件和预留孔洞均不得遗漏安装必须结实位置准确。其允许偏向应符合下表规定。预埋件和预留孔洞的允许偏向〔mm〕项目允许偏向预埋钢板中心线位置3预埋预留孔中心线位置3预埋螺栓中心线位置2外露长度+100预留洞中心线位置10截面尺寸+1007、现浇构造模板安装的允许偏向应符合下表规定现浇构造模板安装的允许偏向〔mm〕项目允许偏向轴线位置5底模上外表标高±5截面内部尺寸基础±10柱、...

1、当您付费下载文档后,您只拥有了使用权限,并不意味着购买了版权,文档只能用于自身使用,不得用于其他商业用途(如 [转卖]进行直接盈利或[编辑后售卖]进行间接盈利)。
2、本站所有内容均由合作方或网友上传,本站不对文档的完整性、权威性及其观点立场正确性做任何保证或承诺!文档内容仅供研究参考,付费前请自行鉴别。
3、如文档内容存在违规,或者侵犯商业秘密、侵犯著作权等,请点击“违规举报”。

碎片内容

模板工程监理实施细则

确认删除?
VIP
微信客服
  • 扫码咨询
会员Q群
  • 会员专属群点击这里加入QQ群
客服邮箱
回到顶部