电脑桌面
添加小米粒文库到电脑桌面
安装后可以在桌面快捷访问

桥梁工程挖孔桩施工技术交底VIP免费

桥梁工程挖孔桩施工技术交底_第1页
1/5
桥梁工程挖孔桩施工技术交底_第2页
2/5
桥梁工程挖孔桩施工技术交底_第3页
3/5
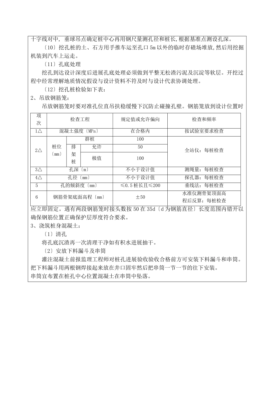
挖孔桩施工技术交底编:工程名称桥梁工程施工时间桩及部位K57+5825*20m桥、K62+46613*25m桥、K63+3974*20桥、K+5607*25m桥工程工程人工挖孔桩人工挖孔桩技术交底为加快工程进度控制施工质量我合同段人工挖孔桩施工工艺流程及各工序的检测现对我合同段人工挖孔桩下发如下技术交底桥梁队桩基施工必须严格按照以下技术要求组织施工:一、施工准备1、施工前要先进展放样工作根据已布置好的导线网和设计图纸用全站仪进展桩位的准确放样经过复核无误后做好保护桩以便随时监测桩位的准确性并填好桩位放样位置记录报监理工程师审批。2、根据桩基位置施工前进展场地平整去除杂物。孔口四周挖排水沟做好排水系统;及时排出地表水搭好孔口雨棚。3、安装起吊设备布置好出渣道路;合理堆放材料和机具使其不增加孔壁压力、不影响施工。4、孔内设软梯上下并设置与孔壁锚固的半圆形网作遮拦上落吊桶时工人只允许在网下操作。每次下井施工前均进展抽水、通风和有害气体检测工作。5、在桩孔边设立标志牌注明桩底设计标高、桩顶设计标高及设计桩径、桩长等。二、施工1、挖孔施工〔1〕施工工艺流程准备工作→挖土、石方→孔内排水送风→校正孔中心及几何尺寸→修整孔壁→安装护壁模板→校正中心及模板圆度→浇灌护壁混凝土→养护→拆模板、修理护壁砼→下节排水送风挖土......循环施工〔2〕土、石方开挖开挖前先用混凝土浇筑井口防护圈井口防护圈高出原地面适当高度防护圈厚度为30㎝以防地面水流入孔内和土、石等杂物落入孔内伤人。挖孔时如有水渗入应及时支护孔壁防止氺在孔壁中浸泡流淌造成坍塌。桩孔开挖采用分节挖土法人工手持洋镐或风镐从上到下逐层挖掘同一段内土、石方开挖次序为先中间后周边,松散土层用洋镐、铁锨开挖,孔内岩石用电动空气压缩机与手扶式风镐进展开挖,每节均应检查中心点及几何尺寸,合格后才能进展下道工作。为平安起见挖深超过10m时,要用鼓风机连续向孔内送风,使孔内空气质量到达工作以保证施工人员身体安康。风口要求距孔底2m左右,孔内照明采用防爆灯炮,灯炮离孔底2m。孔内操作人员采用孔内设置的爬梯上下。当孔内岩石用风镐等工具无法挖凿时采用浅眼松动法爆破施工其如下:用20型高压风钻竖向钻炮眼炮眼深度在硬岩层不超过0.4m孔内爆破采用电引严格控制用量且不要封堵炮眼口防止封堵后爆破威力过大而震坍桩孔护壁。爆破后要经常检查孔内有害气体浓度必要时用抽风机将粉尘及有害气体抽出前方可下人。当爆破过程中出现瞎炮时应及时进展二次引爆或交于火工品库理员。〔3〕土、石方运输:在孔口安装支架及0.5t电动卷扬机,土、石方装入吊桶后用电动卷扬机提升。〔4〕排水:开挖过程中,如有少量地下水要随挖随用吊桶将泥水一起吊出,如渗水量较大,那么在孔底一侧挖集水坑,用高扬程水泵排出。〔5〕护壁制作:桩孔每下挖1m就浇筑砼护壁一节待上一节护壁砼到达一定强度后再施挖下1m桩孔边挖边做护壁直至成孔。〔6〕护壁钢模采用4~8块钢模板组成插口连接支模要校正中心位置、直径及圆度。〔7〕护壁砼施工:护壁混凝土强度等级与桩身混凝土强度等级一样为C30,塌落度控制在4~6cm为宜,机械拌合好后堆于桩旁铺好的铁皮上。再用人工送至吊斗内通过电动提升机下放到井内再由人工翻入模内。为加速混凝土凝结可掺入速凝剂砼浇筑时应分层沿四周入模,对称浇筑用钢钎捣固实,施工前应将上节护壁底清理打毛,以便连接结实。〔8〕护壁模板撤除当护壁砼养护到达一定强度后便可撤除模板通常拆模时间为24小时尽量做到边拆模边立模循环作业不用堆放。〔9〕尺寸控制,每节护壁模板撤除后,应将桩控制轴线,高程引到每节砼壁上,可用十字线对中,垂球吊点确定桩中心再用钢尺量测孔径和桩长,根据基准点测设孔深。〔10〕挖孔桩的土、石方用手推车运至孔口5m以外的临时存碴场堆放,然后用挖掘机装到汽车上运走。〔11〕孔底处理挖孔到达设计深度后进展孔底处理必须做到平整无松渣污泥及沉淀等软层。开挖过程中经常理解地质情况假设与设计资料不符及时与设计代表协调处理。〔12〕挖孔桩检验如下表:2、吊放钢筋笼:吊放钢筋笼时要对准孔位直吊扶稳缓慢下沉防止碰撞孔壁。钢筋笼放到设计位置时应立即固定。遇有两段钢筋笼...

1、当您付费下载文档后,您只拥有了使用权限,并不意味着购买了版权,文档只能用于自身使用,不得用于其他商业用途(如 [转卖]进行直接盈利或[编辑后售卖]进行间接盈利)。
2、本站所有内容均由合作方或网友上传,本站不对文档的完整性、权威性及其观点立场正确性做任何保证或承诺!文档内容仅供研究参考,付费前请自行鉴别。
3、如文档内容存在违规,或者侵犯商业秘密、侵犯著作权等,请点击“违规举报”。

碎片内容

桥梁工程挖孔桩施工技术交底

精品中小学资料+ 关注
实名认证
内容提供者

精品文档

确认删除?
VIP
微信客服
  • 扫码咨询
会员Q群
  • 会员专属群点击这里加入QQ群
客服邮箱
回到顶部