电脑桌面
添加小米粒文库到电脑桌面
安装后可以在桌面快捷访问

质量手册全文VIP免费

质量手册全文_第1页
1/107
质量手册全文_第2页
2/107
质量手册全文_第3页
3/107
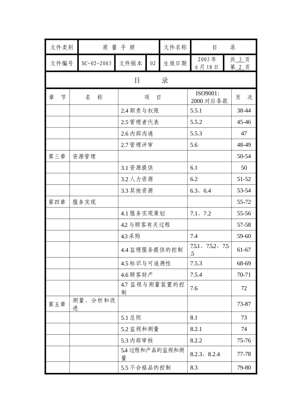
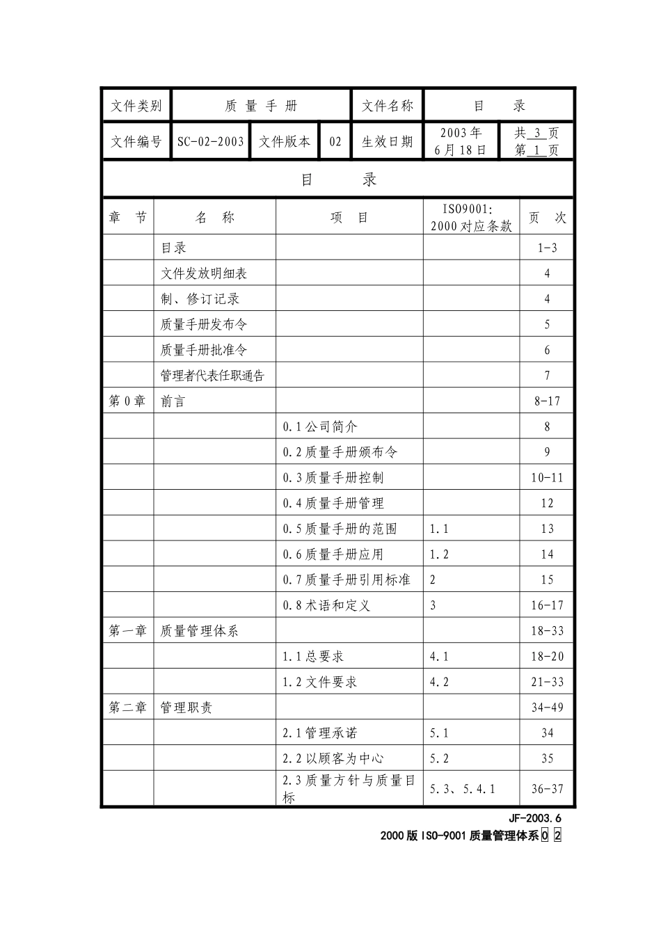
编号:SC-02-2003江苏建发建设项目咨询有限公司质量手册版本号:第二版编制:日期2003年6月6日审核:日期2003年6月12日批准:日期2003年6月16日发布日期2003年6月18日实施日期2003年6月18日2000版ISO-9001质量管理体系01文件类别质量手册文件名称目录文件编号SC-02-2003文件版本02生效日期2003年6月18日共3页第1页目录章节名称项目ISO9001:2000对应条款页次目录1-3文件发放明细表4制、修订记录4质量手册发布令5质量手册批准令6管理者代表任职通告7第0章前言8-170.1公司简介80.2质量手册颁布令90.3质量手册控制10-110.4质量手册管理120.5质量手册的范围1.1130.6质量手册应用1.2140.7质量手册引用标准2150.8术语和定义316-17第一章质量管理体系18-331.1总要求4.118-201.2文件要求4.221-33第二章管理职责34-492.1管理承诺5.1342.2以顾客为中心5.2352.3质量方针与质量目标5.3、5.4.136-37JF-2003.62000版ISO-9001质量管理体系02文件类别质量手册文件名称目录文件编号SC-02-2003文件版本02生效日期2003年6月18日共3页第2页目录章节名称项目ISO9001:2000对应条款页次2.4职责与权限5.5.138-442.5管理者代表5.5.245-462.6内部沟通5.5.3472.7管理评审5.648-49第三章资源管理50-543.1资源提供6.1503.2人力资源6.251-523.3其他资源6.3、6.453-54第四章服务实现55-724.1服务实现策划7.1、7.255-564.2与顾客有关过程57-584.3采购7.459-604.4监理服务提供的控制7.5.1、7.5.2、7.5.561-674.5标识与可追溯性7.5.368-694.6顾客财产7.5.470-714.7监视与测量装置的控制7.672第五章测量、分析和改进73-875.1总则8.1735.2监视和测量8.2.1745.3内部审核8.2.275-765.4过程和产品的监视和测量8.2.3、8.2.477-785.5不合格品的控制8.379-80JF-2003.62000版ISO-9001质量管理体系03文件类别质量手册文件名称目录文件编号SC-02-2003文件版本02生效日期2003年6月18日共3页第3页目录章节名称项目ISO9001:2000对应条款页次5.6数据分析8.481-875.7改进8.572-76JF-2003.62000版ISO-9001质量管理体系04文件类别质量手册文件名称首页文件编号SC-02-2003文件版本02生效日期2003年6月18日共4页第1页文件发放明细表副本□法人代表□总经理□副总经理□管理者代表□总工程师□人力资源部□质量管理部□市场发展部□办公室□总工办□工程监理部□工程□总监□外单位:副本编号:正本:办公室制、修订记录文件版本制修日期制修订页次制修订摘要1.00制:2000、51—44第一版(根据GB/T19002-1994)2.00修:2003、61—87第二版(根据GB/T19001-2000)JF-2003.62000版ISO-9001质量管理体系05文件类别质量手册文件名称首页文件编号SC-02-2003文件版本02生效日期2003年6月18日共4页第2页质量手册发布令监理企业的信誉和成就,取决于它的监理服务能否满足顾客及社会要求,并努力超越他们的期望。为了能证明公司可以提供满足顾客和有关适用法律、法规的服务能力,持续保持并提高公司监理人员队伍素质和监理工作水平,进而树立企业的品牌形象,公司据GB/T19001-2000idtISO9001:2000标准的要求建立质量管理体系,特编制《质量手册》。《质量手册》是公司质量管理体系的文字阐述,是质量工作的基本法规,是公司进行质量管理和质量活动的依据,也是公司对所有顾客的承诺。《质量手册》已通过审定,现批准发布,公司所有员工应认真学习并严格贯彻执行。江苏建发建设项目咨询有限公司总经理:日期:2003年6月16日JF-2003.62000版ISO-9001质量管理体系06文件类别质量手册文件名称首页文件编号SC-02-2003文件版本02生效日期2003年6月18日共4页第3页质量方针批准令公司的质量方针是:预控、规范、科学、优质。公司的质量目标是:全面履行监理合同,实现合同的承诺,使顾客较满意率达到90%以上江苏建发建设项目咨询有限公司总经理:日期:2003年6月16日JF-2003.62000版ISO-9001质量管理体系07文件类别质量手册文件名称首页文件编号SC-02-2003文件版本02生效日期2003年6月18日共4页第4页管理者代表任职通告为保证本公司质量体系的有效运行,任命吴建东同志为管理者代表,履行管理者代表职责。公司各部门、驻地监理部要积极配合管理者代表的工作...

1、当您付费下载文档后,您只拥有了使用权限,并不意味着购买了版权,文档只能用于自身使用,不得用于其他商业用途(如 [转卖]进行直接盈利或[编辑后售卖]进行间接盈利)。
2、本站所有内容均由合作方或网友上传,本站不对文档的完整性、权威性及其观点立场正确性做任何保证或承诺!文档内容仅供研究参考,付费前请自行鉴别。
3、如文档内容存在违规,或者侵犯商业秘密、侵犯著作权等,请点击“违规举报”。

碎片内容

质量手册全文

精品中小学资料+ 关注
实名认证
内容提供者

精品文档

确认删除?
VIP
微信客服
  • 扫码咨询
会员Q群
  • 会员专属群点击这里加入QQ群
客服邮箱
回到顶部