电脑桌面
添加小米粒文库到电脑桌面
安装后可以在桌面快捷访问

新浦化学工业(泰兴)有限公司新厂区储罐区工程旁站监理细则VIP免费

新浦化学工业(泰兴)有限公司新厂区储罐区工程旁站监理细则_第1页
1/12
新浦化学工业(泰兴)有限公司新厂区储罐区工程旁站监理细则_第2页
2/12
新浦化学工业(泰兴)有限公司新厂区储罐区工程旁站监理细则_第3页
3/12
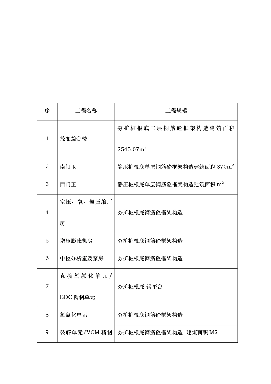
旁站监理细那么〔úCM工程工程〕工程名称:新浦化工VCM工程工程建立:新浦化学工〔泰兴〕䰚施嶥:通州四建、三化建、上海安检築设计:上混工程匔学设计院监理:上海申哰嗥程建立监理专业监理工程师:总监理工程师:2005年10月1日新浦化学工业〔泰兴〕VCM工程工程旁站监理细那么1.工程工程概况:工程名称:新浦化学工业〔泰兴〕工程VCM工程建立:新浦化学工业〔泰兴〕施工:通州四建、中昱建筑、镇江水建、扬中根底、申通、星月星建筑安装设计:上海工程化学设计院监理:上海申峰工程建立监理工程:江苏泰兴经济开发区2构造摘要除了新厂区储罐区乙烯低温储罐根底、碱罐根底、EDC根底、VCM球罐根底为PHC桩总体架根底和南门卫根底、西门卫根底为静压桩以外其余均为夯扩灌筑桩根底。VCM装置区主体构造均为钢筋砼框架构造。序工程名称工程规模1控变综合楼夯扩桩根底二层钢筋砼框架构造建筑面积2545.07m22南门卫静压桩根底单层钢筋砼框架构造建筑面积370m23西门卫静压桩根底单层钢筋砼框架构造建筑面积m24空压、氧、氮压缩厂房夯扩桩根底钢筋砼框架构造5增压膨胀机房夯扩桩根底钢筋砼框架构造6中控分析室及泵房夯扩桩根底钢筋砼框架构造7直接氧氯化单元/EDC精制单元夯扩桩根底钢平台8氧氯化单元夯扩桩根底钢筋砼框架构造9裂解单元/VCM精制夯扩桩根底钢筋砼框架构造建筑面积M2单元1035KV总降夯扩桩根底建筑面积11中间罐区夯扩桩根底12三层框架构造建筑面积M213单层框架构造建筑面积M214单层框架构造建筑面积M23.旁站根据3.1建立工程有关法律、法规:主要有?建筑法?;?建筑工程质量理?;?合同法?;?房屋建筑工程施工旁站监理理〔施行〕?;3.2技术、、规程:主要有(1)?建筑地基根底工程施工质量验收?GB50202-2002;(2)?建筑桩基技术规程?JGJ94-94(3)?砌体工程施工质量验收?GB50203-2002;(4)?混凝土构造工程施工质量验收?GB50204-2002;(5)?钢构造工程施工质量验收?GB50205-2002;(6)?建筑地面工程施工质量验收?GB50209-2002;(7)?建筑装饰装修工程质量验收?GB50210-2001;(8)?建筑工程施工质量验收统一?GB50300-2001;(9)?建立工程监理?GB50319-2000;3.3合同:本工程的建立工程监理合同、建筑工程施工合同3.4设计:本工程的地质勘察资料、经批准的设计〔图纸、设计说明、设计指定的图集、设计交底、设计变更、经设计确认的工程变更等〕。3.5施工及监理:本工程的施工组织设计和监理规划。4旁站监理的范围和内容及工程:4.1旁站监理的范围和内容旁站监理的范围旁站监理的内容根底工程打桩工程桩基检测承台、根底、根底梁土方回填1.是否按照技术、、规程和批准的设计、施工组织设计施工。2.是否使用合格的材料、构配件和设备。3.施工有关现场理人员、质检人员是否在岗。4.施工操作人员的技术程度、操作条件是否满足施工工艺要求特殊操作人员是否持证上岗。5.施工环境是否对工程质量产生不利影响。6.施工环境是否存在质量和平安隐患。对施工中出现的教大质量隐患旁站人员采用照相手段予以记录。构造工程砼施工施工缝处理后浇带施工构造吊装隐蔽工程的隐蔽过程全过程跟踪监视另祥隐蔽旁站方案建筑材料的见证和取样全过程跟踪监视另祥见证旁站方案新技术、新工艺、新材料、新设备实验过程全过程跟踪监视监理合同、法规和其他质量理规定的其他应旁站的部位和工序从其规定定位放线、沉降观测监理人员在施工测量成果根底上进展测量复合4.2监理旁站工程序分部工程子分部工程分项工程工序名称1地基与根底土方工程土方开挖1.保护要求的基坑的土方开挖〔时空效应〕2.坑底人工扦土土方回填根底分层回填土基坑工程地下连续墙后行幅止水钢板侧面刷壁次数、下钢筋笼及钢筋连接、放槽槽壁形状超生检测和水下砼灌注全过程锚杆及土钉墙支护锚喷混凝土浇筑桩基打入桩1.接桩组对;2.送桩和收锤;3.试压桩全过程静压桩1.接桩组对;2.送桩终止条件;3.试压桩全过程钻孔桩1.试成孔全过程;2.下钢筋笼连接;3.成控孔壁形状超生检测;4水下砼灌注。地下防水涂料防水层分层刷涂和细部构造卷材防水层细部构造砼根底砼工程1.砼浇筑;2.后浇带、变形缝和施工缝的处理;3.砼试块取样、制作.2.主体构造砼构造钢筋1.重要构件...

1、当您付费下载文档后,您只拥有了使用权限,并不意味着购买了版权,文档只能用于自身使用,不得用于其他商业用途(如 [转卖]进行直接盈利或[编辑后售卖]进行间接盈利)。
2、本站所有内容均由合作方或网友上传,本站不对文档的完整性、权威性及其观点立场正确性做任何保证或承诺!文档内容仅供研究参考,付费前请自行鉴别。
3、如文档内容存在违规,或者侵犯商业秘密、侵犯著作权等,请点击“违规举报”。

碎片内容

新浦化学工业(泰兴)有限公司新厂区储罐区工程旁站监理细则

确认删除?
VIP
微信客服
  • 扫码咨询
会员Q群
  • 会员专属群点击这里加入QQ群
客服邮箱
回到顶部