电脑桌面
添加小米粒文库到电脑桌面
安装后可以在桌面快捷访问

路基工程施工质量检查标准VIP专享VIP免费

路基工程施工质量检查标准_第1页
1/23
路基工程施工质量检查标准_第2页
2/23
路基工程施工质量检查标准_第3页
3/23
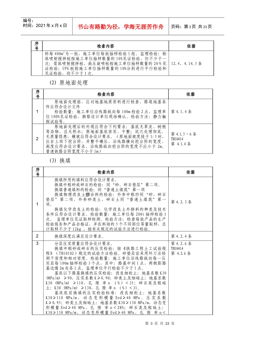
第1页共23页编号:时间:2021年x月x日书山有路勤为径,学海无涯苦作舟页码:第1页共23页路基工程施工质量的监督检查检查要点娄邵铁路扩能改造工程建设指挥部二〇一〇年十二月二十日第2页共23页第1页共23页编号:时间:2021年x月x日书山有路勤为径,学海无涯苦作舟页码:第2页共23页路基混工程施工质量检查要点1、客专铁路依据:《客运专线铁路路基工程施工质量验收暂行标准》铁建设[2005]160号文。普速铁路依据:《铁路路基工程质量验收标准》铁建设[2003]127号(TB10414-2003J285-2004),普速铁路的检查内容在章节前或章节内另行标注。如以上规范和标准出现更新和修订,以最新颁布文件为准1.1地基处理(1)一般规定序号检查内容依据1基桩施工前应按有关要求进行成桩工艺性试验(不少于2根),确定各项工艺参数并报监理单位确认后,方可进行施工第4.8.1、4.9.1、4.10.1、4.11.1、4.12.1、4.14.1、4.15.2、4.16.1条2砂桩、碎石桩、粉体喷射搅拌桩、浆体喷射搅拌桩、高压旋喷桩、CFG桩、打入桩的数量、布桩形式应符合设计要求。施工、监理单位全部检查。第4.8.7、4.9.7、4.10.5、4.11.6、4.12.6、4.14.8、4.15.11条3砂桩、碎石桩、粉体喷射搅拌桩、浆体喷射搅拌桩、高压旋喷桩、CFG桩处理后的地基,其复合地基的承载力应满足设计要求。检验数量:总桩数的2‰,且每检验批不少于3根。监理单位见证检验,勘察设计单位现场确认。检验方法:平板载荷试验)。第4.8.12、4.9.12、4.10.9、4.11.10、4.12.9、4.14.12条4袋装水泥施工单位每200t抽样检验1组、散装水泥500t抽样检验1组,检验水泥的强度、安定性、凝结时间等。粗、细骨第4.10.4、4.11.4、4.第3页共23页第2页共23页编号:时间:2021年x月x日书山有路勤为径,学海无涯苦作舟页码:第3页共23页序号检查内容依据料每400m3为一批,施工单位每批抽样检验1组。监理检验:粉体喷射搅拌桩按施工单位抽样数量的10%见证检验,但不少于一次;浆体喷射搅拌桩、高压旋喷桩按施工单位抽样数量的20﹪见证检验;CFG桩按施工单位抽样数量的10%分别进行平行检验和见证检验,均不少于1次。12.4、4.14.5条(2)原地面处理序号检查内容依据1原地面处理前,应对地基地质资料进行核查,路堤地基条件应符合设计文件检验数量:施工单位沿线路纵向每100m检验2点,监理单位100%见证检验,勘察设计单位现场确认。检验方法:静力触探试验等。第4.1.4条2原地面处理后的外观应符合下列要求:基底无草皮、树根等杂物,且无积水;原地面基底密实、平整;坑穴处理彻底,无质量隐患;横坡应符合设计要求。(原地面坡度陡于1:5时,应自上而下挖台阶,并整平碾压,沿线路横向挖台阶的宽度、高度应符合设计要求,沿线路纵向挖台阶的宽度不应小于2m。普速铁路台阶宽度不小于1m)第4.1.5~6条TB10414第4.1.4条(3)换填序号检查内容依据1换填所用的填料应符合设计要求。换填中粗砂或碎石的检验:同“砂、碎石垫层”第二项。换填普通填料的检验:同“普通土填筑”第一项换填物理改良土合料的检验:外参中粗纱同“砂、碎石摻垫层”第二项,外参砂类土、碎石土同“普通土填筑”第一项。换填化学改良土的检验:化学改良土外掺料的种类及技术条件应符合设计要求。检验数量:施工单位每200t抽样检验1次。监理单位见证取样检测。检验方法:检查每批产品的生产检验报告和产品合格证,并在料场的5个不同部位等量取样,总计取样不少于12kg,按有关规定的试验方法进行检验。第4.2.3条2换填深度应满足设计要求。第4.2.4条3分层压实质量应符合设计要求。换填中粗砂或碎石的压实检验:按《铁路工程土工试验规程》(TB10102)规定的试验方法检验。砂垫层宜采用环刀法检测干密度和相对密度。检验数量:施工单位沿线路纵向每一压实层每100m抽样检验3个点,其中:路基中间1点,两侧距路基边缘2m处各1点。监理单位平行检验不少于1点。基床以下路基换填的压实检验:改良细粒土:地基系数K30(MPa/m)≥90,压实系数K≥0.90;砂类土及细砾土:地基系数K30(MPa/m)≥110,孔隙率n(%)<31;碎石类及粗砾土:K30(MPa/m)≥130,孔隙率n(%)<31。基床底层换填的压实检验标准:改良细粒土:地基系数K30≥110...

1、当您付费下载文档后,您只拥有了使用权限,并不意味着购买了版权,文档只能用于自身使用,不得用于其他商业用途(如 [转卖]进行直接盈利或[编辑后售卖]进行间接盈利)。
2、本站所有内容均由合作方或网友上传,本站不对文档的完整性、权威性及其观点立场正确性做任何保证或承诺!文档内容仅供研究参考,付费前请自行鉴别。
3、如文档内容存在违规,或者侵犯商业秘密、侵犯著作权等,请点击“违规举报”。

碎片内容

路基工程施工质量检查标准

确认删除?
VIP
微信客服
  • 扫码咨询
会员Q群
  • 会员专属群点击这里加入QQ群
客服邮箱
回到顶部