电脑桌面
添加小米粒文库到电脑桌面
安装后可以在桌面快捷访问

四川省学生宿舍工程安装施工组织设计(陪标方案2)VIP专享VIP免费

四川省学生宿舍工程安装施工组织设计(陪标方案2)_第1页
1/14
四川省学生宿舍工程安装施工组织设计(陪标方案2)_第2页
2/14
四川省学生宿舍工程安装施工组织设计(陪标方案2)_第3页
3/14
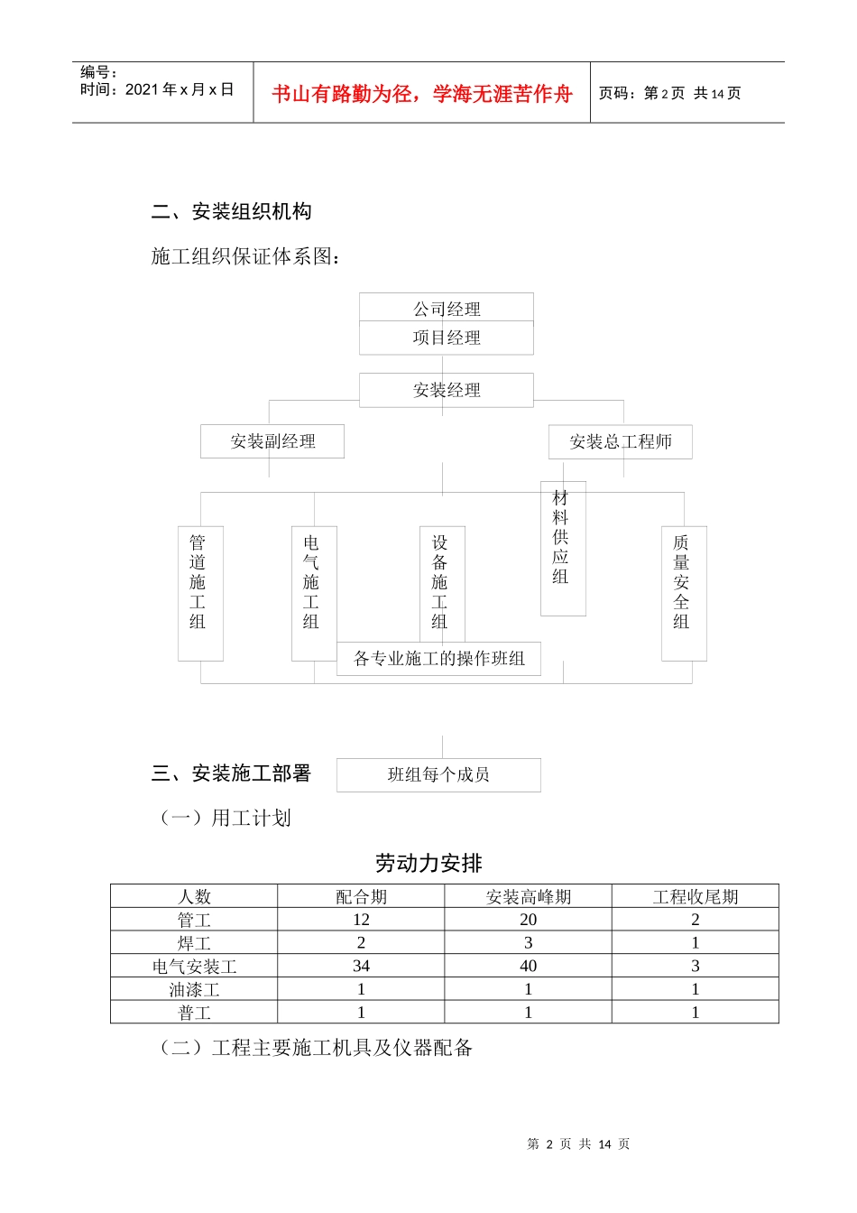
安装部分第1页共14页编号:时间:2021年x月x日书山有路勤为径,学海无涯苦作舟页码:第1页共14页一、工程概况(一)、管道部分本工程室内生活给水管给水管冷水管采用PP—R塑料给水管(冷水管1.25)、热熔连接;热水管采用PP—R塑料给水管(热水管2.00Mpa)、热熔连接。排水管全部采用UPVC塑料排水管,承插粘接,底层出户管采用加厚型3.2mm川路UPVC排水管。室内消防给水管采用热镀锌钢管,螺纹连接;(二)、电气部分本工程电源由室外用电缆埋地引入,电源进户处做重接地。电源重复接地与防雷共用接地系统,接地电阻不大于1欧;为便于管理、理所有电表均集用于单元配电箱内。配电箱底标高1.5米,暗设,普通插座标高0.3米,卫生间电热插座采用防水型插座,标高1.8,灯开关距地1.3米、暗设。插座及照明线路采用BV导线穿PVC管或钢管暗敷。防雷按三类民用建筑标准,屋面暗设避雷带,利用构造柱内主筋作防雷引下线,利用镀锌扁钢-40×4作防雷接地保护装置。凡凸出屋面的金属物、构筑物均须与避雷带焊接连通。(三)、弱电部分电话分钱箱底标高1.5米,暗设。室内电话支线为HBV穿PVC暗设。电话出线盒标高0.3米。电视前端箱底标高1.5米。室内电视电缆线为SYKV-75-5穿PVC暗敷,电视用户盒标高0.3米。第2页共14页第1页共14页编号:时间:2021年x月x日书山有路勤为径,学海无涯苦作舟页码:第2页共14页二、安装组织机构施工组织保证体系图:三、安装施工部署(一)用工计划劳动力安排人数配合期安装高峰期工程收尾期管工12202焊工231电气安装工34403油漆工111普工111(二)工程主要施工机具及仪器配备公司经理项目经理安装经理安装副经理安装总工程师管道施工组电气施工组设备施工组材料供应组质量安全组各专业施工的操作班组班组每个成员第3页共14页第2页共14页编号:时间:2021年x月x日书山有路勤为径,学海无涯苦作舟页码:第3页共14页主要施工机具及仪器机具名称规格型号数量备注乙炔气瓶2只氧气瓶2只氧焊焊炬H01-121套氧焊割炬C01-1001套套丝机TQ100-A1台手提角磨机2台电钻ZIJJ-203把冲击电锤ZIC-MH-222把液压线钳YQ15-3K1套液压弯管机WYQ27-1001台液压开孔器SYK-81台手动试压泵3.0Mpa1台万用表MF-502只兆欧表ZC25-41只地阻表ZC-81只采用统筹法及网络计划编制技术用工,根据工程衬承所需调剂劳动力。四、质量目标:力争给排水、电气安装两个分部工程均达到优良。五、安装工程施工方案该工程的主要工艺作法,除执行图纸规定的标准图集和规外,应按照四川标准《建筑安装上程施工工艺及操作规程》进行安装,其主要工艺及操作规程如下:(一)排水施工工艺及作法:1、固定在建筑结构上的管道支、吊架不得影响结构的安全性能。2、室内至管支架施工作法。(1)给水管道室内主要管支架施工方法:a、支架的制作和安装按全国通用给排水标准图集《管疲乏支架及吊第4页共14页第3页共14页编号:时间:2021年x月x日书山有路勤为径,学海无涯苦作舟页码:第4页共14页架S161》执行。b、安装间距及位置,支架安设最大间距离加下表:层高(m)层高小于或等于5m每根主管每层安支架1个注:支架安设位置为距离地1.5-1.8m。(2)排水管道室内主管支架施工方法a、支架的制作和安装按全国通用给排水标准图集《管道支架及吊架S161》执行。b、排水塑料管立管三支承件的间距应不大于下表规定:管径(mm)5582110160间距(m)1.52.02.02.03、室内横管支、吊架施工方法:(1)给水管道室内横管支、吊架施工作法:a、支、吊架的制作和安装按照全国通用给排水标准图集《管道支架及吊架S161》;b、安设间距和位置,室内横管支、吊架安设最大间距离如下表:公路通径DN1520253240507080100125钢管吊架最大间距(不保温)2.5333333336(2)排水管道室内横管支、吊架施工作法:a、支、吊架的制作和安装全国通用给排水标准图集《管道支架及吊架S161》b、排水塑料横管的间距应不大于下表规定:管径(mm)5582110160间距(m)0.50.751.11.6第5页共14页第4页共14页编号:时间:2021年x月x日书山有路勤为径,学海无涯苦作舟页码:第5页共14页4、暗设或埋地的排水管在隐蔽前做灌水试验,埋地灌水高度不低于底层地面高度满水15分钟...

1、当您付费下载文档后,您只拥有了使用权限,并不意味着购买了版权,文档只能用于自身使用,不得用于其他商业用途(如 [转卖]进行直接盈利或[编辑后售卖]进行间接盈利)。
2、本站所有内容均由合作方或网友上传,本站不对文档的完整性、权威性及其观点立场正确性做任何保证或承诺!文档内容仅供研究参考,付费前请自行鉴别。
3、如文档内容存在违规,或者侵犯商业秘密、侵犯著作权等,请点击“违规举报”。

碎片内容

四川省学生宿舍工程安装施工组织设计(陪标方案2)

确认删除?
VIP
微信客服
  • 扫码咨询
会员Q群
  • 会员专属群点击这里加入QQ群
客服邮箱
回到顶部