电脑桌面
添加小米粒文库到电脑桌面
安装后可以在桌面快捷访问

空压机房(含储气罐)现场安全检查表VIP免费

空压机房(含储气罐)现场安全检查表_第1页
1/3
空压机房(含储气罐)现场安全检查表_第2页
2/3
空压机房(含储气罐)现场安全检查表_第3页
3/3
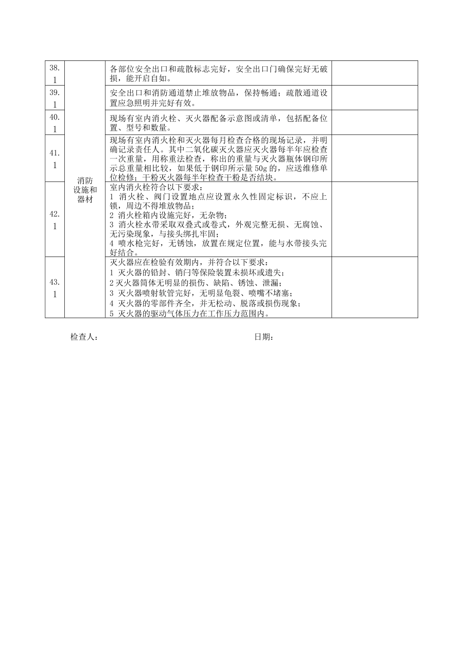
17空压机房(含储气罐)现场安全检查表(适用于空压机运行的场所,包括储气罐,管道,也包括移动空压机)序号检查项目检查内容检查情况1.空压机安全基本要求出厂技术资料﹙产品质量说明书,出厂合格证等﹚齐全,并有空压管道分配流程图。2.空压机与墙、柱以及设备之间留有足够的空间距离,有足够通风。3.空压机及储气罐操作人员及相关管理人员应当按照国家质检总局颁发的《特种设备作业人员监督管理办法》的规定持证上岗,按章作业;其中压力容器安全管理人员应由具体负责锅炉设备安全的人员担任,并取得“锅炉压力容器压力管道安全管理”A3证。4.属压力容器的储气罐按特种设备管理,按台(套)建立特种设备安全技术档案,并由专人管理,保存完好,定期检验合格。5.空压机空压机机身、曲轴箱等主要受力部件严禁有影响强度和刚度的缺陷,无棱角、毛口;所有紧固件和各种盖帽、接头或装置等紧固、牢靠。6.空压机组旁设紧急停机按钮或保护装置(开关)。7.设备外露的、且距操作者站立平面≤2m的旋转部件,应装设防护罩、网或禁止人员进入的防护栏。8.螺杆式空压机保护盖安装到位,门、顶盖关闭好。9.空压机每级排气装有排气温度超温停车装置。10.1设备有字迹清晰的铭牌和安全警示标志;外文标识应翻译成中文后张贴。11.1储气罐压力容器属压力容器的储气罐现场悬挂登记标志,现场有定期检验的合格标志,并在有效期内。12.1容器的本体、接口部位、焊接接头等无裂纹、变形、过热、泄漏等缺陷;表面无严重腐蚀现象。13.1支撑(支座)完好,基础可靠,无位移、沉降、倾斜、开裂等缺陷,螺栓连接牢固。14.1罐底必须安装排污阀,确保排污阀畅通,定期排除积水。15.1压力表刻度盘上划有最高工作压力红线标志,铅封完好,有定期检验的合格标志,并在有效期内。16.1设备人员每月对空压系统压力容器进行一次检查,并保存记录。17.1移动式空压机安全阀及压力表等安全附件应有定期检验的合格标志,并在有效期内。(移动式空压机储气罐按国家标准不需进行定期检验)18.1压力继电器工作正常。19.1空压机运行时,振动不会引起底盘位移。20.1移动式空压机的电源线应绝缘良好,无接头,长度不应超过6m。21.1螺杆式压缩机顶部、背部通风口处不能放置任何物件。22.1压缩空气管道管道无腐蚀,管内无积存杂物,支架牢固可靠。23.1压缩机空气管道的连接,除与设备、阀门等处用法兰或螺纹连接外,其余采用焊接。24.1任何与进、出口接头的进气和排气管道支架,应采取措施防止振动、脉冲、高温、压力以及腐蚀性和化学性因素。25.1压力管道应有颜色标识,标识颜色正确且完好;(标识可采取以下方法:管道全长上标识、在管道上以宽为150mm的色环标识、在管道上以长方形的识别色标牌标识、在管道上以带箭头的长方形识别色标牌标识、在管道上以系挂的识别色标牌标识;压缩空气管道基本识别色和色样及颜色为淡灰。26.1空压机房运行和管理属压力容器的空压机操作人员及相关管理人员作业时应随身携带证件,或将证件或复印件放置在作业现场。27.1作业现场有岗位操作规程,作业人员熟悉并执行其内容。(现场有电脑或显示装置的可使用电子版本)28.1人员应穿戴工作服,长发必须盘在工作帽内,袖口及衣服角必须系扣。29.1现场人员应配备耳塞,现场工作时佩戴;除需到设备周围作业外,作业人员应在采取隔音措施的区域内观察和休息。30.1机房严禁烟火,不得吸烟,不得存放易燃易爆物品。31.1无关人员未经允许不得进入控制室、机房,操作人员不得擅离工作岗位。32.1根据设备特性及安全要求,确定巡检时间,对系统运行状态进行巡检,规定记录和异常情况报告程序。33.1设备维修和保养应关闭电源开关,并挂上警示牌;不准带压拆修管道、阀门等设备。34.1电气线路和设施配电线路,应穿金属管或非燃硬塑料管保护,线路架空或在地面穿金属管敷设;线路完好无损,无接头、破损、老化或过载。35.1配电箱、柜及设备外不得有裸带电体;设备或配电箱、柜上的电气元件有可靠屏护;设备电气线路绝缘和接地完好,设备电气箱、柜除维修外,不得打开用来散热或其他用途。36.1配电箱、柜、板有编号,标识所控对象的名称、编号等,且与实际相符合;...

1、当您付费下载文档后,您只拥有了使用权限,并不意味着购买了版权,文档只能用于自身使用,不得用于其他商业用途(如 [转卖]进行直接盈利或[编辑后售卖]进行间接盈利)。
2、本站所有内容均由合作方或网友上传,本站不对文档的完整性、权威性及其观点立场正确性做任何保证或承诺!文档内容仅供研究参考,付费前请自行鉴别。
3、如文档内容存在违规,或者侵犯商业秘密、侵犯著作权等,请点击“违规举报”。

碎片内容

空压机房(含储气罐)现场安全检查表

您可能关注的文档

;绿洲书城+ 关注
实名认证
内容提供者

从事历史教学,热爱教育,高度负责。

确认删除?
VIP
微信客服
  • 扫码咨询
会员Q群
  • 会员专属群点击这里加入QQ群
客服邮箱
回到顶部