电脑桌面
添加小米粒文库到电脑桌面
安装后可以在桌面快捷访问

燃气工程表格VIP免费

燃气工程表格_第1页
1/38
燃气工程表格_第2页
2/38
燃气工程表格_第3页
3/38
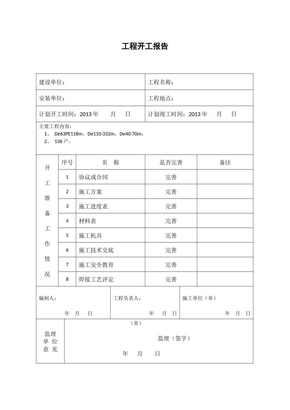
工程开工报审表工程名称:编号:A1-致:(监理单位)我单位承担的/分包工程的准备工作已完成,并已报验通过下列内容:□工程施工组织设计(A3.11-)□首道工序的分项施工方案(A3.12-)□施工起重机械设备(A3.14-)□项目部施工安全管理体系(A3.2-)□工程用材料和设备(A3.31-、A3.32-、A3.33-)□分包单位资质(A3.6-)□施工测量(A3.7-)□工程安全防护措施费使用计划报审表(A4.4-)申请于2013年月日开工,请核准。附件:1、项目经理部管理人员情况一览表及有关证件。2、进场材料、设备的名称、数量、规格和性能一览表。3、特殊工种人员的姓名、上岗证一览表及有关证件。4、施工合同对以上3条内容的对应要求。承包单位项目经理部(章):项目经理:日期:项目监理机构签收人姓名及时间承包单位签收人姓名及时间监理审核意见:□同意。□不同意。项目监理机构(章):专业监理工程师:总监理工程师:日期:注:1、承包单位项目经理部应提前48小时提出本报审表。2、建设单位应已取得由建设行政主管部门核发的建筑工程施工许可证。工程开工报告建设单位:工程名称:安装单位:工程地点:计划开工时间:2013年月日计划竣工时间:2013年月日主要工程内容:1、De63PE118m,De110-332m,De40-70m;2、136户。开工准备工作情况序号名称是否完善备注1协议或合同完善2施工方案完善3施工进度表完善4材料表完善5施工机具完善6施工技术交底完善7施工安全教育完善8焊接工艺评定完善编制人:年月日工程负责人:年月日施工单位(章)年月日监理单位意见(章)监理(签字)年月日施工组织设计/方案报审表A3.1工程名称:编号:A3.1-致:(监理单位)兹报验:□1单位工程施工组织设计□2分部(子分部)/分项工程施工方案□3特殊工程专项施工方案□4施工起重机械设备安装、拆卸方案□5本次申报内容系第1报,申报内容公司技术负责人/项目经理部已批准。附件:√1施工组织设计。□2施工方案。承包单位项目经理部(章):项目经理:日期:项目监理机构签收人姓名及时间承包单位签收人姓名及时间专业监理工程师审查意见:专业监理工程师:日期:总监理工程师审核意见:项目监理机构(章):总监理工程师:日期:注:承包单位项目经理部应提前7日提出本报审表。A3.2施工安全生产管理体系报审表工程名称:编号:A3.2-致:(监理单位)兹报验:工程施工安全生产管理体系,请核查和批准。本次申报内容系第1次申报,申报内容项目经理部/单位安全生产负责人已批准。附件:1、施工单位安全生产许可证。2、安全生产责任制度、安全生产教育培训制度和安全生产规章制度。3、安全事故应急救援预案。4、项目部安全生产组织机构,项目经理、安全员、特殊工种岗位资格证书。承包单位项目经理部(章):项目经理:日期:项目监理机构签收人姓名及时间承包单位签收人姓名及时间专业监理工程师审查意见:专业监理工程师:日期:总监理工程师审核意见:项目监理机构(章):总监理工程师:日期:注:承包单位项目经理部应提前7日提出本报审表。材料(构配件)、设备进场使用报验单工程名称:致:(监理单位)兹报验:□1材料进场使用。□2构配件进场使用。□3工程设备进场使用/开箱检查。□4名称:PE管材、管件、镀锌管材、管件采购单位:拟用部位:低压燃气管道附件(共页):□1清单(如名称、产地、规格、数量等)、样品。□2生产许可证、出厂合格证、质保书。□3检测报告、复试报告。□4其它有关文件。本次报验内容系第1次报验,本项目经理部已完成自检工作且资料完整,并呈报相应资料。承包单位项目经理部(章):项目经理:日期:项目监理机构签收人姓名及时间承包单位签收人姓名及时间监理审查意见:□同意。□不同意。项目监理机构(章):专业监理工程师:日期:注:1、承包单位项目经理部应提前提出本报验单,需复试合格才能使用的,应在复试合格后签批。2、大型设备开箱检查设计单位代表应参加。材料、设备合格证汇总表A2.1工程进度计划报审表工程名称施工单位安装部分序号设备或材料名称型号规格数量生产厂家出厂日期批号合格证或监检记录进场日期安装部位1有地上2有地...

1、当您付费下载文档后,您只拥有了使用权限,并不意味着购买了版权,文档只能用于自身使用,不得用于其他商业用途(如 [转卖]进行直接盈利或[编辑后售卖]进行间接盈利)。
2、本站所有内容均由合作方或网友上传,本站不对文档的完整性、权威性及其观点立场正确性做任何保证或承诺!文档内容仅供研究参考,付费前请自行鉴别。
3、如文档内容存在违规,或者侵犯商业秘密、侵犯著作权等,请点击“违规举报”。

碎片内容

燃气工程表格

确认删除?
VIP
微信客服
  • 扫码咨询
会员Q群
  • 会员专属群点击这里加入QQ群
客服邮箱
回到顶部