电脑桌面
添加小米粒文库到电脑桌面
安装后可以在桌面快捷访问

拟投入本标段的主要施工机械设备一览表VIP免费

拟投入本标段的主要施工机械设备一览表_第1页
1/3
拟投入本标段的主要施工机械设备一览表_第2页
2/3
拟投入本标段的主要施工机械设备一览表_第3页
3/3
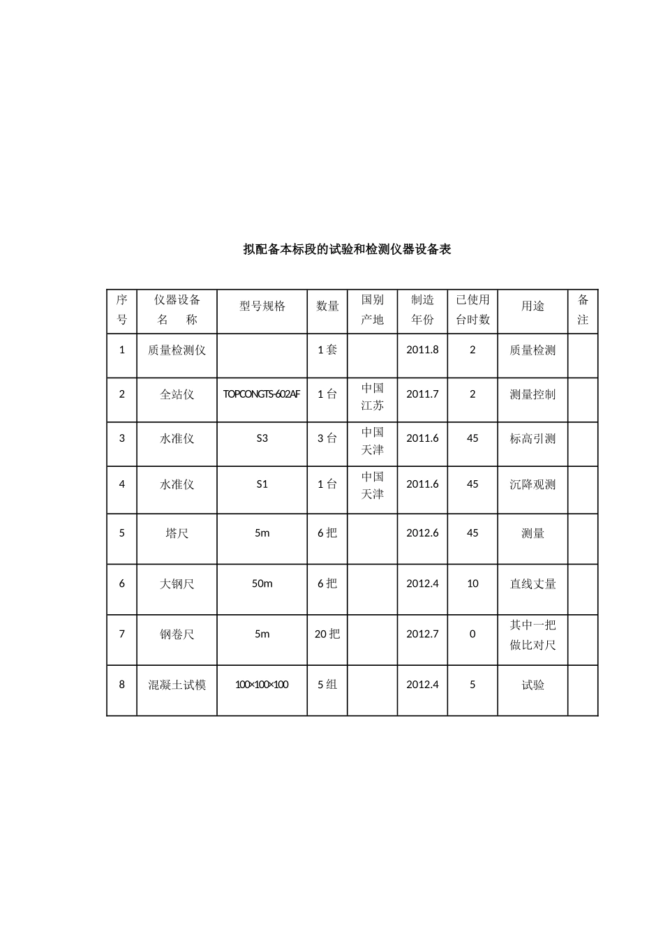
拟投入本标段的主要施工机械设备一览表表2序号设备名称型号规格数量国别产地制造年份额定功率(kw)生产能力用于施工部位备注1反铲挖掘机CAT3252台美国2011.6220良好土石方2推土机TY2201台山推2011.6160良好土石方3振动压路机YZ184台徐工2011.450良好土石方4自卸汽车15t2辆铁马2011.299良好土石方5装载机ZL501台重庆2011.450良好土石方6混凝土搅拌机JDY500L1台四川2011.711.0良好混凝土7混凝土振动棒Φ50Φ30各2根2012.31.5良好混凝土8平板振动器PZ-502台2012.30.5良好临设9交流电焊机BX-3002台上海2012.423.4良好临设10洒水车SQZ5130GSS1辆湖北2011.6正常土石方11柴油发电机200KW2台上海2011.2良好临电12水泵20m3/h6台浙江2012.72.2良好排水13砂轮切割机J3G2-4006台上海2012.91.5Kw良好14计算机4台联想2012.5良好辅助15打印机CANONix40001台佳能2012.5良好辅助拟配备本标段的试验和检测仪器设备表序号仪器设备名称型号规格数量国别产地制造年份已使用台时数用途备注1质量检测仪1套2011.82质量检测2全站仪TOPCONGTS-602AF1台中国江苏2011.72测量控制3水准仪S33台中国天津2011.645标高引测4水准仪S11台中国天津2011.645沉降观测5塔尺5m6把2012.645测量6大钢尺50m6把2012.410直线丈量7钢卷尺5m20把2012.70其中一把做比对尺8混凝土试模100×100×1005组2012.45试验主要劳动力计划表单位:人工种按工程施工阶段投入劳动力情况场地清理土石方挖运其它工程治理工程石工353030模板工40412钢筋工2040混凝土工20412砌筑工851020抹灰工60510电工2222焊工2022测量工4444普工15202040

1、当您付费下载文档后,您只拥有了使用权限,并不意味着购买了版权,文档只能用于自身使用,不得用于其他商业用途(如 [转卖]进行直接盈利或[编辑后售卖]进行间接盈利)。
2、本站所有内容均由合作方或网友上传,本站不对文档的完整性、权威性及其观点立场正确性做任何保证或承诺!文档内容仅供研究参考,付费前请自行鉴别。
3、如文档内容存在违规,或者侵犯商业秘密、侵犯著作权等,请点击“违规举报”。

碎片内容

拟投入本标段的主要施工机械设备一览表

您可能关注的文档

确认删除?
VIP
微信客服
  • 扫码咨询
会员Q群
  • 会员专属群点击这里加入QQ群
客服邮箱
回到顶部