电脑桌面
添加小米粒文库到电脑桌面
安装后可以在桌面快捷访问

企业日常安全生产检查记录VIP免费

企业日常安全生产检查记录_第1页
1/10
企业日常安全生产检查记录_第2页
2/10
企业日常安全生产检查记录_第3页
3/10
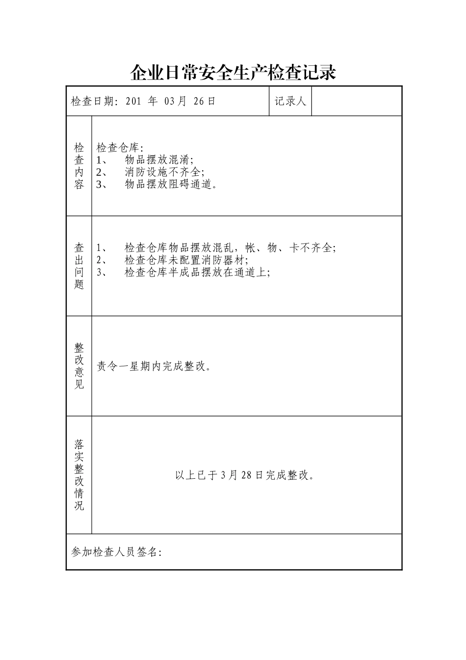
企业日常安全生产检查记录检查日期:2017年01月24日记录人检查内容检查车间:1、特种作业人员持证上岗;2、焊接车间;3、电焊机;4、气瓶存放区。查出问题1、检查操作员工焊接证书已超过期限;2、检查车间物品未按指示线摆放,导致安全通道堵塞;3、检查保护焊机和氩弧焊机未安装接地线;4、检查气瓶摆放混乱。整改意见第1条抓紧联系上级部门补办;其他3条限期2天内整改完成。落实整改情况除第1条,其他3天以与1月26日完成整改。参加检查人员签名:企业日常安全生产检查记录检查日期:201年02月26日记录人检查内容检查冲压组及厂区消防:1、安全生产教育;2、新进职工进厂培训;3、冲剪压机械;4、消防栓。查出问题1、检查机加工车间部分职工未经安全生产教育培训;2、检查车间部分新入厂职工未经培训直接进入生产;3、检查冲床4台未安装脚踏防护罩;4、检查车间消防栓未通水源。整改意见第1—3条限期厂部在一星期内完成整改;第3条厂部速与相关部门联系整改。落实整改情况第1-3条已于3月1日完成整改。参加检查人员签名:企业日常安全生产检查记录检查日期:201年03月26日记录人检查内容检查仓库:1、物品摆放混淆;2、消防设施不齐全;3、物品摆放阻碍通道。查出问题1、检查仓库物品摆放混乱,帐、物、卡不齐全;2、检查仓库未配置消防器材;3、检查仓库半成品摆放在通道上;整改意见责令一星期内完成整改。落实整改情况以上已于3月28日完成整改。参加检查人员签名:企业日常安全生产检查记录检查日期:201年04月26日记录人检查内容检查一车间:1、检查砂轮机:2、检查钻床;3、检查车间;4、检查数控机床。查出问题1、检查砂轮机未安装防护罩;2、检查钻床未安装防护罩;3、检查车间物品未按指定位置摆放,导致通道堵塞。4、检查数控机床未安装接地线。整改意见责令3天内完成整改落实整改情况已于4月30日完成整改参加检查人员签名:企业日常安全生产检查记录检查日期:201年05月26日记录人徐敏杰检查内容检查安装组:1、检查液压机;2、检查锅炉;3、检查发电机;4、检查钎焊机查出问题1、检查液压机未配置接地线;2、检查锅炉未申报停止使用;3、检查发电机未设置警示标志;4、检查钎焊机未设置停用标志。整改意见限期安装车间于一星期内完成整改。落实整改情况已于5月28日完成整改参加检查人员签名:企业日常安全生产检查记录检查日期:201年6月24日记录人徐敏杰检查内容检查包装组:1、检查物品摆放;2、检查手持电动工具;3、检查打包机;查出问题1、检查车间物品摆放混乱,导致主干道经常堵塞;2、检查磨光机未配置防护罩使用;3、检查打包机随意摆放。整改意见责令包装车间2天内完成整改落实整改情况已于6月25日完成整改。参加检查人员签名:企业日常安全生产检查记录检查日期:201年07月23日记录人徐敏杰检查内容检查二车间:1、检查气瓶;2、检查车间场地;3、检查手持电动工具;查出问题1、检查气瓶未按气体品种摆放;2、检查场地摆放混乱,影响通道畅通;3、检查手持电动工具随意摆放,未安装防护罩使用。整改意见责令车间2天内完成整改。落实整改情况已于7月24日完成整改参加检查人员签名:企业日常安全生产检查记录检查日期:201年08月23日记录人徐敏杰检查内容检查一车间:1、检查台钻;2、检查手持电动工具;3、检查车床;4、检查车间场地。查出问题1、检查台钻被卸防护罩使用;2、检查车间磨光机随地摆放,未安装防护罩使用;3、检查车床使用后不关电源开关;4、检查车间场地摆放混乱,阻碍通道。整改意见责令即日整改落实整改情况已于8月24日完成整改。参加检查人员签名:企业日常安全生产检查记录检查日期:201年09月25日记录人徐敏杰检查内容检查涂装组:1、检查作业场所场地;2、检查作业场所通风;查出问题1、检查作业场所满地灰尘;2、检查作业场所密封作业。整改意见责令立即整改落实整改情况已于9月26日完成整改。参加检查人员签名:企业日常安全生产检查记录检查日期:201年10月23日记录人徐敏杰检查内容检查厂区:1、检查各车间警示线;2、检查消防警示线;3、检查厂区物料摆放;查出问题1、检查一车间警示线模糊不清;检查二车间警示线已完全消失;2、...

1、当您付费下载文档后,您只拥有了使用权限,并不意味着购买了版权,文档只能用于自身使用,不得用于其他商业用途(如 [转卖]进行直接盈利或[编辑后售卖]进行间接盈利)。
2、本站所有内容均由合作方或网友上传,本站不对文档的完整性、权威性及其观点立场正确性做任何保证或承诺!文档内容仅供研究参考,付费前请自行鉴别。
3、如文档内容存在违规,或者侵犯商业秘密、侵犯著作权等,请点击“违规举报”。

碎片内容

企业日常安全生产检查记录

确认删除?
VIP
微信客服
  • 扫码咨询
会员Q群
  • 会员专属群点击这里加入QQ群
客服邮箱
回到顶部