电脑桌面
添加小米粒文库到电脑桌面
安装后可以在桌面快捷访问

某住宅楼地暖施工组织设计-secretVIP免费

某住宅楼地暖施工组织设计-secret_第1页
1/20
某住宅楼地暖施工组织设计-secret_第2页
2/20
某住宅楼地暖施工组织设计-secret_第3页
3/20
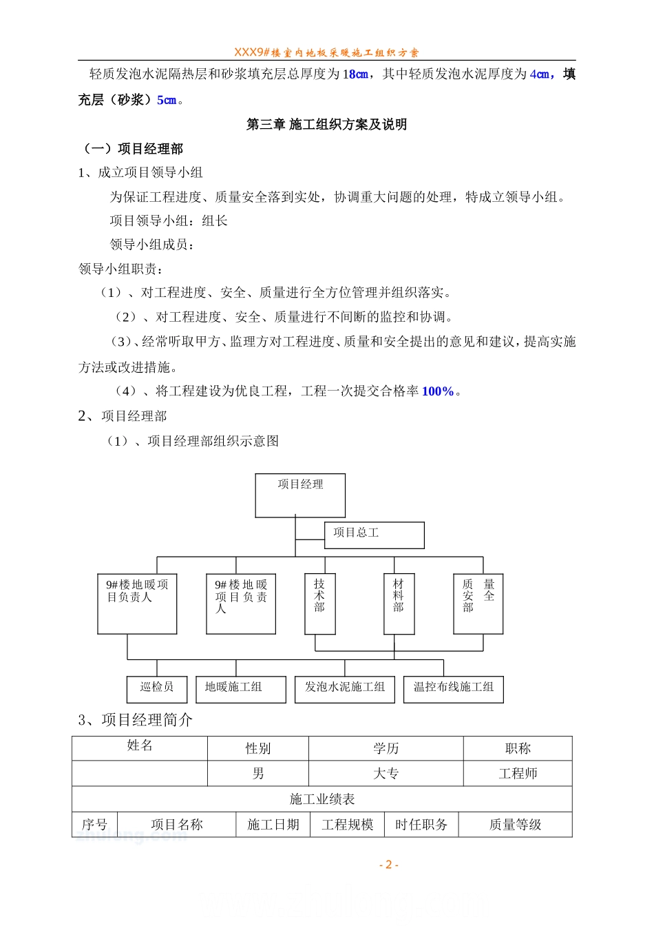
XXX9#楼室内地板采暖施工组织方案第一章编制依据与说明(一)编制依据1、楼低温热水地辐射采暖项目建筑平面图和管路系统图2、楼低温热水地辐射采暖项目采购文件3、行业标准《地面辐射供暖技术规程》JGJ142-20044、国家标准《建筑给排水采暖施工质量验收规范》GB50242-20045、国家标准《采暖通风及空气调节设计规范》GB50019-20036、国家标准《冷热水用耐热聚乙烯(PERT)管道系统》CJ/T175-20027、国家标准《冷热水用耐热聚乙烯(PEx)管道系统》CJ/T175-20028、国家标准《冷热水用耐热聚乙烯(PPR)管道系统》GB/T187429、青岛森业水电工程安装有限公司低温热水地板辐射供暖应用技术规程10、根据甲方、土建总包单位所提供的应具备地板采暖施工条件的情况11、根据与甲方或土建总包单位工程商洽文件。(二)编制说明1、在全面施工前的准备阶段,经现场实地考察后,需要与甲方监理、土建总包单位协商并签署与本工程相关的工程洽商文件。2、为确保施工进度,在经监理验收合格,,土建总包单位已提供相应具备低温地板采暖施工条件下。3、我公司在山东省首先购进韩国全自动发泡水泥设备和全自动砂浆回填设备,自行编制了技术规程并在XX(6万M2)、XX佳园(15万M2)、XX工商局(1.5万M2)等项目进行施工。得到用户一致好评。全自动发泡水泥和全自动砂浆不仅保证原有的强度、隔热和续热性,而且大大提高工程进度XX6万M2仅用了35天全部完成低温热水供暖系统。第二章工程概况及施工要求(一)工程概况楼项目低温地板热水辐射采暖工程建筑面积约平方米。(二)工程特点工程采用室内铺设轻质发泡水泥为隔热层的新工艺,分水器采用智能分集水器,施工过程中不宜于其它施工作业同时交叉作业,对有可能发生的交叉作业,要求与相关专业共同协商,确定合理的配合方案。地板辐射采暖工程要求同土建总包单位紧密配合,加强合作,以确保工程质量和进度。(三)绝热层厚度-1-XXX9#楼室内地板采暖施工组织方案轻质发泡水泥隔热层和砂浆填充层总厚度为18㎝,其中轻质发泡水泥厚度为4㎝,填充层(砂浆)5㎝。第三章施工组织方案及说明(一)项目经理部1、成立项目领导小组为保证工程进度、质量安全落到实处,协调重大问题的处理,特成立领导小组。项目领导小组:组长领导小组成员:领导小组职责:(1)、对工程进度、安全、质量进行全方位管理并组织落实。(2)、对工程进度、安全、质量进行不间断的监控和协调。(3)、经常听取甲方、监理方对工程进度、质量和安全提出的意见和建议,提高实施方法或改进措施。(4)、将工程建设为优良工程,工程一次提交合格率100%。2、项目经理部(1)、项目经理部组织示意图………3、项目经理简介姓名性别学历职称男大专工程师施工业绩表序号项目名称施工日期工程规模时任职务质量等级-2-项目经理项目总工技术部材料部地暖施工组9#楼地暖项目负责人9#楼地暖项目负责人质量安全部发泡水泥施工组巡检员温控布线施工组XXX9#楼室内地板采暖施工组织方案1游泳馆2002.30.3万㎡项目经理优良2小区2002.78000㎡项目经理优良3公寓2003.525栋别墅项目经理优良4青岛XX小区2004.74.5万㎡项目经理优良5XX花园一期2002.74.5万㎡项目经理优良6城阳XX小区2002.74.5万㎡项目经理优良7即墨XX小区2004.106万㎡项目经理优良8XX部队2005.72万㎡项目经理优良9XX工商局2005.102万㎡项目经理优良10XX2005.96万㎡项目经理优良11XX佳园2005.515万㎡项目经理优良12XX2006.510万㎡项目经理优良13XX馨苑2009.340万㎡项目经理优良4、发泡水泥工程队长简介姓名性别学历职称男高中技师男高中技师注:以上人员分别派送到韩国、山东、威海进行过专业培训5、砂浆回填工程队长简介姓名性别学历职称男高中技师男高中技工注:以上人员分别派送到韩国、山东、威海进行过专业培训(二)施工组织说明1、按照施工组织总面积,建立施工现场管理体系。由项目经理统筹安排、协调各楼项目经理负责人工作。项目总工对工程技术进行整体控制。各楼层的项目负责人主抓本楼的全面工作,包括施工进度、质量、安全和技术。施工队长直接负责施工现场。各管理人员做好项目配合工作。要求所有成员各负其责,认真配合,认真履行管...

1、当您付费下载文档后,您只拥有了使用权限,并不意味着购买了版权,文档只能用于自身使用,不得用于其他商业用途(如 [转卖]进行直接盈利或[编辑后售卖]进行间接盈利)。
2、本站所有内容均由合作方或网友上传,本站不对文档的完整性、权威性及其观点立场正确性做任何保证或承诺!文档内容仅供研究参考,付费前请自行鉴别。
3、如文档内容存在违规,或者侵犯商业秘密、侵犯著作权等,请点击“违规举报”。

碎片内容

某住宅楼地暖施工组织设计-secret

确认删除?
VIP
微信客服
  • 扫码咨询
会员Q群
  • 会员专属群点击这里加入QQ群
客服邮箱
回到顶部