电脑桌面
添加小米粒文库到电脑桌面
安装后可以在桌面快捷访问

暖通设计标准VIP专享VIP免费

暖通设计标准_第1页
1/5
暖通设计标准_第2页
2/5
暖通设计标准_第3页
3/5
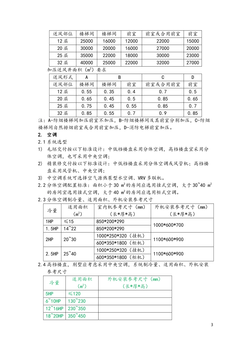
暖通设计标准化(一)防排烟(通风)(二)空调(三)新风(四)采暖1.防排烟(通风)1.1住宅的下列部位应设置防烟设施:1)防烟楼梯间及其前室2)消防电梯间前室及其合用前室13)超高层住宅的封闭避难层(间)4)人防工程中的避难走道。1.2住宅的下列部位应设置排烟设施:1)地下汽车库2)长度大于40m的疏散走道1.3防烟可采用自然通风或机械加压送风方式,排烟可采用自然排烟或机械排烟方式。1.4采用自然通风、自然排烟方式时,应符合以下要求:1)防烟楼梯间前室、消防电梯前室的自然通风口面积,其净面积≥2m2,合用前室,其净面积≥3m22)防烟楼梯间,每5层可开启外窗总面积之和≥2m2,且顶层开启面积≥0.8m2;3)需排烟的疏散走道可开启外窗面积≥走道面积2%;4)排烟口底边距地不宜小于室内净高的1/2,距防烟分区最远点的距离≤30m。5)采用防雨百叶窗时,可开启的有效面积系数取0.6;一般百叶窗时,取0.8。1.5采用机械加压送风、排烟和补风方式时,应符合以下要求:1)排烟(排风)主管风速:12~15m/s,补风(送风)主管风速:10~12m/s,风管高度不应大于0.4m,宽度不应大于1.2m;2)机械加压风量指标:净面积每平米30m3/h;3)楼梯间宜采用常开加压送风口,每隔2~3层设置1个,剪刀梯应每层设置1个。前室及合用前室采用常闭加压送风口,每层设置1个;4)超过32层或超高层住宅,其机械加压送风、排烟系统应分段设计;5)车库宜按防烟分区设置排烟系统,防火分区面积不大于2500m2的车库宜采用一套排烟系统;6)地下室面积不大于50m2的房间,排烟口可设置在疏散走道,排烟量按疏散走道面积和需排烟的各个房间的面积比较,按其最大面积每平米≥120m3/h计算确定;7)排烟口宜远离送风口,两者的水平距离不应小于5m。1.6为节约成本地下车库可选择诱导排烟(排风)系统。1.7各设备机房、卫生间应单独设置通风系统,其换气标准应符合以下要求:换气次数(次/时)备注车库6补风量为烟量的50%水泵房6~8配电房15~20发电机房4公共卫生间10~121.8加压送风风量(m3/h)及井道面积(m2)要求送风形式ABCD2送风部位楼梯间楼梯间前室前室或合用前室前室12层250001600012000220001500020层300002000016000270002000025层350002200018000300002300032层4000025000220003200027000加压送风井面积(m2)要求送风形式ABCD送风部位楼梯间楼梯间前室前室或合用前室前室12层0.550.350.40.70.520层0.650.450.50.850.6525层0.750.450.550.850.732层0.850.550.70.90.85注:A-防烟楼梯间加压前室不加压,B-防烟楼梯间及其前室分别加压,C-防烟楼梯间自然排烟前室或合用前室加压,D-消防电梯前室加压。2.空调2.1系统选型1)毛坯交付按以下标准设计:中低档楼盘采用分体空调,高档楼盘宜采用分体空调,也可采用中央空调;2)精装修交付按以下标准设计:中低档楼盘采用分体空调或风管机;高档楼盘采用风管机、中央空调;3)中空调系统可选择空气源热泵型水空调、VRV多联机。2.2分体空调配置标准:面积小于30m2的房间应选用挂式空调,大于30~40m2的房间宜选用挂式空调,大于40m2的房间应选用柜式空调。2.3分体空调制冷量、适用面积、外机安装参考尺寸冷量适用面积(m2)室内机参考尺寸(mm)(长*厚*高)外机安装参考尺寸(mm)(长*厚*高)1HP≤15850*200*2901000*600*7001.5HP14~22850*200*2902HP20~301000*250*320(挂机)1100*600*900600*350*1800(柜机)2.5HP25~401000*250*320(挂机)1100*600*900600*350*1800(柜机)2.4高档楼盘,别墅应考虑采用中央空调,系统制冷量、适用面积、外机安装参考尺寸冷量适用面积(m2)外机安装参考尺寸(mm)(长*厚*高)5HP≤1206~10HP130~23012~16HP230~35018~20HP350~45033.新风3.1系统选型:中低档采用单向流除霾新风系统,高档采用双向流除霾新风系统或全热交换新风系统。3.2室内PM2.5不应大于50。昼间室内噪声不应大于50分贝,夜间不应大于40分贝3.3新风系统可选配下列参数进行监测:1)室外的温度、湿度;2)室内的温度、湿度、CO2浓度、PM2.5等颗粒物浓度;3)新风机的启停状态;4)过滤净化设备运行状态。3.4新风量计算1)新风系统的最小新风量设计宜采用换气次数法计算,并按人均新风量进行校...

1、当您付费下载文档后,您只拥有了使用权限,并不意味着购买了版权,文档只能用于自身使用,不得用于其他商业用途(如 [转卖]进行直接盈利或[编辑后售卖]进行间接盈利)。
2、本站所有内容均由合作方或网友上传,本站不对文档的完整性、权威性及其观点立场正确性做任何保证或承诺!文档内容仅供研究参考,付费前请自行鉴别。
3、如文档内容存在违规,或者侵犯商业秘密、侵犯著作权等,请点击“违规举报”。

碎片内容

暖通设计标准

确认删除?
VIP
微信客服
  • 扫码咨询
会员Q群
  • 会员专属群点击这里加入QQ群
客服邮箱
回到顶部