电脑桌面
添加小米粒文库到电脑桌面
安装后可以在桌面快捷访问

美丽乡村施工组织设计-(1)VIP免费

美丽乡村施工组织设计-(1)_第1页
1/96
美丽乡村施工组织设计-(1)_第2页
2/96
美丽乡村施工组织设计-(1)_第3页
3/96
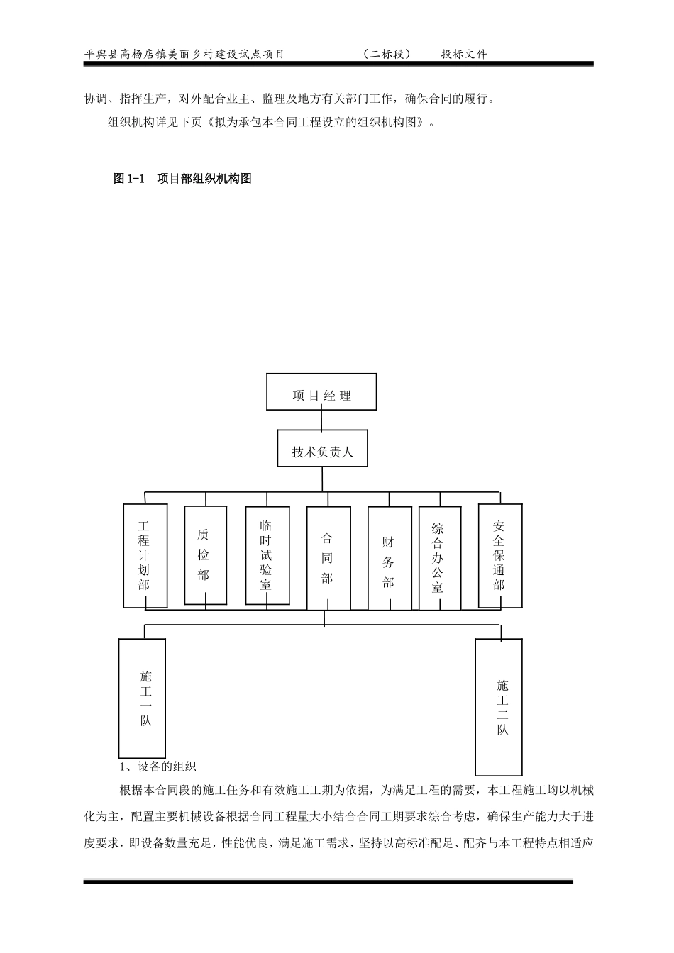
平舆县高杨店镇美丽乡村建设试点项目(二标段)投标文件施工组织设计第一章、项目管理机构设置.............................................................第二章、施工方案与技术措施...........................................................第三章、质量管理体系与措施...........................................................第四章、安全生产、文明施工管理体系与措施.............................................第五章、环境保护管理体系与措施.......................................................第六章、工程进度计划与措施...........................................................第七章、资源配备计划.................................................................第八章、试验、检测仪器设备...........................................................第九章、总平面图.....................................................................第十章、节能措施.....................................................................附表一:拟投入本标段的主要施工设备表.............................................附表二:劳动力计划表.............................................................附表三:计划开、竣工日期和施工进度网络图........................................附表四:施工总平面图.............................................................附表五:临时用地表...............................................................第一章、项目管理机构设置一、总体施工组织布置:若我公司有幸中标,我们保证按照业主招标文件强制性文件中的要求,安排具有丰富经验的管理人员组成项目经理部,精心组织,科学管理,严格履行合同,同时克服一切困难,坚决发扬我公司的优良传统,全力以赴,保质保量、安全地按期完成该项目的维修任务。二、工程管理目标规划1、工程质量目标:分部、分项工程达到优良,工程整体质量达到合格。2、工期目标:工期180日历天,依据业主相关要求和工程的特点,合理安排工期,服从相关部门的指挥和协调,保证在指定工期内完成本标段内的全部施工任务。3、保证工程质量的原则项目经理部负责编制项目质量计划,质量计划包含保证工程质量的各个要素的工作计划、质量要求、工作流程,是项目管理的工作质量保证措施。落实施工组织设计、施工方案的执行检查措施:施工组织设计、施工方案一经审核批准,即作为本项目施工纲领性文件,必须得到严格执行,任何人不得随意修改。如果文件修改,必须编制修改方平舆县高杨店镇美丽乡村建设试点项目(二标段)投标文件案,填写修改记录,由原审核人对修改的条目进行审核,由原审批人审批后方可执行。公司技术质量部把施工组织设计、施工方案的执行情况作为对项目部月度考核的重要指标,发现未执行的、没有审批手续自行修改的,将依据考核办法对项目经理部扣减考核评分。4、处理好季节性施工的原则根据工程开工时间及工程形象进度,考虑季节性对施工的影响。统筹兼顾,综合安排施工作业,受季节性影响的施工工序应尽量避开冬、雨期,以保证工程质量。5、满足平行流水、交叉施工的原则根据工程特点及周边环境条件,综合考虑工程工期、质量、劳动力、周转材料、大型机械、临建设施等资源投入情况,组织进行重点工作的施工合理组织,保证施工的连续性、均衡性、节奏性,做好单个项目的验收工作。6、临设阶段性、适用性、灵活性及可改造性兼顾的原则科学合理布置施工临时设施、运输道路、临时用水、临时用电等,立足集中管理、方便运输、可移动性强,以施工总进度计划为依据进行阶段性调整,为总承包及各专业分包提供服务场地,最大限度地减小临时设施占地,做到投入最低,收效最大,经济适用。7、安全目标:采取合理的安全和交通组织措施,加强施工人员的交通安全意识和施工安全常识,杜绝人员死亡事故,确保不发生重大安全责任事故。8、文明施工目标:对现场平面进行有序合理的布置,争创优秀文明工地。为确保结构物的正常通行,现场将采取周...

1、当您付费下载文档后,您只拥有了使用权限,并不意味着购买了版权,文档只能用于自身使用,不得用于其他商业用途(如 [转卖]进行直接盈利或[编辑后售卖]进行间接盈利)。
2、本站所有内容均由合作方或网友上传,本站不对文档的完整性、权威性及其观点立场正确性做任何保证或承诺!文档内容仅供研究参考,付费前请自行鉴别。
3、如文档内容存在违规,或者侵犯商业秘密、侵犯著作权等,请点击“违规举报”。

碎片内容

美丽乡村施工组织设计-(1)

确认删除?
VIP
微信客服
  • 扫码咨询
会员Q群
  • 会员专属群点击这里加入QQ群
客服邮箱
回到顶部