电脑桌面
添加小米粒文库到电脑桌面
安装后可以在桌面快捷访问

桥面防水层施工技术交底20170511VIP免费

桥面防水层施工技术交底20170511_第1页
1/10
桥面防水层施工技术交底20170511_第2页
2/10
桥面防水层施工技术交底20170511_第3页
3/10
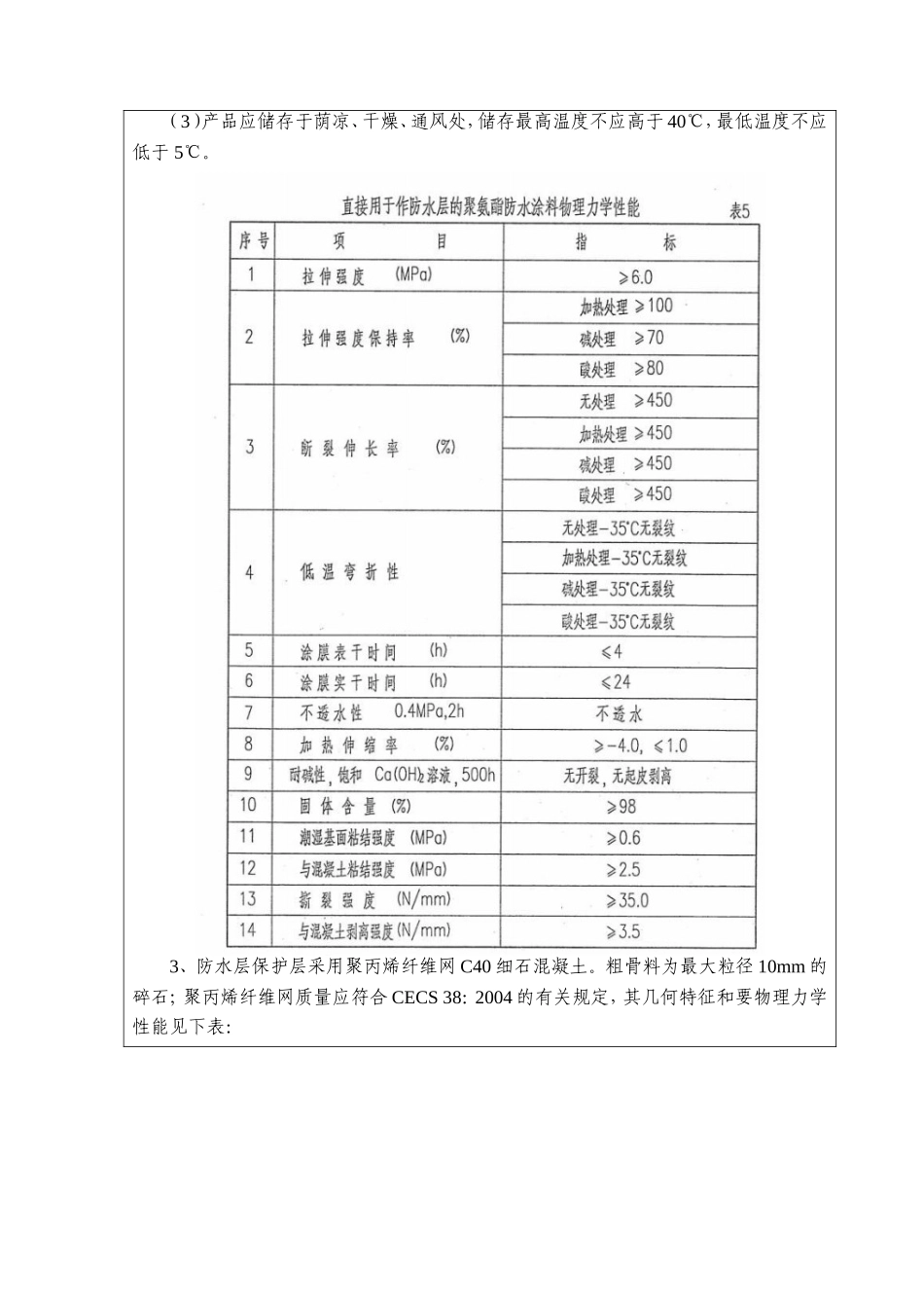
桥面防水层施工技术交底单位工程名称施工单位名称中交二航局深茂铁路JMZQ-6标分部工程工程施工内容箱梁桥面防水层施工主要内容:一、工程概况新建铁路深圳至茂名铁路江门至茂名段站前工程JMZQ-6标段起讫里程DK245+200~DK290+200,全长45km,其中包含各类箱梁,具体见下表:序号梁型数量132+48+32m连续梁2240+64+40m连续梁3348+80+48m连续梁2460+100+60m连续梁1564m现浇简支梁2632m双线简支箱梁31724m双线简支箱梁18单线简支箱梁148924m道岔简支梁21032m道岔简支梁21125+32+32+25m道岔连续梁10126×32m连续梁3桥面防水包括挡砟墙间桥面防水和桥面电缆槽防水。挡砟墙间桥面(桥粱挡砟墙之间的桥面,含挡砟墙根部)防水层施工包括:基层处理、涂刷基层处理剂、铺设高聚物改性沥青防水卷材、浇筑聚丙烯纤维网C40细石混凝土保护层。桥面电缆槽防水层包括:基层处理、涂刷聚氨酯、浇筑保护层施工。二、原材料要求1、高聚物改性沥青防水卷材,厚度4.5mm,宽100cm。防水卷材内的胎基为长纤聚酯纤维毡,胎基应置于卷材下表面的2/3厚度位置,胎基应浸透,不应有未被浸渍的条纹,卷材双面附砂,细砂的颜色和粒度应均匀一致,并紧密的粘附于卷材表面,每卷卷材应连续整长,不得有接头。基层处理剂为高聚物改性沥青低固含量液态涂料。为防止卷材的边缘发生变形和翘曲,影响粘接质量,在运输途中或贮存期间,卷材应平放。卷材为最大规格尺寸时贮存高度以平放3个卷材高度为限。2、本标聚氨酯防水涂料为直接用作防水层的聚氨酯防水涂料,应符合《聚氨酯防水涂料》GT/T19250-2013要求。(1)聚氨酯防水涂料的颜色应采用除黑色外的其它颜色,未启封产品的有效期为1年。(2)产品应采用密闭的容器包装。运输途中防止日晒雨淋,禁止接近热源。(3)产品应储存于荫凉、干燥、通风处,储存最高温度不应高于40℃,最低温度不应低于5℃。3、防水层保护层采用聚丙烯纤维网C40细石混凝土。粗骨料为最大粒径10mm的碎石;聚丙烯纤维网质量应符合CECS38:2004的有关规定,其几何特征和要物理力学性能见下表:4、进场材料必须有质保书(或合格证)及使用说明书。三、防水层施工3.1防水层施工位置说明1、挡砟墙内侧(轨道侧)防水采用高聚物改性沥青防水卷材,厚度为4.5mm,防水卷材铺至挡砟墙根部,在挡砟墙根部外加铺卷材附加层,附加层沿挡砟墙弯起高度3cm,水平向宽度15cm。其下采用高聚物改性沥青基层处理剂,作为桥面混凝土基层表面粘结处理,其上加设纤维混凝土保护层。2、挡砟墙外侧(即电缆槽内)防水层采用直接用于做防水层的聚氨酯防水涂料,其上加设纤维混凝土保护层至少厚4cm。3、保护层与挡砟墙及电缆槽竖墙接缝处采用聚氨酯防水涂料进行封边处理,不再上卷,封边前必须用墨线弹出封边线,以保证封边高度一致。封边高度不小于8cm。4、梁端头伸缩缝位置预留30cm不做防水,等伸缩缝安装完毕后再补做。3.2防水卷材施工3.2.1混凝土基层验收及处理(1)防水层施工前必须先对基层表面进行验收,平整度采用1m长靠尺检查,空隙只允许平缓变化,且不大于3mm。基层必须做到平整,无尖锐异物,不起砂,起皮及凹凸不平现象。(2)不符合(1)条要求,可要凿除方法进行处理;或用水泥浆进行找平,用水泥沙浆找平时,基底必须清洁,湿润。用水泥沙浆作局部找平时必须在水泥沙浆中添加适量的水容性建筑用胶粘剂,以增强水泥沙浆与基底的粘结。(3)防水层铺设前应采用高压风枪清除基层面灰尘。桥面基层必须无浮渣,浮灰,油污等,同时防撞墙根部必须无蜂窝,麻面。(4)对蜂窝,麻面作填补前,必须清除蜂窝,麻面中的松散层,浮灰,油污等,并使之湿润。(5)蜂窝必须用水泥沙浆填补平整,麻面必须用水泥净浆填补平整;蜂窝,麻面的填补,必须在水泥沙浆,水泥净浆中添加适量的水容性建筑用胶粘剂,以便增强水泥沙浆,水泥净浆与基底的粘结.(6)防水卷材施工前,桥面基层应干燥。3.2.2防水卷材的施工要求(1)防水卷材铺垫前,基层处理剂必须做到涂刮均匀,每平米用量不少于0.4kg,要做到不露底面,不堆积。当基层处理剂干燥不粘手时,方可进行卷材的铺贴;(2)可采用机械烘烤设备热熔铺贴卷材,也可采用多台喷灯同时...

1、当您付费下载文档后,您只拥有了使用权限,并不意味着购买了版权,文档只能用于自身使用,不得用于其他商业用途(如 [转卖]进行直接盈利或[编辑后售卖]进行间接盈利)。
2、本站所有内容均由合作方或网友上传,本站不对文档的完整性、权威性及其观点立场正确性做任何保证或承诺!文档内容仅供研究参考,付费前请自行鉴别。
3、如文档内容存在违规,或者侵犯商业秘密、侵犯著作权等,请点击“违规举报”。

碎片内容

桥面防水层施工技术交底20170511

您可能关注的文档

确认删除?
VIP
微信客服
  • 扫码咨询
会员Q群
  • 会员专属群点击这里加入QQ群
客服邮箱
回到顶部