电脑桌面
添加小米粒文库到电脑桌面
安装后可以在桌面快捷访问

铁路三电施工作业卡片(电力)VIP免费

铁路三电施工作业卡片(电力)_第1页
1/146
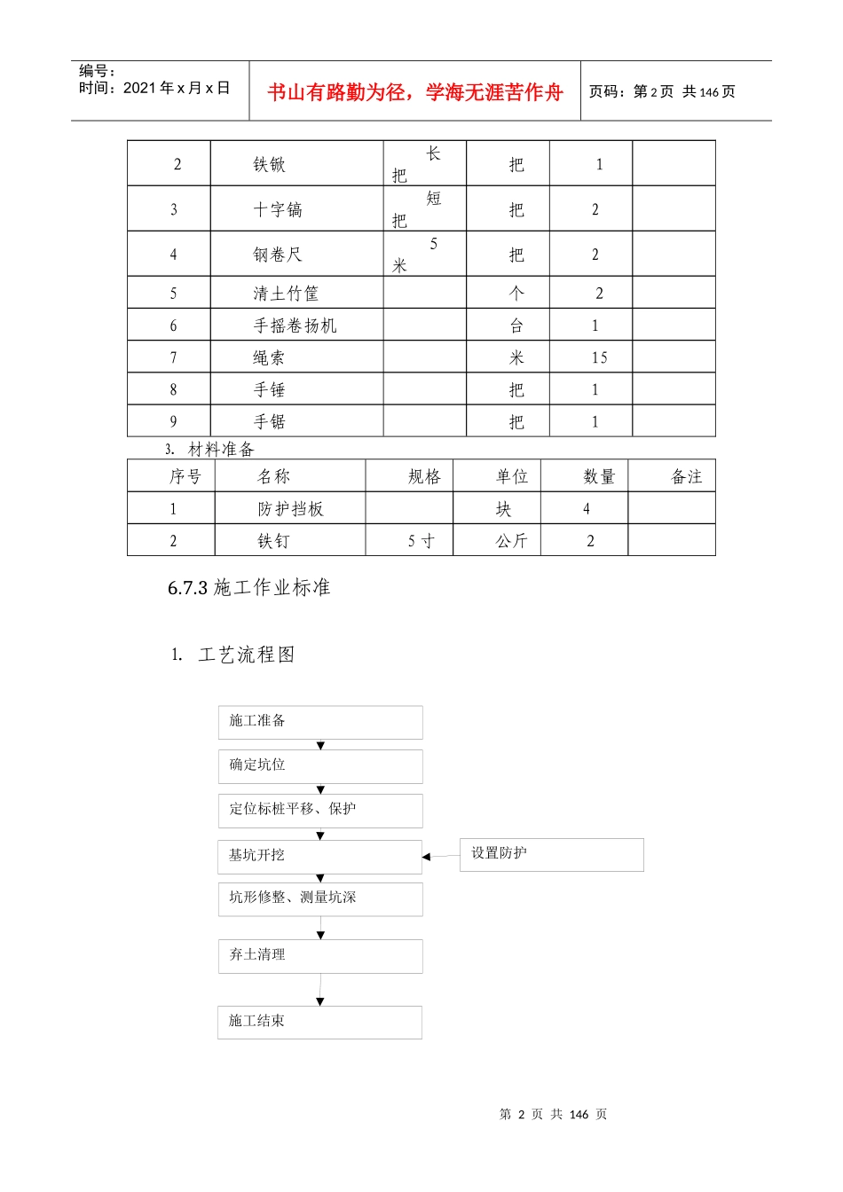
铁路三电施工作业卡片(电力)_第2页
2/146
铁路三电施工作业卡片(电力)_第3页
3/146
第1页共146页编号:时间:2021年x月x日书山有路勤为径,学海无涯苦作舟页码:第1页共146页三电作业标准卡片6.7电力杆基坑开挖作业标准(电力专业)6.7.1作业制度1.施工作业执行文件:设计图纸、技术交底文件、施工组织设计;2.强制性规范:《铁路电力施工规范》、《铁路电力工程施工质量验收标准》;3.施工前由技术人员对现场施工负责人进行书面技术交底,各级技术负责人对上级的批示和一些技术问题的处理意见、技术措施以及施工方案变更都确保在工序开始前交底至直接施工负责人,并双方相互签认。4.关键、特殊工程由各项工程技术主管预先编制作业指导书,经总工审批后执行。6.7.2人员机械配置⒈人员组织(按普通土质、一组配备)序号人员人数作业内容1作业人员1挖坑操作2监护1安全监护⒉施工工、器具准备序号名称规格单位数量备注1铁锨短把把1第2页共146页第1页共146页施工准备确定坑位定位标桩平移、保护基坑开挖坑形修整、测量坑深弃土清理施工结束设置防护编号:时间:2021年x月x日书山有路勤为径,学海无涯苦作舟页码:第2页共146页2铁锨长把把13十字镐短把把24钢卷尺5米把25清土竹筐个26手摇卷扬机台17绳索米158手锤把19手锯把1⒊材料准备序号名称规格单位数量备注1防护挡板块42铁钉5寸公斤26.7.3施工作业标准⒈工艺流程图第3页共146页第2页共146页编号:时间:2021年x月x日书山有路勤为径,学海无涯苦作舟页码:第3页共146页⒉施工方法在基坑开挖时除转角杆外均保留测量定位桩,在顺线路方向偏移1米处开挖,以便在立杆前进行杆位复测,并考虑立杆条件,选择最佳方向挖出立杆马道,置入底盘、测量坑深以待立杆。挖坑采用人工法进行,本标段地形复杂,有土坑、土加石、石坑等。针对不同土质采取相应的方式进行杆坑开挖。对于土质坑,采用铁锨、十字镐进行开挖。弃土用手摇卷扬机吊出,对于土加石地带,则使用铁锨、十字镐,并结合大锤、钢钎进行开挖。开挖时为了取出坑内的整块石头,杆坑的中心位置可能会偏移出线路的纵向中心位置,因此开挖前,应沿着线路的纵轴线,在杆坑两侧加标桩,以便立杆时确定电杆的纵向中心线。6.7.4质量控制及检验标准工班在作业时,按照下列标准进行质量控制;每道工序完成后,质检员按照下列要求进行检验。⒈杆坑坑形应满足施工的需要。⒉杆坑施工定位位移允许值应符合下列规定:10KV及以下架空电力线路顺线路位移不超过设计档距的3%,横线路位移不超过50mm;转角杆、分岐杆横线路、顺线路方向的位移均不超过50mm。⒊双杆基坑根开的中心偏差不应大于+30mm⒋杆坑深度应符合设计规定,电杆基础坑的深度允许偏差控制第4页共146页第3页共146页编号:时间:2021年x月x日书山有路勤为径,学海无涯苦作舟页码:第4页共146页在:+100mm~-50mm之间。同基基础坑在允许偏差范围内应按最深一坑抄平。6.8立电力杆作业标准(电力专业)6.8.1作业制度1.施工作业执行文件:设计图纸、技术交底文件、施工组织设计;2.强制性规范:《铁路电力施工规范》、《铁路电力工程施工质量验收标准》;3.施工前由技术人员对现场施工负责人进行书面技术交底,各级技术负责人对上级的批示和一些技术问题的处理意见、技术措施以及施工方案变更都确保在工序开始前交底至直接施工负责人,并双方相互签认。4.关键、特殊工程由各项工程技术主管预先编制作业指导书,经总工审批后执行。6.8.2人员机械配置⒈人员组织(按人工立杆、一组配备)序号人员人数作业内容1作业领导人1人负责立杆总体工作2技术负责人1人负责立杆相关技术工作3其它人员15立杆第5页共146页第4页共146页编号:时间:2021年x月x日书山有路勤为径,学海无涯苦作舟页码:第5页共146页⒉施工工、器具准备序号名称规格单位数量备注1绞磨电动台12叉杆付2备用一付3绳索Φ18条44铁锨长把把8必要时平整道路5地锚个4必要时平整道路6滑板付17撬杠大号把28大锤把19安全带付110脚扣付111滑轮只112钢卷尺5米把1⒊材料准备序号名称规格单位数量备注1电杆按施工图根12底盘块13卡盘块16.8.3施工作业标准⒈工艺流程图第6页共146页第5页共146页施工准备地锚设置、绞车安装叉杆安放、钢索连接晃绳绑扎电杆起立回...

1、当您付费下载文档后,您只拥有了使用权限,并不意味着购买了版权,文档只能用于自身使用,不得用于其他商业用途(如 [转卖]进行直接盈利或[编辑后售卖]进行间接盈利)。
2、本站所有内容均由合作方或网友上传,本站不对文档的完整性、权威性及其观点立场正确性做任何保证或承诺!文档内容仅供研究参考,付费前请自行鉴别。
3、如文档内容存在违规,或者侵犯商业秘密、侵犯著作权等,请点击“违规举报”。

碎片内容

铁路三电施工作业卡片(电力)

确认删除?
VIP
微信客服
  • 扫码咨询
会员Q群
  • 会员专属群点击这里加入QQ群
客服邮箱
回到顶部