电脑桌面
添加小米粒文库到电脑桌面
安装后可以在桌面快捷访问

(广东专用)高考物理一轮复习方案 45分钟单元能力训练卷(一)VIP免费

(广东专用)高考物理一轮复习方案 45分钟单元能力训练卷(一)_第1页
1/6
(广东专用)高考物理一轮复习方案 45分钟单元能力训练卷(一)_第2页
2/6
(广东专用)高考物理一轮复习方案 45分钟单元能力训练卷(一)_第3页
3/6
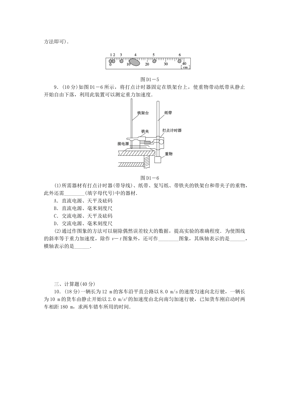
45分钟单元能力训练卷(一)(考查范围:第一单元分值:100分)一、单项选择题(每小题6分,共18分)1.汽车进行刹车试验,若速度从8m/s匀减速到零所用的时间为1s,按规定,速度为8m/s的汽车刹车后位移不得超过5.9m,那么上述刹车试验是否符合规定()A.位移为8m,符合规定B.位移为8m,不符合规定C.位移为4m,符合规定D.位移为4m,不符合规定2.一个质点做方向不变的直线运动,加速度的方向始终与速度方向相同,但加速度大小逐渐减小直至为零,在此过程中()A.速度逐渐减小,当加速度减小到零时,速度达到最小值B.速度逐渐增大,当加速度减小到零时,速度达到最大值C.位移逐渐增大,当加速度减小到零时,位移将不再增大D.位移逐渐减小,当加速度减小到零时,位移达到最小值3.甲、乙两辆汽车同时在一条平直的公路上自西向东运动,开始时刻两车平齐,相对于地面的v-t图象如图D1-1所示,关于它们的运动,下列说法正确的是()图D1-1A.甲车中乘客说,乙车先以速度v0向西做匀减速运动,后向东做匀加速运动B.乙车中乘客说,甲车先以速度v0向西做匀减速运动,后做匀加速运动C.根据v-t图象可知,开始乙车在前,甲车在后,两车距离先减小后增大,当乙车速度增大到v0时,两车恰好平齐D.根据v-t图象可知,开始甲车在前,乙车在后,两车距离先增大后减小,当乙车速度增大到v0时,两车恰好平齐二、双项选择题(每小题6分,共24分)4.某物体运动的v-t图象如图D1-2所示,下列说法正确的是()图D1-2A.物体在第1s末运动方向发生变化B.物体在第2s内和第3s内的加速度是相同的C.物体在4s末返回出发点D.物体在5s末离出发点最远,且最大位移为0.5m5.A、B两个物体从同一地点出发,在同一直线上做匀变速直线运动,它们的速度图象如图D1-3所示,则()图D1-3A.A、B两物体运动方向相同B.t=4s时,A、B两物体相遇C.在相遇前,t=4s时A、B两物体相距最近D.在相遇前,A、B两物体的最远距离为20m6.年4月12日,亚丁湾索马里海域六艘海盗快艇试图靠近中国海军护航编队保护的商船,中国特战队员发射爆震弹成功将其驱离.假如其中一艘海盗快艇在海面上运动的v-t图象如图D1-4所示,设运动过程中海盗快艇所受阻力不变,则下列说法正确的是()图D1-4A.海盗快艇在0~66s内从静止出发做加速度减小的加速直线运动B.海盗快艇在96s末开始调头逃离C.海盗快艇在66s末离商船最近D.海盗快艇在96~116s内做匀减速直线运动7.从某一高度相隔1s先后释放两个相同的小球甲和乙,若不计空气阻力,它们在空中任一时刻()A.甲、乙两球距离越来越大B.甲、乙两球距离保持不变C.甲、乙两球速度之差越来越大D.甲、乙两球速度之差保持不变三、实验题(18分)8.(8分)一小球在桌面上做匀加速直线运动,现用高速摄影机在同一底片上多次曝光,记录下小球运动过程中在每次曝光时的位置,并将小球的位置编号,得到的照片如图D1-5所示.由于底片保管不当,其中位置4处被污损.若已知摄影机连续两次曝光的时间间隔均为1s.(1)利用该照片可求得小球运动的加速度约为________m/s2,位置4对应的速度为________m/s;(2)能求出4的具体位置吗?________,求解方法是:____________________(只说明方法即可).图D1-59.(10分)如图D1-6所示,将打点计时器固定在铁架台上,使重物带动纸带从静止开始自由下落,利用此装置可以测定重力加速度.图D1-6(1)所需器材有打点计时器(带导线)、纸带、复写纸、带铁夹的铁架台和带夹子的重物,此外还需________(填字母代号)中的器材.A.直流电源、天平及砝码B.直流电源、毫米刻度尺C.交流电源、天平及砝码D.交流电源、毫米刻度尺(2)通过作图象的方法可以剔除偶然误差较大的数据,提高实验的准确程度.为使图线的斜率等于重力加速度,除作v-t图象外,还可作________图象,其纵轴表示的是______,横轴表示的是______.三、计算题(40分)10.(18分)一辆长为12m的客车沿平直公路以8.0m/s的速度匀速向北行驶,一辆长为10m的货车由静止开始以2.0m/s2的加速度由北向南匀加速行驶,已知货车刚启动时两车相距180m,求两车错车所用的时间.11.(22分)如图D1-7所示,水平面与斜面由光滑的小圆弧相连,...

1、当您付费下载文档后,您只拥有了使用权限,并不意味着购买了版权,文档只能用于自身使用,不得用于其他商业用途(如 [转卖]进行直接盈利或[编辑后售卖]进行间接盈利)。
2、本站所有内容均由合作方或网友上传,本站不对文档的完整性、权威性及其观点立场正确性做任何保证或承诺!文档内容仅供研究参考,付费前请自行鉴别。
3、如文档内容存在违规,或者侵犯商业秘密、侵犯著作权等,请点击“违规举报”。

碎片内容

(广东专用)高考物理一轮复习方案 45分钟单元能力训练卷(一)

您可能关注的文档

确认删除?
VIP
微信客服
  • 扫码咨询
会员Q群
  • 会员专属群点击这里加入QQ群
客服邮箱
回到顶部