电脑桌面
添加小米粒文库到电脑桌面
安装后可以在桌面快捷访问

(广东专用)高考物理一轮复习方案 45分钟滚动复习训练卷(四)VIP免费

(广东专用)高考物理一轮复习方案 45分钟滚动复习训练卷(四)_第1页
1/6
(广东专用)高考物理一轮复习方案 45分钟滚动复习训练卷(四)_第2页
2/6
(广东专用)高考物理一轮复习方案 45分钟滚动复习训练卷(四)_第3页
3/6
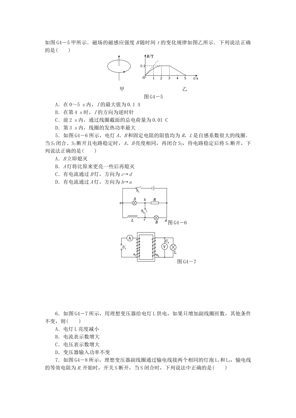
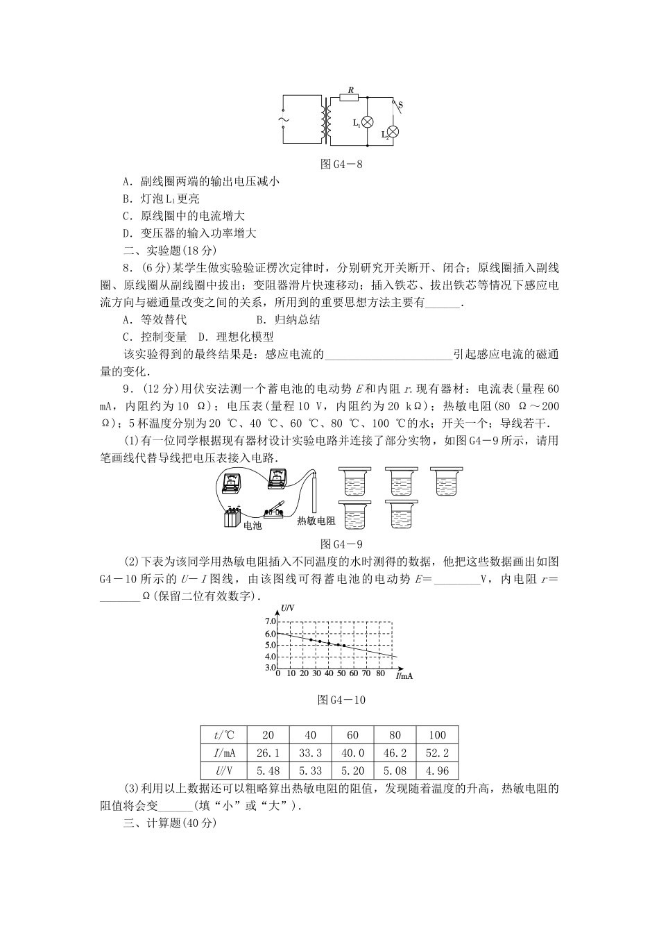
45分钟滚动复习训练卷(四)(考查范围:第十~十一单元分值:100分)一、单项选择题(每小题6分,共18分)1.如图G4-1所示为一正弦交变电压随时间变化的图象,由图可知()图G4-1A.该交流电的周期为2sB.该交流电的频率为50HzC.该交变电压的有效值为311VD.将它加在电容器上时,电容器的耐压值必须等于220V2.有一个匀强磁场,它的边界是MN,在MN左侧是无场区,右侧是匀强磁场区域,如图G4-2甲所示.现在有一个金属线框以恒定速度从MN左侧进入匀强磁场区域.线框中的电流随时间变化的I-t图象如图乙所示.则可能的线框是图G4-3中的哪一个()图G4-2ABCD图G4-3图G4-43.如图G4-4所示,一半圆形铝框处在水平向外的非匀强磁场中,场中各点的磁感应强度为By=,y为该点到地面的距离,c为常数,B0为一定值.铝框平面与磁场垂直,直径ab水平,(空气阻力不计)铝框由静止释放下落的过程中()A.铝框回路磁通量不变,感应电动势为0B.回路中感应电流沿顺时针方向,直径ab两点间电势差为0C.铝框下落的加速度大小一定小于重力加速度gD.直径ab受安培力向上,半圆弧ab受安培力向下,铝框下落加速度大小可能等于g二、双项选择题(每小题6分,共24分)4.在竖直向上的匀强磁场中水平放置一个不变形的单匝金属圆线圈,线圈所围的面积为0.1m2,线圈电阻为1Ω.规定线圈中感应电流I的正方向从上往下看是顺时针方向,如图G4-5甲所示.磁场的磁感应强度B随时间t的变化规律如图乙所示.下列说法正确的是()甲乙图G4-5A.在0~5s内,I的最大值为0.1AB.在第4s时,I的方向为逆时针C.前2s内,通过线圈截面的总电荷量为0.01CD.第3s内,线圈的发热功率最大5.如图G4-6所示,电灯A、B和固定电阻的阻值均为R,L是自感系数很大的线圈.当S1闭合、S2断开且电路稳定时,A、B亮度相同,再闭合S2,待电路稳定后将S1断开,下列说法正确的是()A.B立即熄灭B.A灯将比原来更亮一些后再熄灭C.有电流通过B灯,方向为c→dD.有电流通过A灯,方向为b→a图G4-6图G4-76.如图G4-7所示,用理想变压器给电灯L供电,如果只增加副线圈匝数,其他条件不变,则()A.电灯L亮度减小B.电流表示数增大C.电压表示数增大D.变压器输入功率不变7.如图G4-8所示,理想变压器副线圈通过输电线接两个相同的灯泡L1和L2,输电线的等效电阻为R.开始时,开关S断开,当S闭合时,下列说法中正确的是()图G4-8A.副线圈两端的输出电压减小B.灯泡L1更亮C.原线圈中的电流增大D.变压器的输入功率增大二、实验题(18分)8.(6分)某学生做实验验证楞次定律时,分别研究开关断开、闭合;原线圈插入副线圈、原线圈从副线圈中拔出;变阻器滑片快速移动;插入铁芯、拔出铁芯等情况下感应电流方向与磁通量改变之间的关系,所用到的重要思想方法主要有______.A.等效替代B.归纳总结C.控制变量D.理想化模型该实验得到的最终结果是:感应电流的______________________引起感应电流的磁通量的变化.9.(12分)用伏安法测一个蓄电池的电动势E和内阻r.现有器材:电流表(量程60mA,内阻约为10Ω);电压表(量程10V,内阻约为20kΩ);热敏电阻(80Ω~200Ω);5杯温度分别为20℃、40℃、60℃、80℃、100℃的水;开关一个;导线若干.(1)有一位同学根据现有器材设计实验电路并连接了部分实物,如图G4-9所示,请用笔画线代替导线把电压表接入电路.图G4-9(2)下表为该同学用热敏电阻插入不同温度的水时测得的数据,他把这些数据画出如图G4-10所示的U-I图线,由该图线可得蓄电池的电动势E=________V,内电阻r=_______Ω(保留二位有效数字).图G4-10t/℃20406080100I/mA26.133.340.046.252.2U/V5.485.335.205.084.96(3)利用以上数据还可以粗略算出热敏电阻的阻值,发现随着温度的升高,热敏电阻的阻值将会变______(填“小”或“大”).三、计算题(40分)10.(18分)如图G4-11所示,宽为0.5m的光滑水平金属框架固定在方向竖直向下、磁感应强度大小为B=0.80T的匀强磁场中,框架左端连接一个R=0.4Ω的电阻,框架上面置一电阻r=0.1Ω的金属导体ab,ab长为0.5m.ab始终与框架接触良好且在水平恒力F作用下以v=1.25m/s的速度向右匀速运动(设水平金属框架足够长...

1、当您付费下载文档后,您只拥有了使用权限,并不意味着购买了版权,文档只能用于自身使用,不得用于其他商业用途(如 [转卖]进行直接盈利或[编辑后售卖]进行间接盈利)。
2、本站所有内容均由合作方或网友上传,本站不对文档的完整性、权威性及其观点立场正确性做任何保证或承诺!文档内容仅供研究参考,付费前请自行鉴别。
3、如文档内容存在违规,或者侵犯商业秘密、侵犯著作权等,请点击“违规举报”。

碎片内容

(广东专用)高考物理一轮复习方案 45分钟滚动复习训练卷(四)

您可能关注的文档

确认删除?
VIP
微信客服
  • 扫码咨询
会员Q群
  • 会员专属群点击这里加入QQ群
客服邮箱
回到顶部