电脑桌面
添加小米粒文库到电脑桌面
安装后可以在桌面快捷访问

2017年屋面防水技术交底VIP免费

2017年屋面防水技术交底_第1页
1/7
2017年屋面防水技术交底_第2页
2/7
2017年屋面防水技术交底_第3页
3/7
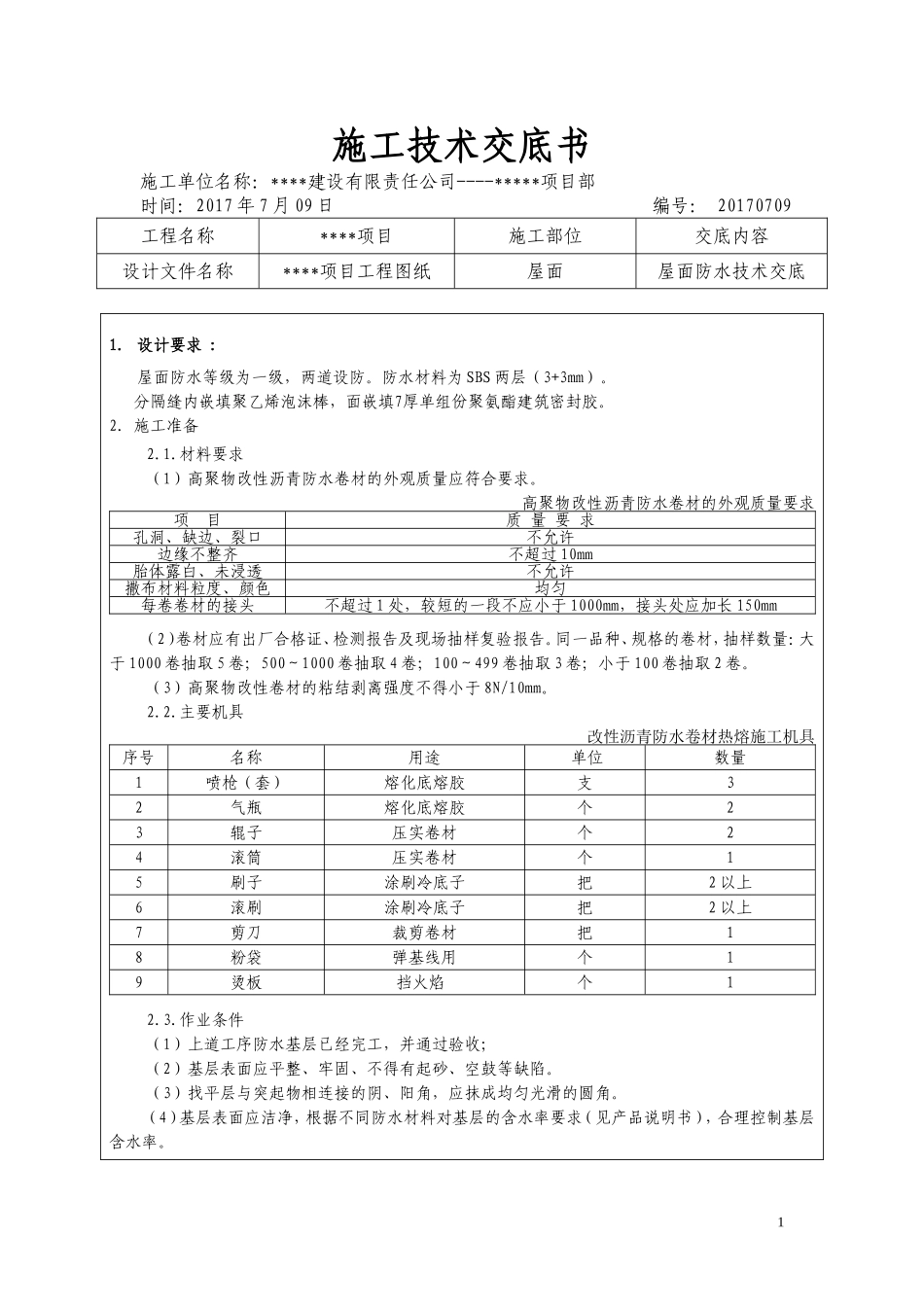
施工技术交底书施工单位名称:****建设有限责任公司----*****项目部时间:2017年7月09日编号:20170709工程名称****项目施工部位交底内容设计文件名称****项目工程图纸屋面屋面防水技术交底1.设计要求:屋面防水等级为一级,两道设防。防水材料为SBS两层(3+3mm)。分隔缝内嵌填聚乙烯泡沫棒,面嵌填7厚单组份聚氨酯建筑密封胶。2.施工准备2.1.材料要求(1)高聚物改性沥青防水卷材的外观质量应符合要求。高聚物改性沥青防水卷材的外观质量要求项目质量要求孔洞、缺边、裂口不允许边缘不整齐不超过10mm胎体露白、未浸透不允许撒布材料粒度、颜色均匀每卷卷材的接头不超过1处,较短的一段不应小于1000mm,接头处应加长150mm(2)卷材应有出厂合格证、检测报告及现场抽样复验报告。同一品种、规格的卷材,抽样数量:大于1000卷抽取5卷;500~1000卷抽取4卷;100~499卷抽取3卷;小于100卷抽取2卷。(3)高聚物改性卷材的粘结剥离强度不得小于8N/10mm。2.2.主要机具改性沥青防水卷材热熔施工机具序号名称用途单位数量1喷枪(套)熔化底熔胶支32气瓶熔化底熔胶个23辊子压实卷材个24滚筒压实卷材个15刷子涂刷冷底子把2以上6滚刷涂刷冷底子把2以上7剪刀裁剪卷材把18粉袋弹基线用个19烫板挡火焰个12.3.作业条件(1)上道工序防水基层已经完工,并通过验收;(2)基层表面应平整、牢固、不得有起砂、空鼓等缺陷。(3)找平层与突起物相连接的阴、阳角,应抹成均匀光滑的圆角。(4)基层表面应洁净,根据不同防水材料对基层的含水率要求(见产品说明书),合理控制基层含水率。13工艺流程防水卷材热熔法工艺流程图(1)基层清理1)基层必须牢固,无松动、起砂等缺陷。基层表面平整洁净、均匀一致。2)必须将突出基层表面的异物、砂浆疙瘩等铲除,并将尘土杂物清除干净,用高压空气机进行清理。阴阳角、管道根部等处更应仔细清理,若有油污、铁锈等,应以砂纸、钢丝刷、溶剂等予以清除干净。3)起砂、起皮、麻面处理方法:清除浮砂、浮浆至干净;涂刮一道聚合物水泥浆1~2mm;抹聚合物水泥砂浆5mm~10mm。4)突出基层面结构的交接处、基层的转角处,均做成半径≥50mm的圆弧;内部排水的水落口周围应做成略低的凹坑。5)根据不同防水材料对基层含水率的要求(见产品说明书),合理干燥基层。(2)涂布基层处理剂1)基层处理剂必须与卷材及胶粘剂的材性相容;2)先用油漆刷对节点、周边、转角、管道根部等复杂部位均匀涂刷一遍;再用长把滚刷进行大面涂布(也可以用喷浆机进行喷涂),要求厚薄均匀,不得漏涂露底。待其干燥后应及时进行下一道工序的施工。(3)节点增强处理详图及做法见关键做法部分。(4)定位、弹基准线按照卷材的先后铺设顺序,按预先量好的卷材尺寸扣除搭接宽度,用墨水在铺贴面弹线标明。(5)热熔铺贴卷材1)试贴:由于热熔法施工的技术关键是烘烤热熔胶,要把握烘烤温度和烘烤时间,温度不够、时间短,热熔胶不得熔融,温度太高、时间太短,容易将卷材烤坏,均会影响卷材防水层的质量,因此热熔铺贴卷材前先让工人进行试贴,让工人熟练掌握烘烤技术、烤枪火焰的温度控制、烤枪离卷材的距基层清理涂刷基层处理剂热熔铺贴卷材层粘结剂节点加强处理检查验收卷材搭接及收头处理定位、弹基准线2离、烘烤的时间等参数。2)熔粘端部卷材:将整卷卷材(勿打开)置于铺贴起始端,对准基层上已弹好的墨线,滚展卷材约1m,将这1m卷材拉起,人站在卷材底面(有热熔胶)手持液化气火焰喷枪,慢旋开关、点燃火焰,调呈蓝色,使火焰对准卷材与基层交接处同时加热卷材底面与基层面,待卷材底面呈熔融状即进行粘铺,再以手持压辊对铺贴的卷材进行排气压实,这样铺到卷材端头剩下约300mm时,将卷材端头翻放在隔热板上,再行熔烤,最后将端部卷材铺牢压实。如下图所示。热熔施工示意图3)滚粘平面卷材:起始端卷材粘牢后,持火焰枪的人应站在滚铺前方,对着待铺的整卷卷材,点燃喷枪使火焰,对准卷材与基层面的夹角,喷枪距卷材及基层加热处约0.3~0.5m,施行往复移动烘烤(不得将火焰停留在一处直火烧烤时间过长,否则容易产生胎基外露或胎体与改性卷材基料瞬间分离),至卷材底面胶层呈黑...

1、当您付费下载文档后,您只拥有了使用权限,并不意味着购买了版权,文档只能用于自身使用,不得用于其他商业用途(如 [转卖]进行直接盈利或[编辑后售卖]进行间接盈利)。
2、本站所有内容均由合作方或网友上传,本站不对文档的完整性、权威性及其观点立场正确性做任何保证或承诺!文档内容仅供研究参考,付费前请自行鉴别。
3、如文档内容存在违规,或者侵犯商业秘密、侵犯著作权等,请点击“违规举报”。

碎片内容

2017年屋面防水技术交底

一米阳光+ 关注
实名认证
内容提供者

爱好英语教学和互联网行业,热爱教育事业,兢兢业业

确认删除?
VIP
微信客服
  • 扫码咨询
会员Q群
  • 会员专属群点击这里加入QQ群
客服邮箱
回到顶部