电脑桌面
添加小米粒文库到电脑桌面
安装后可以在桌面快捷访问

01牵引管道报验申请表VIP免费

01牵引管道报验申请表_第1页
1/5
01牵引管道报验申请表_第2页
2/5
01牵引管道报验申请表_第3页
3/5
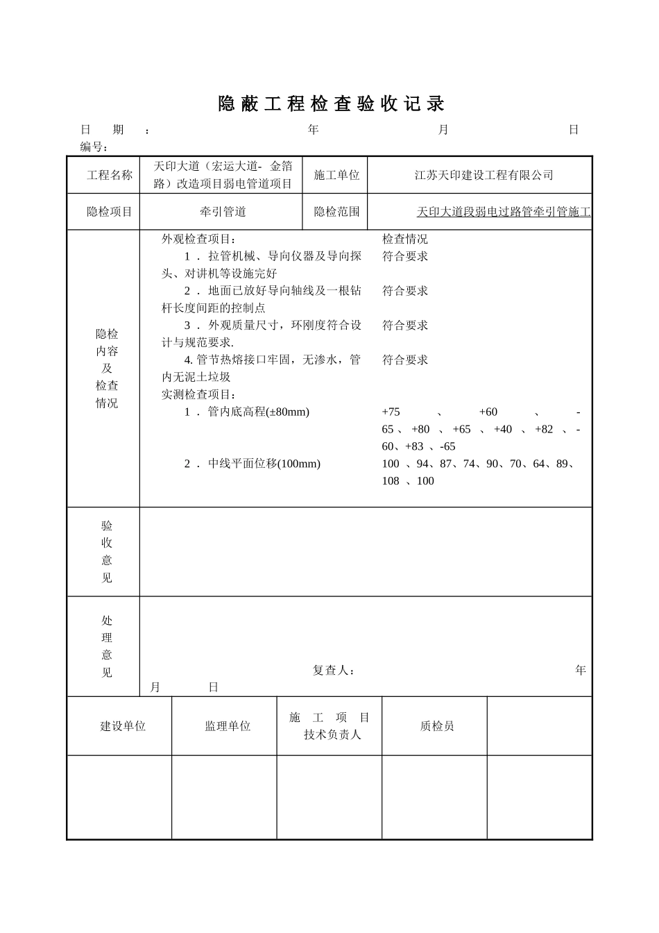
甬统表C01-32牵引管道报验申请表工程名称:天印大道(宏运大道-金箔路)改造项目弱电管道项目编号:致:江苏金丰华工程监理咨询有限公司(监理机构)我单位已完成了天印大道段弱电道路西侧过路管牵引管施工工作,现报上该工程报验申请表,请予以审查和验收。附件:1、隐蔽工程检查验收记录2、工序质量评定表3、牵引管工程施工记录表4、水平定向钻进深度表5、PE管道焊接施工检查记录表项目技术负责人(项目经理):年月日监理机构意见:专业(总)监理工程师:年月日本表由施工单位填写,监理单位保存。质检表4隐蔽工程检查验收记录日期:年月日编号:工程名称天印大道(宏运大道-金箔路)改造项目弱电管道项目施工单位江苏天印建设工程有限公司隐检项目牵引管道隐检范围天印大道段弱电过路管牵引管施工隐检内容及检查情况外观检查项目:检查情况1.拉管机械、导向仪器及导向探头、对讲机等设施完好符合要求2.地面已放好导向轴线及一根钻杆长度间距的控制点符合要求3.外观质量尺寸,环刚度符合设计与规范要求.4.管节热熔接口牢固,无渗水,管内无泥土垃圾符合要求符合要求实测检查项目:1.管内底高程(±80mm)+75、+60、-65、+80、+65、+40、+82、-60、+83、-652.中线平面位移(100mm)100、94、87、74、90、70、64、89、108、100验收意见处理意见复查人:年月日建设单位监理单位施工项目技术负责人质检员牵引管工程施工记录表工程名称:天印大道(宏运大道-金箔路)改造项目弱电管道项目井位区段:G27~G22设计管径(mm):DN110总长(m)116.8管道长度(m):116.8*12孔钻杆根数:66年月日编号:时间拖进长度拖进参数情况描述起止历时(分)本次进尺累计长度拉力回扩扭力转速泵泥浆量时分时分(m)(m)(MPa)(MPa)(r/min)(L)630700306661150551800正常700730306125.81160551750正常730800306185.71185551775正常8008303062461180551850正常830900306305.51155551800正常900930306365.81150551880正常9301000306425.61160551800正常10001030306485.61185551750正常10301100306545.81150551775正常11001130306605.71160551850正常113012003066661185551750正常12001230306725.51180551775正常12301300306785.81155551850正常13001330306845.61160551800正常13301400306905.81185551880正常14001430306965.71180551800正常1430150030610261155551750正常150015303061085.51160551775正常153016003061145.81185551850正常16001630306116.85.61180551800正常技术负责人:施工负责人:记录员:水平定向钻进深度表工程名称:天印大道(宏运大道-金箔路)改造项目弱电管道项目井位区段:G27~G22设计管径(mm):DN110总长(m):116.8工程地点:江宁区天印大道施工机组:XZ320年月日编号:序号钻进角度(度)钻进深度(米)钻杆根数备注0-2-121.320-3-101.730-4-82.040-5-62.450-6-42.761-7-23.071-803.53581-903.53591-1003.535101-1103.535111-1203.535121-1303.535131-1403.535141-1503.535151-1603.535161-1703.535171-1803.535181-1903.535191-2003.535201-2103.535211-2203.535221-2303.535231-2403.535241-2503.535251-2603.535261-2703.535271-2803.535281-2903.535291-3003.535301-3103.535311-3203.535321-3303.535331-3403.535341-3503.535351-3603.535361-3803.53538技术负责人:施工负责人:记录员:水平定向钻进深度表工程名称:天印大道(宏运大道-金箔路)改造项目弱电管道项目井位区段:G27~G22设计管径(mm):DN110总长(m):116.8工程地点:江宁区天印大道施工机组:XZ320年月日编号:序号钻进角度(度)钻进深度(米)钻杆根数备注1-4003.535401-4103.535411-4203.535421-4303.535431-4403.535441-4503.535451-4603.535461-4703.535471-4803.535481-4903.535491-5003.535501-5103.535511-5203.535521-5303.535531-5403.535541-5503.535551-5603.535561-5703.535571-5803.535581-5903.535591-6003.535600-61+33.00610-62+52.5620-63+72.0630-64+91.5640-65+111.0650-66+130.566技术负责人:施工负责人:记录员:

1、当您付费下载文档后,您只拥有了使用权限,并不意味着购买了版权,文档只能用于自身使用,不得用于其他商业用途(如 [转卖]进行直接盈利或[编辑后售卖]进行间接盈利)。
2、本站所有内容均由合作方或网友上传,本站不对文档的完整性、权威性及其观点立场正确性做任何保证或承诺!文档内容仅供研究参考,付费前请自行鉴别。
3、如文档内容存在违规,或者侵犯商业秘密、侵犯著作权等,请点击“违规举报”。

碎片内容

01牵引管道报验申请表

您可能关注的文档

确认删除?
VIP
微信客服
  • 扫码咨询
会员Q群
  • 会员专属群点击这里加入QQ群
客服邮箱
回到顶部