电脑桌面
添加小米粒文库到电脑桌面
安装后可以在桌面快捷访问

【原创】石膏板生产工艺流程VIP免费

【原创】石膏板生产工艺流程_第1页
1/4
【原创】石膏板生产工艺流程_第2页
2/4
【原创】石膏板生产工艺流程_第3页
3/4
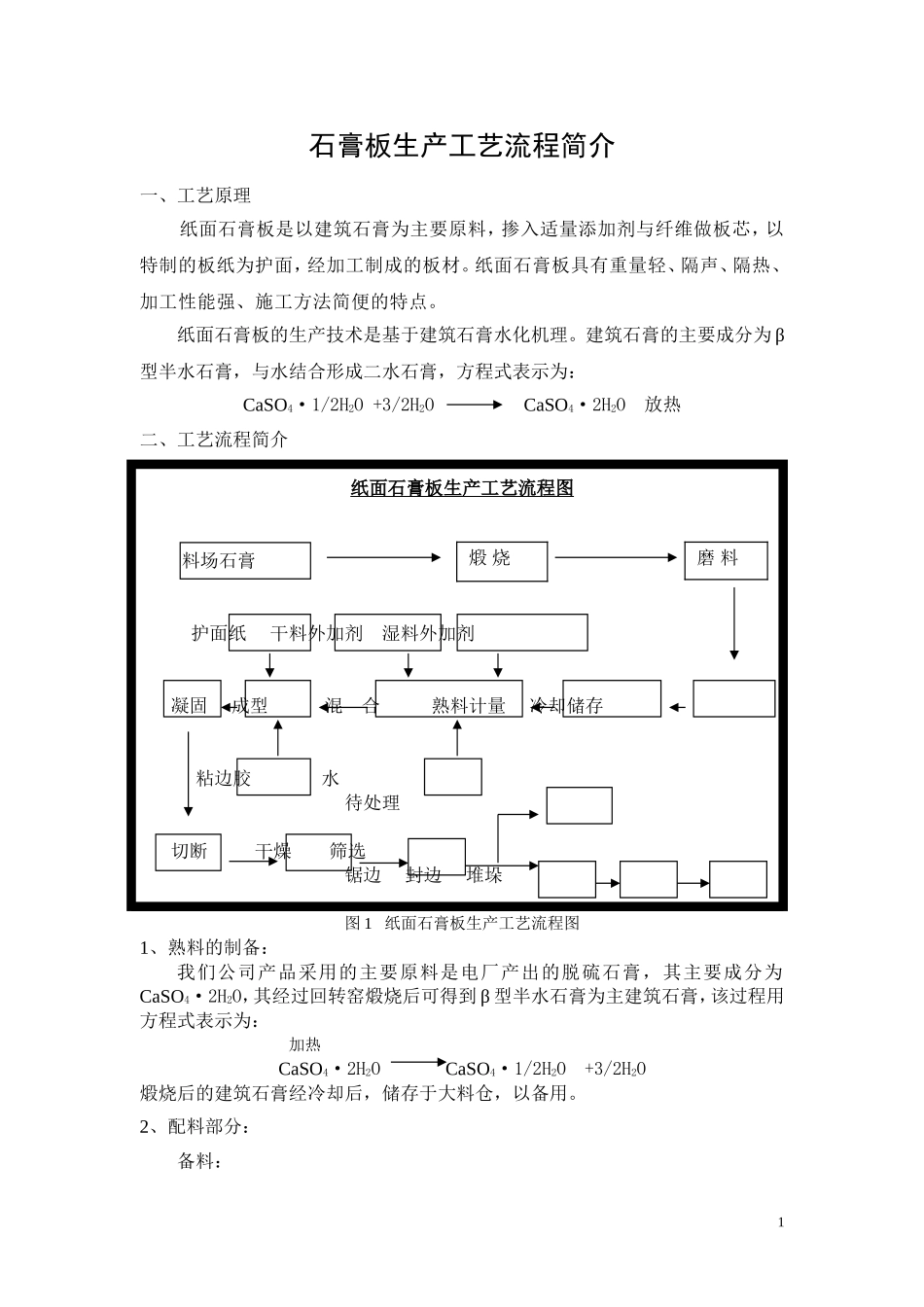
石膏板生产工艺流程简介一、工艺原理纸面石膏板是以建筑石膏为主要原料,掺入适量添加剂与纤维做板芯,以特制的板纸为护面,经加工制成的板材。纸面石膏板具有重量轻、隔声、隔热、加工性能强、施工方法简便的特点。纸面石膏板的生产技术是基于建筑石膏水化机理。建筑石膏的主要成分为β型半水石膏,与水结合形成二水石膏,方程式表示为:CaSO4·1/2H2O+3/2H2OCaSO4·2H2O放热二、工艺流程简介纸面石膏板生产工艺流程图料场石膏护面纸干料外加剂湿料外加剂凝固成型混合熟料计量冷却储存粘边胶水待处理切断干燥筛选锯边封边堆垛图1纸面石膏板生产工艺流程图1、熟料的制备:我们公司产品采用的主要原料是电厂产出的脱硫石膏,其主要成分为CaSO4·2H2O,其经过回转窑煅烧后可得到β型半水石膏为主建筑石膏,该过程用方程式表示为:加热CaSO4·2H2OCaSO4·1/2H2O+3/2H2O煅烧后的建筑石膏经冷却后,储存于大料仓,以备用。2、配料部分:备料:1煅烧磨料①、改性淀粉、缓凝剂、纸浆、减水剂、水等原料经定量计量后放入水力碎浆机搅拌成原料浆,然后泵入料浆储备罐备用;②、发泡剂和水按比例投入发泡剂制备罐搅拌均匀,泵入发泡剂储备罐备用③、促凝剂和熟石膏粉原料经提升输送设备进入料仓备用;配料:料浆储备罐中的浆料使用计量泵泵入到搅拌机,发泡剂使用动态发泡装置发泡后进入搅拌机,促凝剂和石膏粉使用全自动计量皮带称计量后进入搅拌机,然后所有主辅料在搅拌机混合成合格的石膏浆。所有主辅料的添加都含括在自动控制系统中,随生产线速度的不同自动调节,以适应大规模、高速度的要求。图2纸面石膏板生产线立体形象示意图3、成型输送部分上纸开卷后经自动纠偏机进入成型机,下纸开卷后经自动纠偏机、刻痕机、震动平台进入成型机,搅拌机的料浆落到震动平台的下纸上进入成型机,在成型机上挤压出要求规格的石膏板,然后在凝固皮带上完成初凝、在输送辊道上完成终凝,经过定长切断机切成需要的长度(2400mm、3000mm或其它),经横向机转向,转向后两张石膏板同时离开横向机,然后使用靠拢辊道使两张板材的间距达到要求后,经分配机分配进入干燥机干燥。4、烘干部分2采用锅炉提供蒸汽做为热源,蒸汽经过换热器换出热风后经风机送入干燥机内部完成烘干任务,本干燥机分为4区,能很好的完成石膏板干燥的干燥曲线,避免过烧、不干等缺陷。该工艺环保、节能、热效率高、工艺参数容易控制。5、成品包装部分干燥机完成干燥任务后,经出板机送入横向系统,完成石膏板的定长切边、全自动包边,然后经过成品输送机送入自动堆垛机堆垛,堆垛完成后使用叉车运送到打包区检验包装,全套生产流程完成第2、3、4、5步骤主要设备及流程如图2、3所示:图3纸面石膏板生产流程示意图三、产品特点本公司的主要产品有:各类规格的普通纸面石膏板、耐水纸面石膏板、耐火纸面石膏板、其他特种板。在性能上,本公司的产品具有以下特点:(1)生产能耗低,生产效率高:生产同等单位的纸面石膏板的能耗比水泥节省78%。且投资少生产能力大,工序简单,便于大规模生产。(2)轻质:用纸面石膏板作隔墙,重量仅为同等厚度砖墙的1/15,砌块墙体的1/10,有利于结构抗震,并可有效减少基础及结构主体造价。(3)保温隔热:纸面石膏板板芯60%左右是微小气孔,因空气的导热系数很小,因此具有良好的轻质保温性能。(4)防火性能好:由于石膏芯本身不燃,且遇火时在释放化合水的过程中会3吸收大量的热,延迟周围环境温度的升高,因此,纸面石膏板具有良好的防火阻燃性能。经国家防火检测中心检测,纸面石膏板隔墙耐火极限可达4小时。(5)隔音性能好:采用单一轻质材料,如加气砼、膨胀珍珠岩板等构成的单层墙体其厚度很大时才能满足隔声的要求,而纸面石膏板隔墙具有独特的空腔结构具有很好的隔声性能。(6)装饰功能好:纸面石膏板表面平整,板与板之间通过接缝处理形成无缝表面,表面可直接进行装饰。(7)加工方便,可施工性好:纸面石膏板具有可钉、可刨、可锯、可粘的性能,用于室内装饰,可取得理想的装饰效果,仅需裁制刀便可随意对纸面石膏板进行裁切,施工非常方便,用它做装饰材料可极大的提高施工效率。...

1、当您付费下载文档后,您只拥有了使用权限,并不意味着购买了版权,文档只能用于自身使用,不得用于其他商业用途(如 [转卖]进行直接盈利或[编辑后售卖]进行间接盈利)。
2、本站所有内容均由合作方或网友上传,本站不对文档的完整性、权威性及其观点立场正确性做任何保证或承诺!文档内容仅供研究参考,付费前请自行鉴别。
3、如文档内容存在违规,或者侵犯商业秘密、侵犯著作权等,请点击“违规举报”。

碎片内容

【原创】石膏板生产工艺流程

确认删除?
VIP
微信客服
  • 扫码咨询
会员Q群
  • 会员专属群点击这里加入QQ群
客服邮箱
回到顶部