电脑桌面
添加小米粒文库到电脑桌面
安装后可以在桌面快捷访问

注塑模具设计标准VIP免费

注塑模具设计标准_第1页
1/85
注塑模具设计标准_第2页
2/85
注塑模具设计标准_第3页
3/85
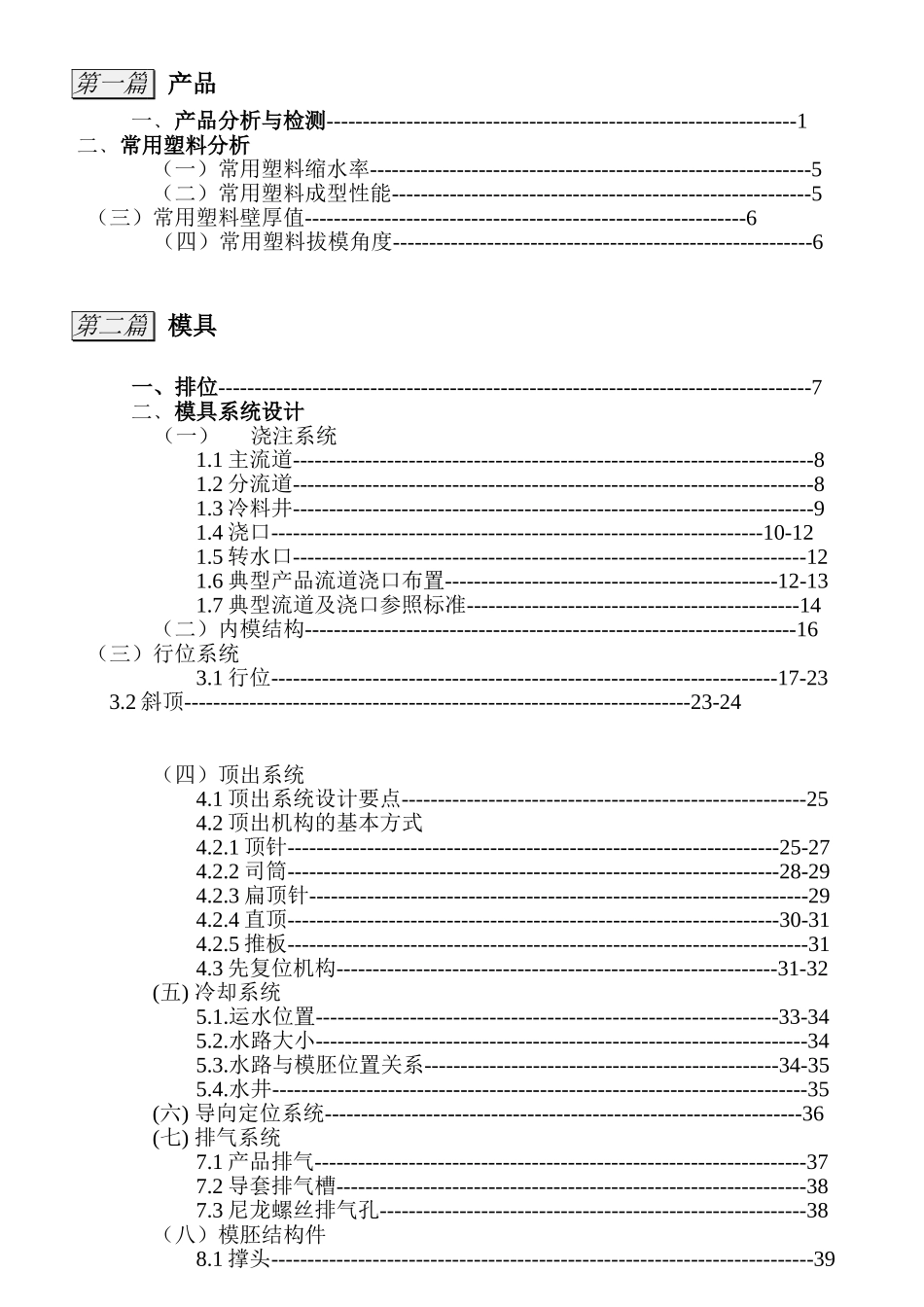
工程部注塑模具设计标准文件号:版次:A执行日期:目录第一篇产品一﹑产品分析与检测-----------------------------------------------------------------1二﹑常用塑料分析(一)常用塑料缩水率-------------------------------------------------------------5(二)常用塑料成型性能----------------------------------------------------------5(三)常用塑料壁厚值-------------------------------------------------------------6(四)常用塑料拔模角度----------------------------------------------------------6第二篇模具一、排位----------------------------------------------------------------------------------7二﹑模具系统设计(一)浇注系统1.1主流道------------------------------------------------------------------------81.2分流道------------------------------------------------------------------------81.3冷料井------------------------------------------------------------------------91.4浇口--------------------------------------------------------------------10-121.5转水口-----------------------------------------------------------------------121.6典型产品流道浇口布置----------------------------------------------12-131.7典型流道及浇口参照标准----------------------------------------------14(二)内模结构--------------------------------------------------------------------16(三)行位系统3.1行位----------------------------------------------------------------------17-233.2斜顶----------------------------------------------------------------------23-24(四)顶出系统4.1顶出系统设计要点--------------------------------------------------------254.2顶出机构的基本方式4.2.1顶针--------------------------------------------------------------------25-274.2.2司筒--------------------------------------------------------------------28-294.2.3扁顶针---------------------------------------------------------------------294.2.4直顶--------------------------------------------------------------------30-314.2.5推板------------------------------------------------------------------------314.3先复位机构-------------------------------------------------------------31-32(五)冷却系统5.1.运水位置----------------------------------------------------------------33-345.2.水路大小--------------------------------------------------------------------345.3.水路与模胚位置关系-------------------------------------------------34-355.4.水井--------------------------------------------------------------------------35(六)导向定位系统------------------------------------------------------------------36(七)排气系统7.1产品排气--------------------------------------------------------------------377.2导套排气槽-----------------------------------------------------------------387.3尼龙螺丝排气孔-----------------------------------------------------------38(八)模胚结构件8.1撑头---------------------------------------------------------------------------398.2垃圾钉------------------------------------------------------------------------398.3锁模机构---------------------------------------------------------------------39三﹑细水口模设计-------------------------------------------------------------------40-41四、模具零部件材料选择----------------------------------------------------------42-43五、分模六、注射机选择--------------------------------------------------------------------------62七、其它--------------------------------------------------------------------------------...

1、当您付费下载文档后,您只拥有了使用权限,并不意味着购买了版权,文档只能用于自身使用,不得用于其他商业用途(如 [转卖]进行直接盈利或[编辑后售卖]进行间接盈利)。
2、本站所有内容均由合作方或网友上传,本站不对文档的完整性、权威性及其观点立场正确性做任何保证或承诺!文档内容仅供研究参考,付费前请自行鉴别。
3、如文档内容存在违规,或者侵犯商业秘密、侵犯著作权等,请点击“违规举报”。

碎片内容

注塑模具设计标准

您可能关注的文档

确认删除?
VIP
微信客服
  • 扫码咨询
会员Q群
  • 会员专属群点击这里加入QQ群
客服邮箱
回到顶部