电脑桌面
添加小米粒文库到电脑桌面
安装后可以在桌面快捷访问

1、项目部安全检查记录表汇总VIP免费

1、项目部安全检查记录表汇总_第1页
1/21
1、项目部安全检查记录表汇总_第2页
2/21
1、项目部安全检查记录表汇总_第3页
3/21
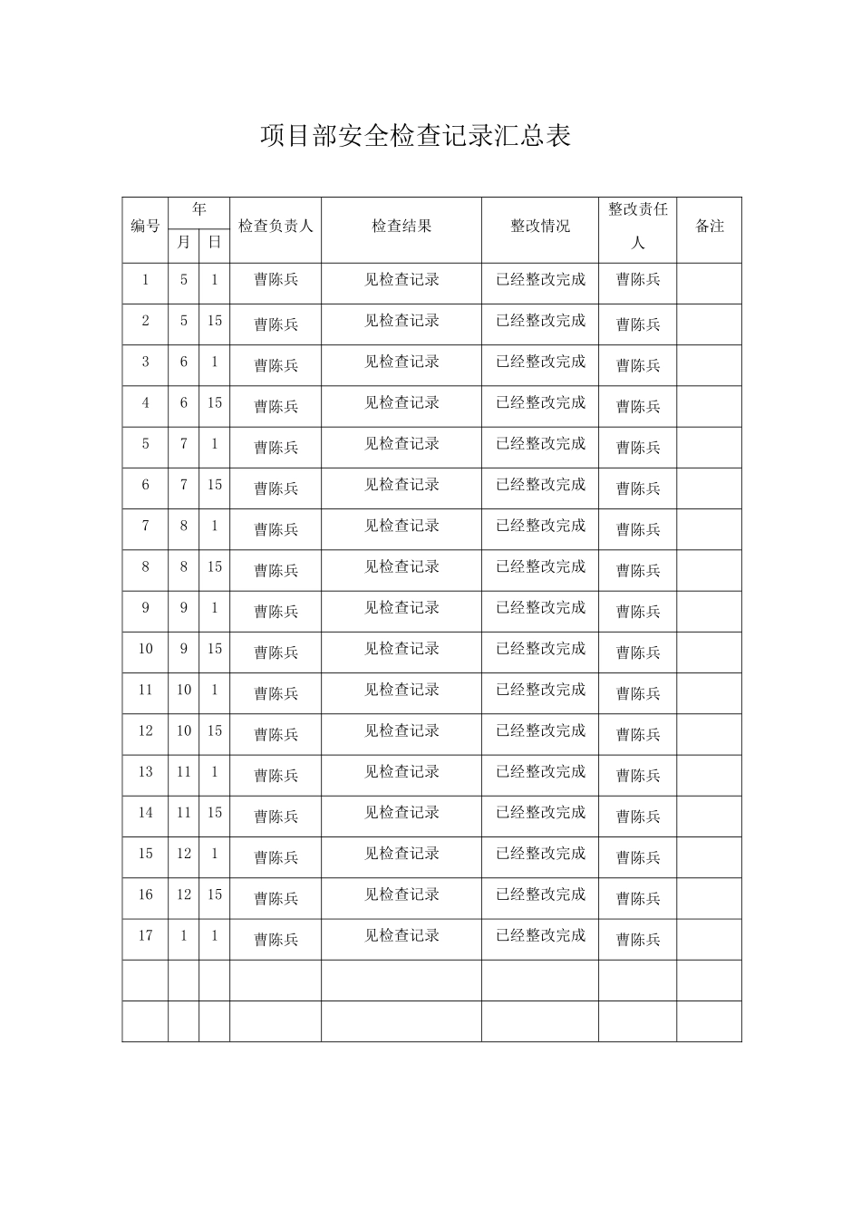
项目部安全检查记录汇总表编号年检查负责人检查结果整改情况整改责任人备注月日151曹陈兵见检查记录已经整改完成曹陈兵2515曹陈兵见检查记录已经整改完成曹陈兵361曹陈兵见检查记录已经整改完成曹陈兵4615曹陈兵见检查记录已经整改完成曹陈兵571曹陈兵见检查记录已经整改完成曹陈兵6715曹陈兵见检查记录已经整改完成曹陈兵781曹陈兵见检查记录已经整改完成曹陈兵8815曹陈兵见检查记录已经整改完成曹陈兵991曹陈兵见检查记录已经整改完成曹陈兵10915曹陈兵见检查记录已经整改完成曹陈兵11101曹陈兵见检查记录已经整改完成曹陈兵121015曹陈兵见检查记录已经整改完成曹陈兵13111曹陈兵见检查记录已经整改完成曹陈兵141115曹陈兵见检查记录已经整改完成曹陈兵15121曹陈兵见检查记录已经整改完成曹陈兵161215曹陈兵见检查记录已经整改完成曹陈兵1711曹陈兵见检查记录已经整改完成曹陈兵安全检查记录编号:工程名称二甲凯达佳苑小区二期检查时间2017年5月1日检查人员曹林涛刘婷曹陈兵施善官存在问题及隐患:1、配电箱摆放不规范,随意摆在地上。2、部分工人没有戴安全帽。3、安全标志不齐全。4、安全防火设施不健全。整改措施:1、立即对配电箱进行整改,做到有序摆放。2、对未戴安全帽的工人进行批评教育,使其认识到安全的重要性,确保人身安全。3、对未设置安全标志的地方,立即设置。4、立即购买灭火器等防火器材,把防火工作做到位。整改责任人(签字):年月日复查意见:项目负责人(签字):年月日安全检查记录编号:工程名称二甲凯达佳苑小区检查时间2016年5月15日检查人员曹林涛刘婷曹陈兵施善官存在问题及隐患:1、发现个别工人没有戴安全帽。2、部分工人饮酒后上岗。3、工人宿舍卫生没有整理,很脏、很乱。整改措施:1、针对未戴安全帽的工人进行了安全教育工作,并加强管理。2、对饮酒工人进行止其当天工作处理,并进行安全教育工作,加强管理。3、建立宿舍卫生轮值制度,宿舍卫生每日有专人打扫。整改责任人(签字):年月日复查意见:项目负责人(签字):年月日安全检查记录编号:工程名称二甲凯达佳苑小区检查时间2016年6月1日检查人员曹林涛刘婷曹陈兵施善官存在问题及隐患:1、楼层周边、电梯井、楼梯口未设立安全警示牌及警戒线。2、进入施工现场有工人未戴安全帽。整改措施:1、临边洞口设立警示牌,拉设三角旗警戒绳。2、安全员对未佩戴安全帽人员进行批评教育,使其认识到安全工作的重要性。整改责任人(签字):年月日复查意见:项目负责人(签字):年月日安全检查记录编号:工程名称二甲凯达佳苑小区检查时间2016年6月15日检查人员曹林涛刘婷曹陈兵施善官存在问题及隐患:1、料场无产品标签。2、机器电缆线摆放不整齐,而且旁边堆放铁块。整改措施:1、对料场进行整理,符合安全检查要求。2、机器电缆线重新盘起,放置安全无杂物地点。整改责任人(签字):年月日复查意见:项目负责人(签字):年月日项目部定期安全检查记录编号:工程名称二甲凯达佳苑小区检查时间2016年7月1日检查人员曹林涛刘婷曹陈兵施善官存在问题及隐患:1、配电房内无人定期清理。2、场地材料堆放较乱,垃圾较多未及时清理。整改措施:1、责令电工对配电房定期清理。2、由张毅负责安排各班组人员整理、清理地内垃圾,限二天内整改完毕。整改责任人(签字):年月日复查意见:项目负责人(签字):年月日安全检查记录编号:工程名称二甲凯达佳苑小区检查时间2015年7月15日检查人员曹林涛刘婷曹陈兵施善官存在问题及隐患:1、吊车挂绳有断丝。2、场地内电线摆放混乱,随意的摆放在地面上。整改措施:1、马上对吊车挂绳进行更换。2、对场地内电线整理,临时用电,电线必须架空。整改责任人(签字):年月日复查意见:项目负责人(签字):年月日安全检查记录编号:工程名称二甲凯达佳苑小区检查时间2015年8月1日检查人员曹林涛刘婷曹陈兵施善官存在问题及隐患:1、施工现场无安全警示牌,2、电焊作业人员未按安全要求做好防护。整改措施:1、对违章人员进行安全教育工作,要求其做好防护工作;2、施工现场张挂立安全警示牌。整改责任人(签字):年月日复查意见:项目负责人(签字):年月...

1、当您付费下载文档后,您只拥有了使用权限,并不意味着购买了版权,文档只能用于自身使用,不得用于其他商业用途(如 [转卖]进行直接盈利或[编辑后售卖]进行间接盈利)。
2、本站所有内容均由合作方或网友上传,本站不对文档的完整性、权威性及其观点立场正确性做任何保证或承诺!文档内容仅供研究参考,付费前请自行鉴别。
3、如文档内容存在违规,或者侵犯商业秘密、侵犯著作权等,请点击“违规举报”。

碎片内容

1、项目部安全检查记录表汇总

确认删除?
VIP
微信客服
  • 扫码咨询
会员Q群
  • 会员专属群点击这里加入QQ群
客服邮箱
回到顶部