电脑桌面
添加小米粒文库到电脑桌面
安装后可以在桌面快捷访问

G2-45排水沟或截水沟施工检验批质量检验记录表VIP免费

G2-45排水沟或截水沟施工检验批质量检验记录表_第1页
1/3
G2-45排水沟或截水沟施工检验批质量检验记录表_第2页
2/3
G2-45排水沟或截水沟施工检验批质量检验记录表_第3页
3/3
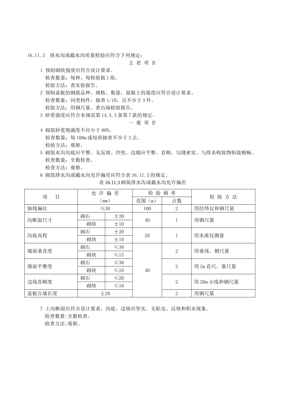
G2—45排水沟或截水沟施工检验批质量检验记录表CJJ1—2008工程名称施工单位单位工程名称分部工程名称分项工程名称验收部位项目经理技术负责人检验日期验收执行标准名称及编号《城镇道路工程施工与质量验收规范》(CJJ1-2008)检查项目检验依据或允许偏差(mm)检查结果主控项目1预制砌块强度符合设计要求2预制盖板品种规格、数量符合设计要求3混凝土强度符合设计要求4砂浆平均抗压强度符合设计规定,且min≥85%检查项目允许偏差或允许值(mm)检查结果/实测点偏差值或实测值123456789应测点数合格点数合格率%一般项目1砌筑水沟外观沟底平整、无反坡凹兜,边墙平整直顺、勾缝密实。与筑物衔接顺畅2土沟断面外观断面符合设计,沟底、边坡应坚实,无贴皮\反坡\积水3砌筑砂浆饱满度≥80%4沟断面尺寸砌石±20砌块±10续上页检查项目允许偏差或允许值(mm)检查结果/实测点偏差值或实测值123456789应测点数合格点数合格率%一般项目5沟底高程砌石±20砌块±106墙面垂直度砌石≤30砌块≤157墙面平整度砌石≤30砌块≤108边线直顺度砌石≤20砌块≤109盖板压墙长度±20一般项目平均合格率(%)施工单位检查评定结果项目专业质量检查员:年月日监理(建设)单位验收结论专业监理工程师:(建设单位项目专业技术负责人)年月日注:主控项目、一般项目的检查结果,需用语言描述的项,应按CJJ1-2008的要求详实描述;主控项目的计数检验项先填写“检验批主控项目计数检验记录表”(G1-1-1),然后将计数检验结果填写在本表相应的检查结果栏内;检验批一般项目计数检验数据较多、本表空格不够填写的项,可填写“检验批一般项目计数检验记录表”(G1-1-2),将该表作为本表的附页。排水沟或截水沟质量检验标准(CJJ1-2008)16.11.3排水沟或截水沟质量检验应符合下列规定:主控项目1预制砌块强度应符合设计要求。检查数量:每种、每检验批1组。检验方法:查实验报告。2预制盖板的钢筋品种、规格、数量,混凝土的强度应符合设计要求。检查数量:同类构件,抽查1/10,且不少于3件。检验方法:用钢尺量、查出场检验报告。3砂浆强度应符合本规范第14.5.3条第7款的规定。一般项目4砌筑砂浆饱满度不应小于80%。检查数量:每100m或每班抽查不少于3点。检验方法:观察。5砌筑水沟沟底应平整、无反坡、凹兜,边墙应平整、直顺、勾缝密实。与排水构筑物衔接顺畅。检查数量:全数检查。检查方法:观察。6砌筑排水沟或截水沟允许偏差应符合表16.11.3的规定。表16.11.3砌筑排水沟或截水沟允许偏差项目允许偏差(mm)检验频率检验方法范围(m)点数轴线偏位≤301002用经纬仪和钢尺量沟断面尺寸砌石±20401用钢尺量砌块±10沟底高程砌石±20201用水准仪测量砌块±10墙面垂直度砌石≤30402用垂线、钢尺量砌块≤15墙面平整度砌石≤302用2m直尺、塞尺量砌块≤10边线直顺度砌石≤202用20m小线和钢尺量砌块≤10盖板压墙长度±202用钢尺量7土沟断面应符合设计要求,沟底、边坡应坚实,无贴皮、反坡和积水现象。检查数量:全数检查。检查方法:观察。

1、当您付费下载文档后,您只拥有了使用权限,并不意味着购买了版权,文档只能用于自身使用,不得用于其他商业用途(如 [转卖]进行直接盈利或[编辑后售卖]进行间接盈利)。
2、本站所有内容均由合作方或网友上传,本站不对文档的完整性、权威性及其观点立场正确性做任何保证或承诺!文档内容仅供研究参考,付费前请自行鉴别。
3、如文档内容存在违规,或者侵犯商业秘密、侵犯著作权等,请点击“违规举报”。

碎片内容

G2-45排水沟或截水沟施工检验批质量检验记录表

您可能关注的文档

确认删除?
VIP
微信客服
  • 扫码咨询
会员Q群
  • 会员专属群点击这里加入QQ群
客服邮箱
回到顶部