电脑桌面
添加小米粒文库到电脑桌面
安装后可以在桌面快捷访问

IDC数据中心机房工程验收记录表VIP免费

IDC数据中心机房工程验收记录表_第1页
1/15
IDC数据中心机房工程验收记录表_第2页
2/15
IDC数据中心机房工程验收记录表_第3页
3/15
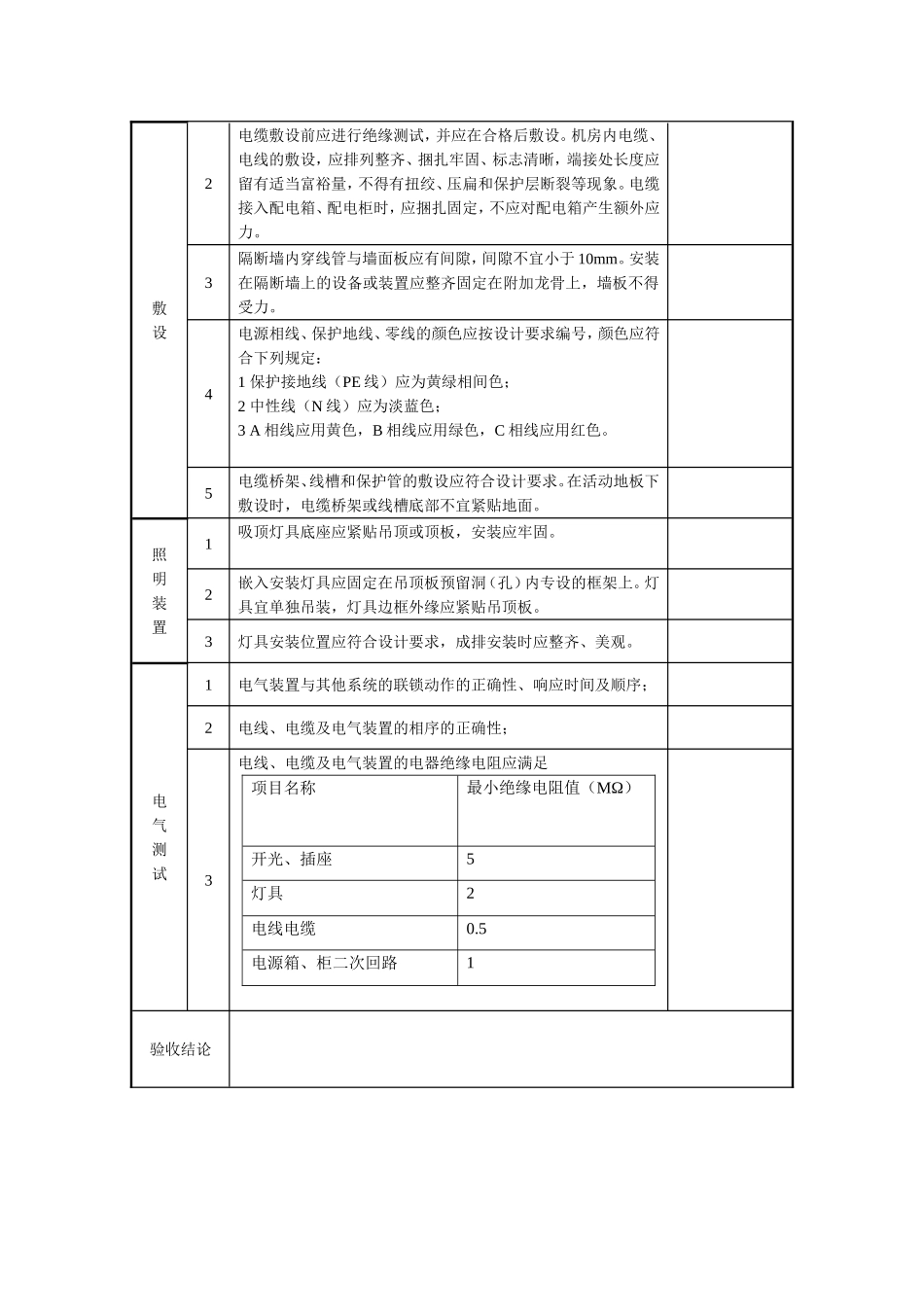
IDC数据中心机房工程验收记录表防雷与接地验收记录表编号YSJL-01工程名称施工单位分包单位建设单位监理单位施工执行标准名称及编号《电子信息系统机房施工及验收规范》GB50462-2008《建筑物电子信息系统防雷技术规范》GB50343-2004《建筑电气工程施工质量验收规范》GB50303-2002施工质量验收内容验收结论(记录)防雷与接地装置1浪涌保护器安装应牢固,接线应可靠。安装多个浪涌保护器时,安装位置、顺序应符合设计和产品说明书的要求2接地装置焊接应牢固,并应采取防腐措施。接地体埋设位置和深度应符合设计要求。引下线应固定。3接地电阻值无法满足设计要求时,应采取物理或化学降阻措施。4等电位联接金属带可采用焊接、熔接或压接。金属带表面应无毛刺、明显伤痕,安装应平整、连接牢固,焊接应进行防腐处理。接地线1接地线不得有机械损伤;穿越墙壁、楼板时应加装保护套管;在有化学腐蚀的位置应采取防腐措施;在跨越建筑物伸缩缝、沉降缝处、应弯成弧状,弧长宜为缝宽的1.5倍。2接地端子应做明显标记,接地线应沿长度方向用油漆刷成黄绿相间的条纹进行标记。3接地线的敷设应平直、整齐。转弯时,弯曲半径应符合规范规定。接地线的连接宜采用焊接,焊接应牢固、无虚焊,并应进行防腐处理。验收结论参加验收人员(签字)建设单位:时间:监理单位:时间:承建单位:时间:供配电系统验收记录表编号YSJL-02工程名称施工单位分包单位建设单位监理单位施工执行标准名称及编号《建筑电气工程施工质量验收规范》GB50303《电子信息系统机房施工及验收规范》GB50462-2008施工质量验收内容验收结论(记录)通用1电气装置、配件及其附属技术文件是否齐全;2线缆的型号、规格、敷设方式、相序、导通性、标志、保护等是否符合设计要求,已经隐蔽的应检查相关的隐蔽工程记录;3照明装置的型号、规格、安装方式、外观质量及开关动作的准确性与灵活性是否符合设计要求。4电气装置的型号、规格、安装方式是否符合设计要求;电气装置1电气装置的安装应牢固可靠、标志明确、内外清洁。安装垂直度偏差宜小于1.5‰;同类电气设备的安装高度,在设计无规定时应一致2开关、插座应按设计位置暗装,接线应正确、牢固。不间断电源插座应与其他电源插座有明显的形状或颜色区别3落地安装的电源箱、柜应有基座。安装前,应按接线图检查内部接线。基座及电源箱、柜安装应牢固,箱、柜内部不应受额外应力。接入电源箱、柜电缆的弯曲半径宜大于电缆最小允许弯曲半径。4不间断电源及其附属设备安装前应依据随即提供的数据,检查电压、电流及输入输出特性等参数,并应在符合设计要求后进行安装。安装及接线应正确、牢固。5蓄电池组的安装应符合设计及产品技术文件要求。蓄电池组重量超过楼板载荷时,在安装前应按设计采取加固措施。对于含有腐蚀性物质的蓄电池,安装时应采取防护措施。6电气装置与各系统的联锁应符合设计要求,联锁动作应正确。7隐蔽空间内安装电气装置时应留有维修路径和空间。配线及1线缆端头与电源箱、柜的接线端子应搪锡或镀银。线缆端头与电源箱、柜的连接应牢固、可靠,接触面搭接长度不应小于搭接面得宽度敷设2电缆敷设前应进行绝缘测试,并应在合格后敷设。机房内电缆、电线的敷设,应排列整齐、捆扎牢固、标志清晰,端接处长度应留有适当富裕量,不得有扭绞、压扁和保护层断裂等现象。电缆接入配电箱、配电柜时,应捆扎固定,不应对配电箱产生额外应力。3隔断墙内穿线管与墙面板应有间隙,间隙不宜小于10mm。安装在隔断墙上的设备或装置应整齐固定在附加龙骨上,墙板不得受力。4电源相线、保护地线、零线的颜色应按设计要求编号,颜色应符合下列规定:1保护接地线(PE线)应为黄绿相间色;2中性线(N线)应为淡蓝色;3A相线应用黄色,B相线应用绿色,C相线应用红色。5电缆桥架、线槽和保护管的敷设应符合设计要求。在活动地板下敷设时,电缆桥架或线槽底部不宜紧贴地面。照明装置1吸顶灯具底座应紧贴吊顶或顶板,安装应牢固。2嵌入安装灯具应固定在吊顶板预留洞(孔)内专设的框架上。灯具宜单独吊装,灯具边框外缘应紧贴吊顶板。3灯具安装位置应符合设计要求,成排安装时应整齐、美观...

1、当您付费下载文档后,您只拥有了使用权限,并不意味着购买了版权,文档只能用于自身使用,不得用于其他商业用途(如 [转卖]进行直接盈利或[编辑后售卖]进行间接盈利)。
2、本站所有内容均由合作方或网友上传,本站不对文档的完整性、权威性及其观点立场正确性做任何保证或承诺!文档内容仅供研究参考,付费前请自行鉴别。
3、如文档内容存在违规,或者侵犯商业秘密、侵犯著作权等,请点击“违规举报”。

碎片内容

IDC数据中心机房工程验收记录表

确认删除?
VIP
微信客服
  • 扫码咨询
会员Q群
  • 会员专属群点击这里加入QQ群
客服邮箱
回到顶部