电脑桌面
添加小米粒文库到电脑桌面
安装后可以在桌面快捷访问

装饰工程分部分项检验批质量验收记录表VIP免费

装饰工程分部分项检验批质量验收记录表_第1页
1/12
装饰工程分部分项检验批质量验收记录表_第2页
2/12
装饰工程分部分项检验批质量验收记录表_第3页
3/12
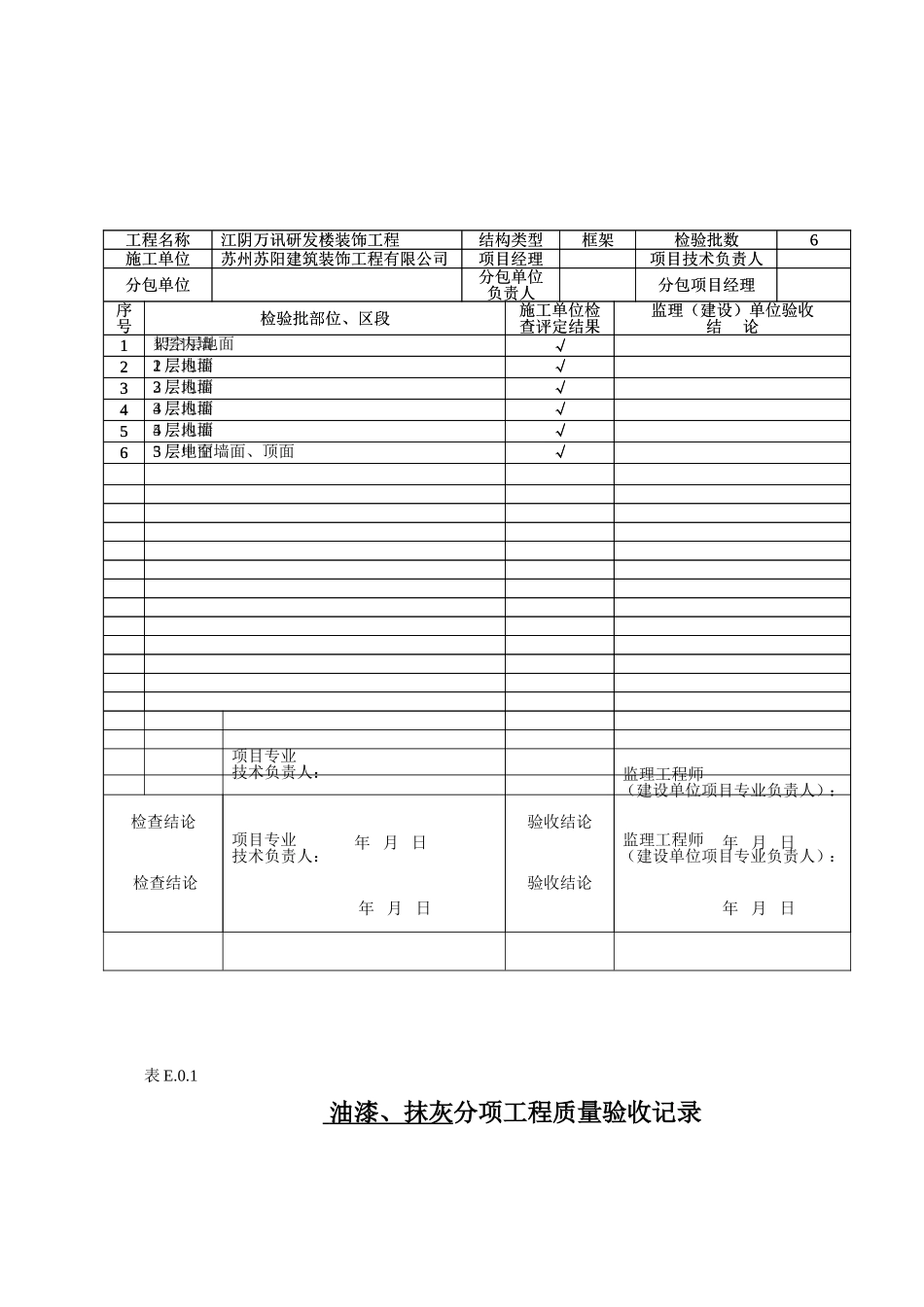
鹭园小区11#楼装饰装修分部工程检验批质量验收记录表表E.0.1找平层分项工程质量验收记录表E.0.1油漆、抹灰分项工程质量验收记录工程名称江阴万讯研发楼装饰工程结构类型框架检验批数6施工单位苏州苏阳建筑装饰工程有限公司项目经理项目技术负责人分包单位分包单位负责人分包项目经理序号检验批部位、区段施工单位检查评定结果监理(建设)单位验收结论1架空层地面√21层地面√32层地面√43层地面√54层地面√65层地面√检查结论项目专业技术负责人:年月日验收结论监理工程师(建设单位项目专业负责人):年月日工程名称江阴万讯研发楼装饰工程结构类型框架检验批数6施工单位苏州苏阳建筑装饰工程有限公司项目经理项目技术负责人分包单位分包单位负责人分包项目经理序号检验批部位、区段施工单位检查评定结果监理(建设)单位验收结论11层内墙√22层内墙√33层内墙√44层内墙√55层内墙√63层中空墙面、顶面√检查结论项目专业技术负责人:年月日验收结论监理工程师(建设单位项目专业负责人):年月日表E.0.1玻璃橱窗分项工程质量验收记录表E.0.1门、门套分项工程质量验收记录工程名称五洲星世纪商贸城3#楼结构类型框架砼检验批数2施工单位无锡长城装潢有限公司项目经理项目技术负责人分包单位分包单位负责人分包项目经理序号检验批部位、区段施工单位检查评定结果监理(建设)单位验收结论11层玻璃橱窗安装√22层玻璃橱窗安装√检查结论项目专业技术负责人:年月日验收结论监理工程师(建设单位项目专业负责人):年月日表E.0.1PVC地毯、地板分项工程质量验收记录瓷砖分项工程质量验收记录工程名称江阴万讯研发楼装饰工程结构类型框架检验批数5施工单位苏州苏阳建筑装饰工程有限公司项目经理项目技术负责人分包单位分包单位负责人分包项目经理序号检验批部位、区段施工单位检查评定结果监理(建设)单位验收结论11层门、门套安装√22层门、门套安装√33层门、门套安装√44层门、门套安装√55层门、门套安装√检查结论项目专业技术负责人:年月日验收结论监理工程师(建设单位项目专业负责人):年月日工程名称江阴万讯研发楼装饰工程结构类型框架检验批数5施工单位苏州苏阳建筑装饰工程有限公司项目经理项目技术负责人分包单位分包单位负责人分包项目经理序号检验批部位、区段施工单位检查评定结果监理(建设)单位验收结论11层室内地面PVC地板铺贴√22层室内地面PVC地毯、地板铺贴√33层室内地面PVC地毯、地板铺贴√44层室内地面PVC地毯、地板铺贴√55层室内地面PVC地毯、地板铺贴√检查结论项目专业技术负责人:年月日验收结论监理工程师(建设单位项目专业负责人):年月日工程名称江阴万讯研发楼装饰工程结构类型框架检验批数5施工单位苏州苏阳建筑装饰工程有限公司项目经理项目技术负责人分包单位分包单位负责人分包项目经理序号检验批部位、区段施工单位检查评定结果监理(建设)单位验收结论11层卫生间、污洗间墙、地面√22层卫生间、污洗间墙、地面√33层卫生间、污洗间墙、地面√44层卫生间、污洗间墙、地面√55层卫生间、污洗间墙、地面√检查结论项目专业技术负责人:年月日验收结论监理工程师(建设单位项目专业负责人):年月日表E.0.1护拦和扶手制作与安装分项工程质量验收记录工程名称江阴万讯研发楼装饰工程结构类型框架检验批数3施工单位苏州苏阳建筑装饰工程有限公司项目经理项目技术负责人分包单位分包单位负责人分包项目经理序号检验批部位、区段施工单位检查评定结果监理(建设)单位验收结论1东消防楼梯护拦和扶手制作与安装√2西消防楼梯护拦和扶手制作与安装√3景观楼梯护拦和扶手制作与安装√检查结论项目专业技术负责人:年月日验收结论监理工程师(建设单位项目专业负责人):年月日石膏板吊顶分项工程质量验收记录铝塑板分项工程质量验收记录工程名称江阴万讯研发楼装饰工程结构类型框架检验批数5施工单位苏州苏阳建筑装饰工程有限公司项目经理项目技术负责人分包单位分包单位负责人分包项目经理序号检验批部位、区段施工单位检查评定结果监理(建设)单位验收结论11层室内石膏板吊顶√22层室内石膏板吊顶√33层室内石膏板吊顶√44层室内石膏板吊顶...

1、当您付费下载文档后,您只拥有了使用权限,并不意味着购买了版权,文档只能用于自身使用,不得用于其他商业用途(如 [转卖]进行直接盈利或[编辑后售卖]进行间接盈利)。
2、本站所有内容均由合作方或网友上传,本站不对文档的完整性、权威性及其观点立场正确性做任何保证或承诺!文档内容仅供研究参考,付费前请自行鉴别。
3、如文档内容存在违规,或者侵犯商业秘密、侵犯著作权等,请点击“违规举报”。

碎片内容

装饰工程分部分项检验批质量验收记录表

确认删除?
VIP
微信客服
  • 扫码咨询
会员Q群
  • 会员专属群点击这里加入QQ群
客服邮箱
回到顶部