电脑桌面
添加小米粒文库到电脑桌面
安装后可以在桌面快捷访问

中等职业教育机械加工技术专业人才培养方案VIP免费

中等职业教育机械加工技术专业人才培养方案_第1页
1/15
中等职业教育机械加工技术专业人才培养方案_第2页
2/15
中等职业教育机械加工技术专业人才培养方案_第3页
3/15
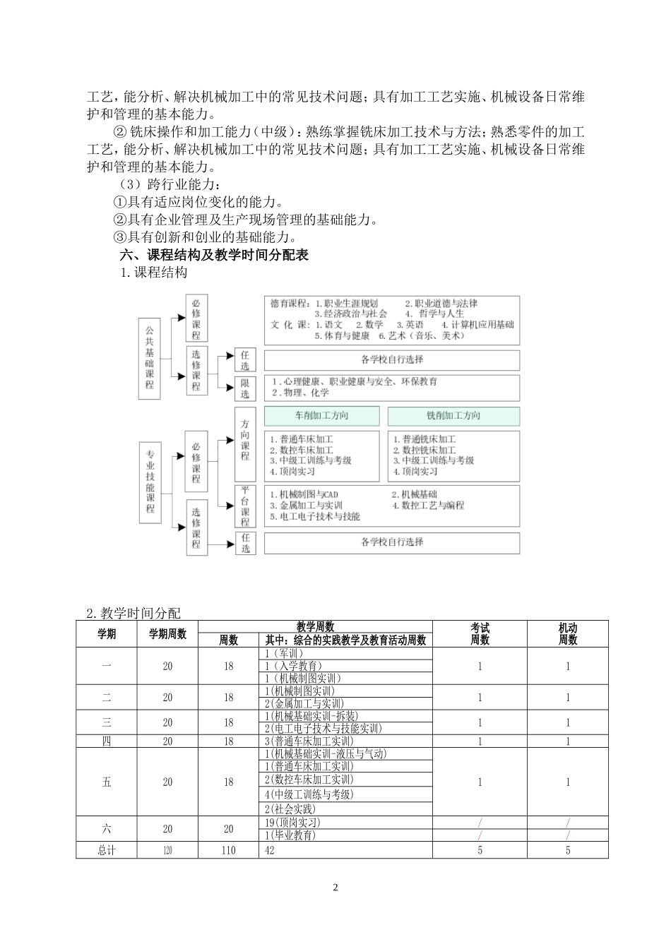
1机械加工技术专业指导性人才培养方案一、专业与专门化方向专业名称:机械加工技术(051200)专门化方向:车削加工、铣削加工二、入学要求与基本学制初中毕业生或具有同等学力者,基本学制3年。三、培养目标本专业培养德、智、体、美全面发展,具有良好的文化修养和职业道德,掌握机械加工技术专业对应职业岗位必备的知识与技能,能从事普通车床、数控车床或普通铣床、数控铣床加工和计算机绘图等工作,具备职业生涯发展基础和终身学习能力,能胜任生产、服务、管理一线工作的高素质劳动者和中等技术技能型人才。四、职业(岗位)面向、职业资格及继续学习专业注:每个专门化方向可根据区域经济发展对人才需求的不同,任选一个工种,获取职业资格证书。五、综合素质及职业能力1.综合素质(1)具有良好的道德素质、职业素养、竞争和创新意识;(2)具有健康的身体和心理;(3)具有良好的责任心、进取心和坚强的意志;(4)具有良好的人际交往、团队协作能力;(5)具有良好的书面表达和口头表达能力;(6)具有良好的人文素养和继续学习的能力;(7)具有基本的数学运算能力;(8)具有运用计算机进行技术交流和信息处理的能力;(9)具有查阅中、英文技术资料的基础能力。2.职业能力(1)行业通用能力:①识读图样能力:具有识读中等复杂零件图、简单装配图、简单电气图的能力;具有计算机绘制中等复杂程度零件图及简单装配图的能力。②手动加工能力:具有手工制作和加工零件的能力(初级)。③车床操作和加工能力(初级):具有编制实施普通车床、数控车床加工工艺的能力;具有正确选择刀具、夹具、量具的能力;具有刃磨常用刀具的能力;具有普通车床、数控车床操作和加工的能力;具有产品技术测量和质量控制的能力。④铣床操作和加工能力(初级):具有编制实施普通铣床、数控铣床加工工艺的能力;具有正确选择刀具、夹具、量具的能力;具有手工编制数控铣床加工程序的能力;具有普通铣床、数控铣床操作和加工的能力。(2)职业特定能力:①车床操作和加工能力(中级):熟练掌握车床加工技术与方法;熟悉零件的加工专门化方向职业(岗位)职业资格要求继续学习专业车削加工普通车床加工数控车床加工车工中级(国家职业资格四级)数控车工中级(国家职业资格四级)高职:1.机械设计与制造2.机械制造与自动化3.机械制造工艺与设备4.机械制造生产管理本科:1.机械设计制造及其自动化2.机械工程及自动化铣削加工普通铣床加工数控铣床加工铣工中级(国家职业资格四级)数控铣工操作工中级(国家职业资格四级)2工艺,能分析、解决机械加工中的常见技术问题;具有加工工艺实施、机械设备日常维护和管理的基本能力。②铣床操作和加工能力(中级):熟练掌握铣床加工技术与方法;熟悉零件的加工工艺,能分析、解决机械加工中的常见技术问题;具有加工工艺实施、机械设备日常维护和管理的基本能力。(3)跨行业能力:①具有适应岗位变化的能力。②具有企业管理及生产现场管理的基础能力。③具有创新和创业的基础能力。六、课程结构及教学时间分配表1.课程结构2.教学时间分配学期学期周数教学周数考试周数机动周数周数其中:综合的实践教学及教育活动周数一20181(军训)111(入学教育)1(机械制图实训)二20181(机械制图实训)112(金属加工与实训)三20181(机械基础实训-拆装)112(电工电子技术与技能实训)四20183(普通车床加工实训)11五20181(机械基础实训-液压与气动)111(普通车床加工实训)2(数控车床加工实训)4(中级工训练与考级)2(社会实践)六202019(顶岗实习)//1(毕业教育)//总计12011042553七、教学进程安排课程类别序号课程名称学时数课程教学各学期周学时总学时学分一二三四五六18周18周18周18周18周20周15周3周15周3周15周3周15周3周8周10周20周公共基础课程1德育课必修职业生涯规划3022职业道德与法律3022经济政治与社会3022哲学与人生3022限选心理健康3224职业健康与安全环保教育2文化课必修语文2401544443数学2101343344英语210134334计算机应用基础1208445体育与健康1369222226艺术(音乐、美术)302118限选物理75432化学9任选课程1298433小计130282242118199专业技能课程10基础...

1、当您付费下载文档后,您只拥有了使用权限,并不意味着购买了版权,文档只能用于自身使用,不得用于其他商业用途(如 [转卖]进行直接盈利或[编辑后售卖]进行间接盈利)。
2、本站所有内容均由合作方或网友上传,本站不对文档的完整性、权威性及其观点立场正确性做任何保证或承诺!文档内容仅供研究参考,付费前请自行鉴别。
3、如文档内容存在违规,或者侵犯商业秘密、侵犯著作权等,请点击“违规举报”。

碎片内容

中等职业教育机械加工技术专业人才培养方案

学海无涯书城+ 关注
实名认证
内容提供者

热爱教育事业,爱好互联网行业

确认删除?
VIP
微信客服
  • 扫码咨询
会员Q群
  • 会员专属群点击这里加入QQ群
客服邮箱
回到顶部