电脑桌面
添加小米粒文库到电脑桌面
安装后可以在桌面快捷访问

水利工程验收表(范本)VIP专享VIP免费

水利工程验收表(范本)_第1页
1/35
水利工程验收表(范本)_第2页
2/35
水利工程验收表(范本)_第3页
3/35
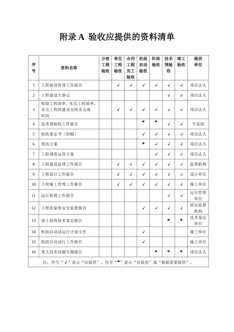
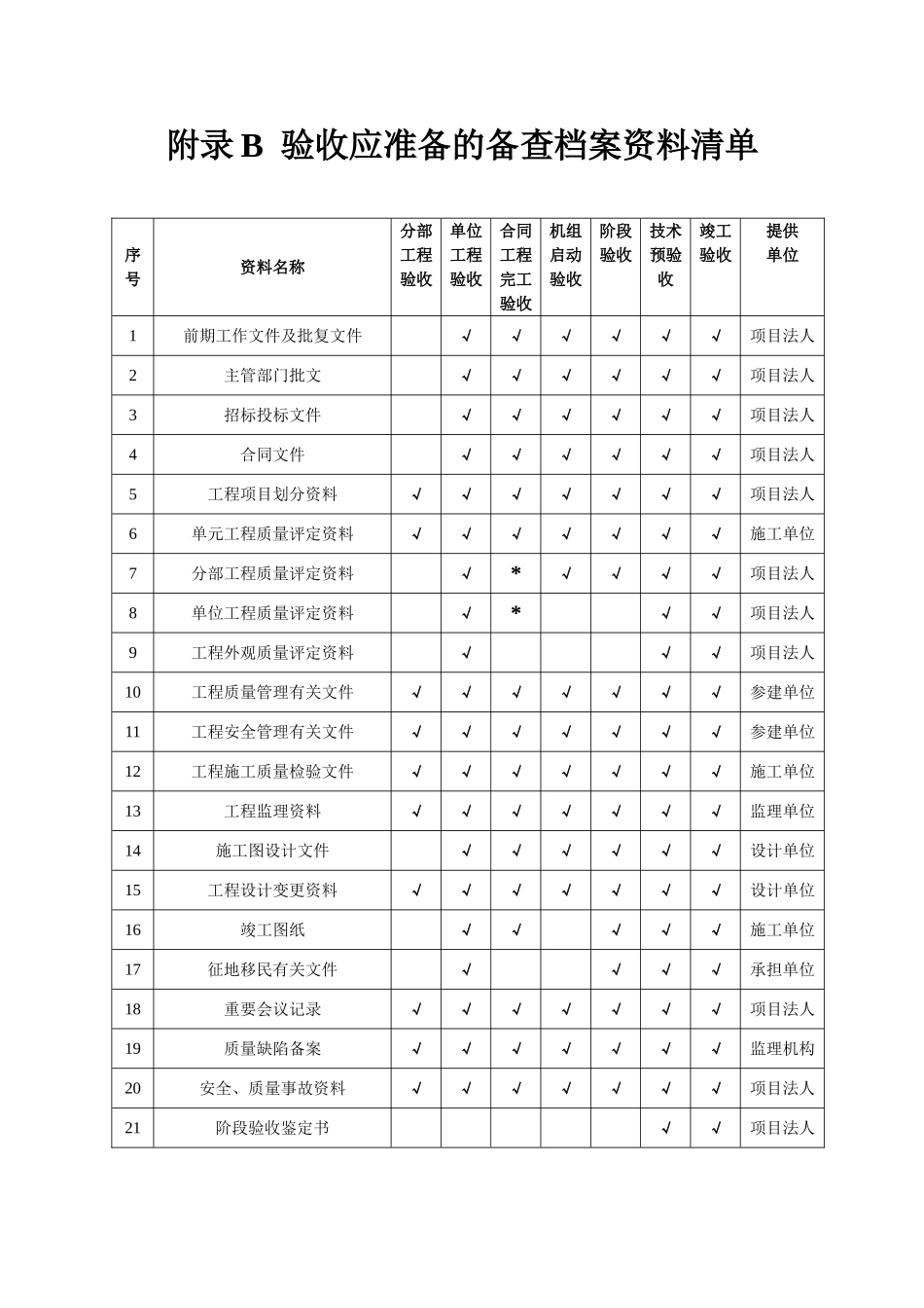
水利水电建设工程验收附录表根据中华人民共和国水利行业标准《水利水电建设工程验收规程》SL233-2008规程要求制订,其表中不详处请参照规程执行。附录A验收应提供的资料清单序号资料名称分部工程验收单位工程验收合同工程完工验收机组启动验收阶段验收技术预验收竣工验收提供单位1工程建设管理工作报告√√√√√√项目法人2工程建设大事记√√项目法人3拟验工程清单、未完工程清单、未完工程的建设安排及完成时间√√√√√√项目法人4技术预验收工作报告**√√专家组5验收鉴定书(初稿)√√√√项目法人6度汛方案*√√√项目法人7工程调度运用方案√√√项目法人8工程建设监理工作报告√√√√√√监理机构9工程设计工作报告√√√√√√设计单位10工程施工管理工作报告√√√√√√施工单位11运行管理工作报告√√运行管理单位12工程质量和安全监督报告√√√√质安监督机构13竣工验收技术鉴定报告**技术鉴定单位14机组启动试运行计划文件√施工单位15机组启动试行工作报告√施工单位16重大技术问题专题报告***项目法人注:符号“√”表示“应提供”,符号“*”表示“宜提供”或“根据需要提供”。附录B验收应准备的备查档案资料清单序号资料名称分部工程验收单位工程验收合同工程完工验收机组启动验收阶段验收技术预验收竣工验收提供单位1前期工作文件及批复文件√√√√√√项目法人2主管部门批文√√√√√√项目法人3招标投标文件√√√√√√项目法人4合同文件√√√√√√项目法人5工程项目划分资料√√√√√√√项目法人6单元工程质量评定资料√√√√√√√施工单位7分部工程质量评定资料√*√√√√项目法人8单位工程质量评定资料√*√√项目法人9工程外观质量评定资料√√√项目法人10工程质量管理有关文件√√√√√√√参建单位11工程安全管理有关文件√√√√√√√参建单位12工程施工质量检验文件√√√√√√√施工单位13工程监理资料√√√√√√√监理单位14施工图设计文件√√√√√√设计单位15工程设计变更资料√√√√√√√设计单位16竣工图纸√√√√√施工单位17征地移民有关文件√√√√承担单位18重要会议记录√√√√√√√项目法人19质量缺陷备案√√√√√√√监理机构20安全、质量事故资料√√√√√√√项目法人21阶段验收鉴定书√√项目法人序号资料名称分部工程验收单位工程验收合同工程完工验收机组启动验收阶段验收技术预验收竣工验收提供单位22竣工决算及审计资料√√项目法人23工程建设中使用的技术标准√√√√√√√参建单位24工程建设标准强制性条文√√√√√√√参建单位25专项验收有关文件√√项目法人26安全、技术鉴定报告√√√项目法人27其他档案资料根据需要由有关单位提供注:符号“√”表示“应提供”,符号“*”表示“宜提供”或“根据需要提供”。附录C法人验收工作计划内容要求一、工程概况二、工程项目划分三、工程建设总进度计划四、法人验收工作计划附录D法人验收申请报告内容要求一、验收范围二、工程验收条件的检查结果三、建议验收时间(年月日)附录E分部工程验收鉴定书格式编号:×××××××工程××××××分部工程验收鉴定书单位工程名称:××××分部工程验收工作组年月日前言(包括验收依据、组织机构、验收过程等)一、分部工程开工完工日期二、分部工程建设内容三、施工过程及完成的主要工程量四、质量事故及质量缺陷处理情况五、拟验工程质量评定(包括单元工程、主要单元工程个数、合格率和优良率施工单位自评结果;监理单位复核意见;分部工程质量等级评定意见)六、验收遗留问题及处理意见七、结论八、保留意见(保留意见人签字)九、分部工程验收工作组成员签字表十、附件:验收遗留问题处理记录附录F单位工程验收鉴定书格式编号:×××××××工程××××××单位工程验收鉴定书××××单位工程验收工作组年月日验收主持单位:法人验收监督管理机构:项目法人:代建机构(如有时):设计单位:监理单位:施工单位:主要设备制造(供应)商单位:质量和安全监督机构:运行管理单位:验收时间(年月日)验收地点:前言(包括验收依据、组织机构、验收过程等)一、单位工程概况(一)单位工程...

1、当您付费下载文档后,您只拥有了使用权限,并不意味着购买了版权,文档只能用于自身使用,不得用于其他商业用途(如 [转卖]进行直接盈利或[编辑后售卖]进行间接盈利)。
2、本站所有内容均由合作方或网友上传,本站不对文档的完整性、权威性及其观点立场正确性做任何保证或承诺!文档内容仅供研究参考,付费前请自行鉴别。
3、如文档内容存在违规,或者侵犯商业秘密、侵犯著作权等,请点击“违规举报”。

碎片内容

水利工程验收表(范本)

确认删除?
VIP
微信客服
  • 扫码咨询
会员Q群
  • 会员专属群点击这里加入QQ群
客服邮箱
回到顶部