电脑桌面
添加小米粒文库到电脑桌面
安装后可以在桌面快捷访问

设备培训计划及方案VIP免费

设备培训计划及方案_第1页
1/2
设备培训计划及方案_第2页
2/2
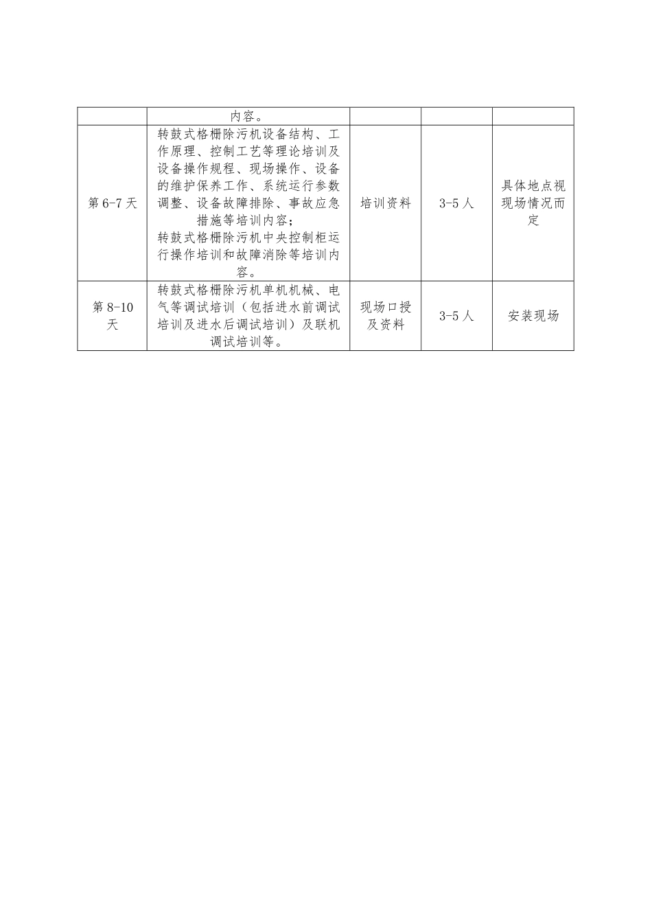
培训计划及方案1、培训目的为了使本项目所涉及现场维护人员能全面地了解设备,增强维护和使用设备的技能,我们除了向用户提供整个设备的技术说明、操作说明和相关的文档之外,还将负责组织对现场设备管理维护人员进行全面高质量的培训。培训的目的主要是使管理和使用设备的人员不仅对设备有足够的认识,而且能完全胜任所承担的工作,确保设备安全可靠地运行。培训内容主要包括转鼓式格栅除污机设备结构、工作原理、控制工艺等理论培训及设备操作规程、现场操作、设备的维护保养工作、设备安装调试、设备运行参数调整、设备故障排除、事故应急措施等内容。2、培训对象现场设备管理维护人员设备管理维护人员是指对项目中的设备进行管理和维护的人员。这部分人员经过培训,主要能达到以下目标:了解设备结构、运行工作原理、设备控制工艺等内容;掌握设备操作规程、设备维护保养方法设备运行参数调整等;掌握设备一般性故障的诊断、定位和排除方法;指导一般操作人员的现场工作等。3、培训形式为了使培训达到最佳效果,使用户获得尽可能多的知识和经验,我们将采用多种途径对用户进行培训:现场授课:由专业的售后服务人员,在现场对用户进行培训。通常由设备的操作说明书作为资料支持,现场设备操作为辅助。现场指导:在项目执行过程中,我们的工程时在实际操作中,会详细讲解操作步骤,指导客户操作,并解答客户的问题。4、培训计划及方案具体培训计划及方案详见下表:培训时间培训内容培训方式受训人员培训场所第1-5天根据先理论后实践的原则,开展转鼓式格栅除污机安装技术培训、安装条件、注意事项等培训现场口授及资料3-5人安装现场内容。第6-7天转鼓式格栅除污机设备结构、工作原理、控制工艺等理论培训及设备操作规程、现场操作、设备的维护保养工作、系统运行参数调整、设备故障排除、事故应急措施等培训内容;转鼓式格栅除污机中央控制柜运行操作培训和故障消除等培训内容。培训资料3-5人具体地点视现场情况而定第8-10天转鼓式格栅除污机单机机械、电气等调试培训(包括进水前调试培训及进水后调试培训)及联机调试培训等。现场口授及资料3-5人安装现场

1、当您付费下载文档后,您只拥有了使用权限,并不意味着购买了版权,文档只能用于自身使用,不得用于其他商业用途(如 [转卖]进行直接盈利或[编辑后售卖]进行间接盈利)。
2、本站所有内容均由合作方或网友上传,本站不对文档的完整性、权威性及其观点立场正确性做任何保证或承诺!文档内容仅供研究参考,付费前请自行鉴别。
3、如文档内容存在违规,或者侵犯商业秘密、侵犯著作权等,请点击“违规举报”。

碎片内容

设备培训计划及方案

您可能关注的文档

确认删除?
VIP
微信客服
  • 扫码咨询
会员Q群
  • 会员专属群点击这里加入QQ群
客服邮箱
回到顶部