电脑桌面
添加小米粒文库到电脑桌面
安装后可以在桌面快捷访问

特种设备2018年度培训计划及实施方案VIP免费

特种设备2018年度培训计划及实施方案_第1页
1/3
特种设备2018年度培训计划及实施方案_第2页
2/3
特种设备2018年度培训计划及实施方案_第3页
3/3
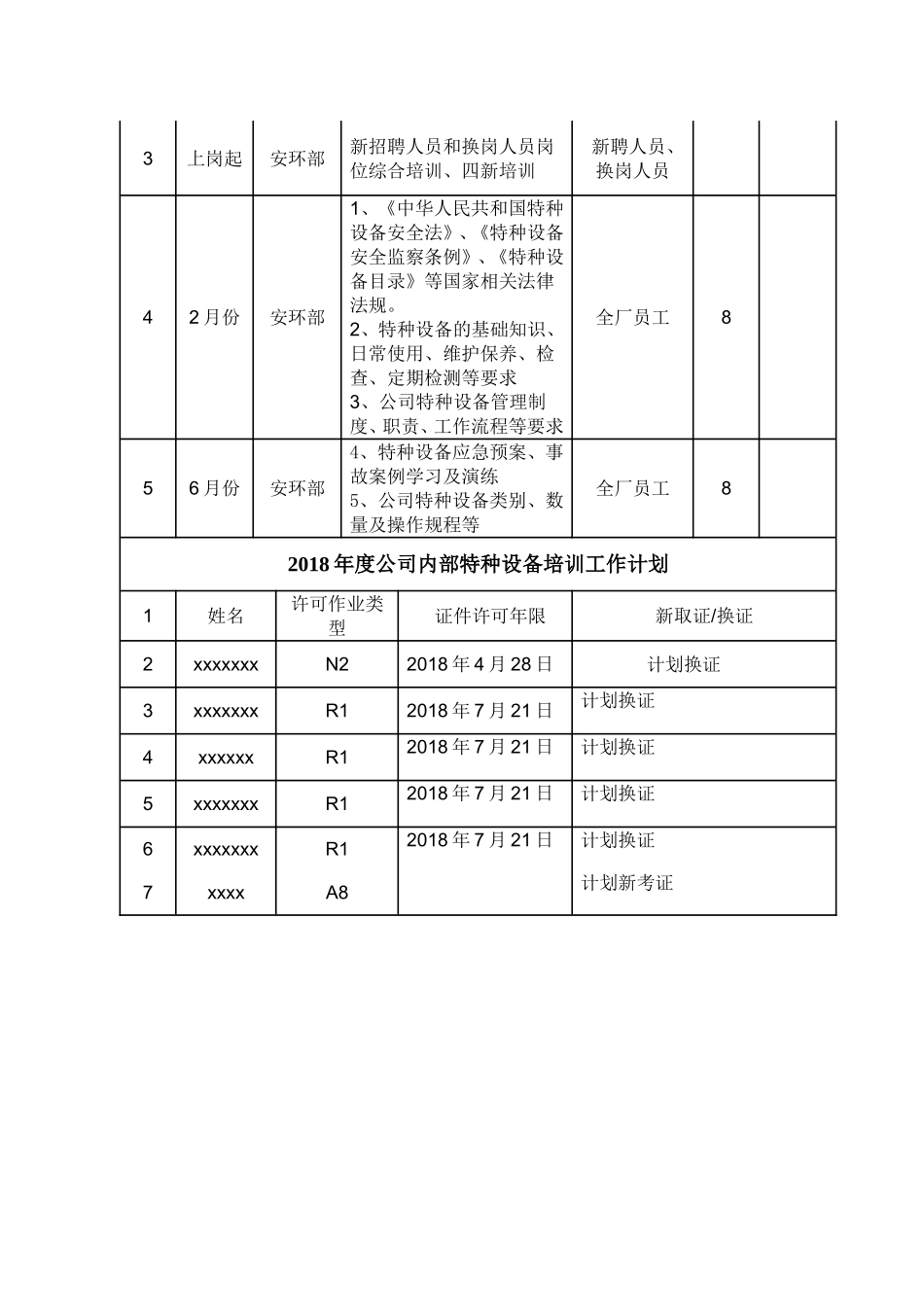
xxxxxxxxxxxxx有限公司二〇一八年特种设备培训计划及实施方案根据公司2018年生产工作安排,为保证安全生产切实落到实处,在做好特种设备管理工作的情况下,认真开展年度培训工作。在安全生产标准化达标创建的同时,加强规章制度的落实,提高全员环境、健康、安全意识,保证安全生产的正常开展,现提出如下实施方案。一、培训目标通过培训,使员工树立基本的特种设备安全基本使用安全意识;了解《特种设备安全法》等国家有关法律法规和制度,以及池州中瑞化工有限公司管理制度的相关内容;全员参与安全检查、认真做好5S管理;实行“6S”责任制和工作许可;向事故学习,增强安全技能,杜绝同类事故再次发生等;了解公司所有的规章制度,更加自觉地遵守和执行管理规定,全面完成公司设定的安全目标。二、培训安排1、集中培训以年初复产培训为契机,每年的复产培训为公司集中培训;2、重点培训每年2到5月份为事故多发时期,尤其是春节以后,部分员工思想意识还停留在春节的喜庆之中,工作中可能存在麻痹大意,最后诱发安全事故发生。这个阶段将重点开展安全意识培训,辅以安全检查和险肇事故报告,强力推行工作许可,实行特殊作业审批程序,警醒大家工作必须安全。每年夏季,天气炎热,工作负荷较大,员工工作时间较长,夜间休息不好导致精神状态疲劳,尤其是6月份立秋以后思想渐渐放松,容易诱发安全事故。这个阶段员工在接受培训学习的基础上,重点加强岗位隐患排查,加快整改步伐,提升措施完成率。3、针对性培训各部门自行组织,利用班组会议、交接班以及看板等形式,自己授课自己考核;三、培训范围公司在岗的所有人员。四、培训授课人公司安环部经理、特种设备管理员、车间主任等。五、培训主要内容:(计划表见附件)1、《特种设备安全法》等法律、法规;2、公司特种设备安全管理制度;3、特种设备应急预案及演练;4、特种设备安全操作规程;5、安全考核细则等。七、培训要求:1、采取公司统筹安排,综合部统一安排,各部门具体负责的原则。由安环部负责培训的总体工作,为安全教育培训的主管部门。2、各部门要保证进度、保证课时。3、严格培训制度,培训结束,进行综合考评,考试成绩记入个人档案并纳入月度考核。二〇一八年十二月三十一日附:2018年度公司内部特种设备培训工作计划序号培训日期承办部门培训内容受训部门培训课时备注14月份安环部特种作业证、安全管理人员从业证培训生产工人、管理人员N2、A827月份安环部特种作业证、安全管理人员从业证培训生产工人、管理人员R13上岗起安环部新招聘人员和换岗人员岗位综合培训、四新培训新聘人员、换岗人员42月份安环部1、《中华人民共和国特种设备安全法》、《特种设备安全监察条例》、《特种设备目录》等国家相关法律法规。2、特种设备的基础知识、日常使用、维护保养、检查、定期检测等要求3、公司特种设备管理制度、职责、工作流程等要求全厂员工856月份安环部4、特种设备应急预案、事故案例学习及演练5、公司特种设备类别、数量及操作规程等全厂员工82018年度公司内部特种设备培训工作计划1姓名许可作业类型证件许可年限新取证/换证2xxxxxxxN22018年4月28日计划换证3xxxxxxxR12018年7月21日计划换证4xxxxxxR12018年7月21日计划换证5xxxxxxxR12018年7月21日计划换证6xxxxxxxR12018年7月21日计划换证7xxxxA8计划新考证

1、当您付费下载文档后,您只拥有了使用权限,并不意味着购买了版权,文档只能用于自身使用,不得用于其他商业用途(如 [转卖]进行直接盈利或[编辑后售卖]进行间接盈利)。
2、本站所有内容均由合作方或网友上传,本站不对文档的完整性、权威性及其观点立场正确性做任何保证或承诺!文档内容仅供研究参考,付费前请自行鉴别。
3、如文档内容存在违规,或者侵犯商业秘密、侵犯著作权等,请点击“违规举报”。

碎片内容

特种设备2018年度培训计划及实施方案

您可能关注的文档

确认删除?
VIP
微信客服
  • 扫码咨询
会员Q群
  • 会员专属群点击这里加入QQ群
客服邮箱
回到顶部