电脑桌面
添加小米粒文库到电脑桌面
安装后可以在桌面快捷访问

上承式拱桥施工组织设计VIP免费

上承式拱桥施工组织设计_第1页
1/26
上承式拱桥施工组织设计_第2页
2/26
上承式拱桥施工组织设计_第3页
3/26
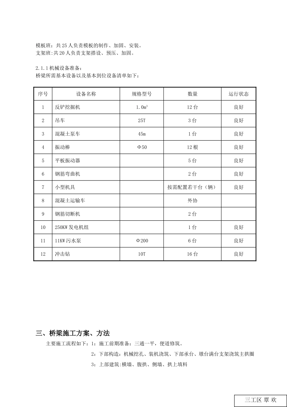
刘家湖桥施工方案一、工程概况本工程为鼎城阳明路跨刘家湖水域桥梁工程,桥梁桩号k0+491.6~k0+593.9。桥梁为3跨钢筋混凝土上承式拱桥,全桥分左右两幅。跨径组合为:25.2m+29.4m+25.2m=79.8m,两侧桥台宽度各9m,,桥梁总长97.8m。桥面总宽50m,单幅组成4.5m(人行道)+6.25m(辅道)+3m(交标线)+11.25m(车行道)=25m.桥梁下部结构墩、台桩基础均为Φ1.50m钻孔灌注摩擦桩,共计120根桩,桩长46m~50m。桩中心间距4.50*4.50m。1#、2#墩设双排桩,0#、3#墩设三排桩。0号、3号桥台均为C25片石混凝土重力式桥台,桥台拱座为C30钢筋砼。1号、2号桥墩为C30钢筋砼实体桥墩桥梁上部结构主拱圈和腹拱圈均采用圆弧板拱。中跨主拱圈净跨径为27m.净矢高为5m.净矢跨比为5/27;边跨主拱圈净跨径为23.2,净矢高为4.9m,净矢跨比为4.9/23.2;腹拱圈净跨径为2.7m,净矢高为1.35m,净矢跨比为1/2。桥面系及附属结构采用拱上填料用LC10轻骨料混凝土填平,然后铺设三油二毡沥青防水层,桥面铺装采用20~48.5cm水泥稳定碎石层及沥青砼铺装层。人行道采用10cm人行道板,2cm厚M10水泥砂浆层及烧结砖铺筑。人行道栏杆采用镂空青石护栏。二、施工准备与部署1、施工目标(1)、本工程质量方针:质量第一,服务周到,业主满意。(2)、本工程质量目标:工程一次验收合格率100%,工程优良率达90%以上。(3)、本工程工期目标:总工期6个月。(4)、本工程安全目标:安全第一,保证“三无一杜绝”、“一创建”。即无工伤死亡事故,无交通死亡事故,无工程安全事故,杜绝重伤事故;创建文明工地,实现“五无”(无重大人身伤亡事故,无行车险性以上事故,无重大质量事故,无火灾事故)和“两控制”(职工重伤频率控制在0.5‰以下,轻伤频率控制在3‰以下);(5)、环境保护目标:严格遵守国家环保、水保法规,加强管理,规范施工,创建“文明施工,环境保护”样板工地。2、施工准备2.1组织准备组成现场项目经理部,作为公司在施工现场的主管,以便对整个工程的资金周转进行调度安排,确保施工顺利进行,并能使工程进度中机械、劳力、技术人员的提供和补充进行决策,在全公司调动,以保证本工程在质量、安全、进度和文明施工等方面得以保证;并选择对类似现场环境中施工有足够实际经验的专业施工队伍来承建本工程。项目部管理人员及职责表施工班组人员安排:钢筋班:共20人负责钢筋制作、绑札,模板安装。支架班:负责支架搭设。混凝土班:共200人负责砼施工。预应力班组负责:预应力索班:共10人负责安装、封锚、张拉、切割。部门人员安排职责经理室负责人:工程总负责,组织项目的安全生产、经营、投资控制,协调各部门关系,组织ISO9002质量管理体系的运行总工室负责人:技术总负责,负责主持编制、审核、批准施工方案、各项计划、各项技术交底文件,主持工程变更设计和对施工队伍的结算,监督施工方案的实施综合办公室负责人:负责后勤保障、工地宣传、对外协调工程部负责人:进行现场施工管理,详细记录施工中的各种情况,对各工序进行严格控制,协助各专业组填写专用表格质检部负责人:负责全面质量检查,成品验收,填写、报验各类验收表格及资料,确保优质工程测量组负责人:负责测量,放样,检测并填写有关报检表格试验室负责人:负责各种材料和各工序中的全部试验并填写验收表格机料管理室负责人:负责提供各种原材料及设备的组织,协助试验组做好相关材料试验,填写相应表格合约部负责人:负责工程计划的编制、实施,合同的管理,计量支付、工程结算财务部负责人:负责财务项目往来,负责成本核算、并进行资金控制安全部负责人:负责项目安全生产综合管理、制定并呈报安全计划、安全技术方案和具体安全措施,并督促检查落实;定期组织安全大检查,及时整改安全事故隐患,参与安全事故处理。模板班:共25人负责模板的制作、加固、安装。支架班:共20人负责支架搭设、预压、加固。2.1.1机械设备准备:桥梁所需基本设备以及基本到位设备清单如下:三、桥梁施工方案、方法主要施工流程如下:1:施工前期准备:三通一平,便道修筑。2:下部构造:机械挖孔、装机浇筑、下部承台、墩台满台支架浇筑主拱圈3:上部建筑:横墙、腹...

1、当您付费下载文档后,您只拥有了使用权限,并不意味着购买了版权,文档只能用于自身使用,不得用于其他商业用途(如 [转卖]进行直接盈利或[编辑后售卖]进行间接盈利)。
2、本站所有内容均由合作方或网友上传,本站不对文档的完整性、权威性及其观点立场正确性做任何保证或承诺!文档内容仅供研究参考,付费前请自行鉴别。
3、如文档内容存在违规,或者侵犯商业秘密、侵犯著作权等,请点击“违规举报”。

碎片内容

上承式拱桥施工组织设计

您可能关注的文档

确认删除?
VIP
微信客服
  • 扫码咨询
会员Q群
  • 会员专属群点击这里加入QQ群
客服邮箱
回到顶部