电脑桌面
添加小米粒文库到电脑桌面
安装后可以在桌面快捷访问

投标书封面格式直接打印VIP专享VIP免费

投标书封面格式直接打印_第1页
1/9
投标书封面格式直接打印_第2页
2/9
投标书封面格式直接打印_第3页
3/9
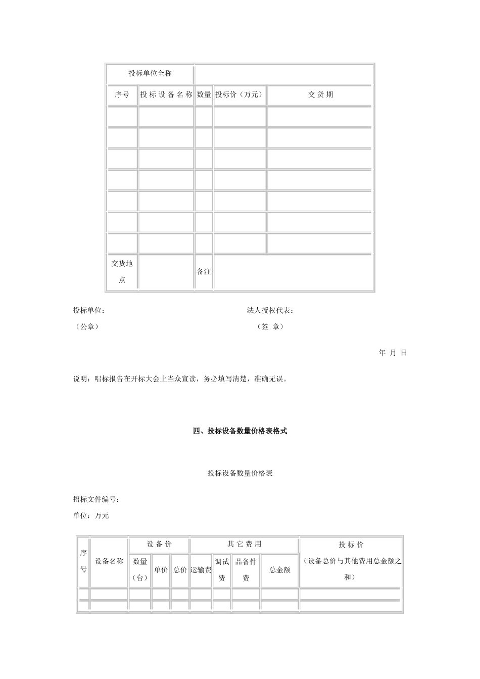
投标书一、投标书封面格式投标书建设项目名称:投标单位:投标单位全权代表:投标单位:(公章)年月日二、投标书格式投标书致:___________________________________根据贵方为___________________________________项目招标采购货物及服务的投标邀请___________________________________(招标编号),签字代表______________________(全名、职务)经正式授权并代表投标人____________________(投标方名称、地址)提交下述文件正本一份和副本一式_______份。(1)开标一览表(2)投标价格表(3)货物简要说明一览表(4)按投标须知第14、15条要求提供的全部文件(5)资格证明文件(6)投标保证金,金额为人民币____________________元。据此函,签字代表宣布同意如下:1.所附投标报价表中规定的应提供和交付的货物投标总价为人民币____________________元。2.投标人将按招标文件的规定履行合同责任和义务。3.投标人已详细审查全部招标文件,包括修改文件(如需要修改)以及全部参考资料和有关附件。我们完全理解并同意放弃对这方面有不明及误解的权利。4.其投标自开标日期有效期为____________________个日历日。5.如果在规定的开标日期后,投标人在投标有效期内撤回投标,其投标保证金将被贵方没收。6.投标人同意提供按照贵方可能要求的与其投标有关的一切数据或资料,完全理解不一定要接受最低价格的投标或受到的任何投标。7.与本投标有关的一切正式往来通讯请寄:地址:___________________________________邮编:___________________________________电话:___________________________________传真:___________________________________投标人代表性名、职务:___________________________________投标人名称(公章):___________________________________日期:______年___月___日全权代表签字:_________________三、开标大会唱标报告格式开标大会唱标报告投标单位全称序号投标设备名称数量投标价(万元)交货期交货地点备注投标单位:法人授权代表:(公章)(签章)年月日说明:唱标报告在开标大会上当众宣读,务必填写清楚,准确无误。四、投标设备数量价格表格式投标设备数量价格表招标文件编号:单位:万元序号设备名称设备价其它费用投标价(设备总价与其他费用总金额之和)数量(台)单价总价运输费调试费品备件费总金额投标单位:(盖章)法人授权代表:(签字)五、企业法人营业执照影印件企业法人营业执照影印件,实行许可证制度的,还须提供生产许可证影印件。企业法人营业执照影印件六、投标企业资格报告投标企业资格报告须知1.投标人投标时,应填写和提交规定的格式1、格式2,以及提供其它有关资料。2.对所附表格中要求的资料和询问应作出肯定的回答。3.资格文件的签字人应保证他所作的声明以及回答一切问题的真实性和准确性。4.投标人提供的资格文件将由投标人和买方使用,并据此进行评价和判断,确定投标人的资格和能力。5.招标人对投标人提交的文件将予以保密,但不退还。6.全部文件应以中文书写,正本1份,副本_______份,按投标人须知第18体条封装。格式1资格声明(招标机构)___________________________________:为响应贵方_______年____月____日第_________号招标邀请,下述签字人愿意参加投标,提供货物需求一览表中规定的(货物品目号和名称),提交下述文件并证明全部说明是真实的和正确的。1.由(制造厂商)提供的(货物品目号和名称)参加投标。授权书1份正本,1份副本。签字人代表该制造厂家并受其约束。2.制造厂家的资格声明,有1份正本,______份副本。3.下述签字人在证书中证明本资格文件中的内容是真实的和正确的,同时附上我方银行(银行名称)出具的资信证明。制造厂家:授权签署本资格文件人:名称:___________________________________签字:__________________________________________地址:___________________________________打印的姓名:____________________________________电话:___________________________________职务:__________________________________________传真:__________________________...

1、当您付费下载文档后,您只拥有了使用权限,并不意味着购买了版权,文档只能用于自身使用,不得用于其他商业用途(如 [转卖]进行直接盈利或[编辑后售卖]进行间接盈利)。
2、本站所有内容均由合作方或网友上传,本站不对文档的完整性、权威性及其观点立场正确性做任何保证或承诺!文档内容仅供研究参考,付费前请自行鉴别。
3、如文档内容存在违规,或者侵犯商业秘密、侵犯著作权等,请点击“违规举报”。

碎片内容

投标书封面格式直接打印

确认删除?
VIP
微信客服
  • 扫码咨询
会员Q群
  • 会员专属群点击这里加入QQ群
客服邮箱
回到顶部