电脑桌面
添加小米粒文库到电脑桌面
安装后可以在桌面快捷访问

深基坑监理实施细则-发表VIP免费

深基坑监理实施细则-发表_第1页
1/8
深基坑监理实施细则-发表_第2页
2/8
深基坑监理实施细则-发表_第3页
3/8
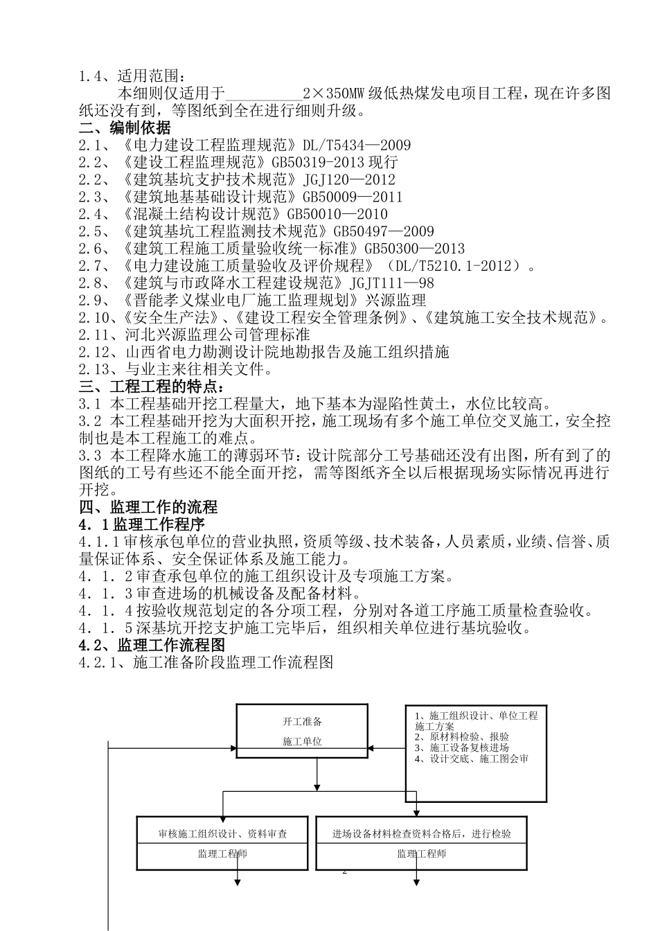
目录一、工程概况…………………………………………………………………………2二、编制依据…………………………………………………………………………2三、工程特点…………………………………………………………………………3四、监理工作流程……………………………………………………………………3五、监理工作的控制要点及目标…………………………………………………6六、监理工作方法及措施……………………………………………………………7七、安全生产与文明施工的监督管理……………………………………………10一、工程概况_________2×350MW级低热煤发发电项目工程厂址位于:_____市____工业园区内,工程规模为2×350兆瓦超临界间接空冷供热机组,配2×1189.5吨/时超临界循环流化床锅炉、一次中间再热、抽凝式汽轮发电机组、双水内冷冷却发电机,采用炉内加石灰石+炉外石灰石石膏湿法脱硫,同步建设SNCR+SCR脱硝装置,安装布袋除尘器+湿式静电除尘器,厂区距孝义市中心____km交通便利。本期工程的深基坑主要有:本期工程深基坑基础工程(输煤转运站基础、主厂房基础、凝结水泵坑基础、汽轮机基础、烟囱基础、间冷塔基础、雨水泵房等)。1.2、参建单位:建设单位:_________________________________有限公司勘探单位:_________________________省电力勘测设计院设计单位:_________________________省电力勘测设计院监理单位:_____________________工程建设监理有限公司施工单位:__________工程有限责任公司(地基处理标段)A标段:__________________________电力建设有限公司B标段:_______________________火电建设集团有限公司1.3、建设工期:计划工期:A标段计划开工日期为_____年___月___日,计划完工日期为_____年___月___日,总工期为_____个月;B标段计划开工日期为_____年___月___日,计划完工日期为_____年___月___日,总工期为_____个月。11.4、适用范围:本细则仅适用于__________2×350MW级低热煤发电项目工程,现在许多图纸还没有到,等图纸到全在进行细则升级。二、编制依据2.1、《电力建设工程监理规范》DL/T5434—20092.2、《建设工程监理规范》GB50319-2013现行2.2、《建筑基坑支护技术规范》JGJ120—20122.3、《建筑地基基础设计规范》GB50009—20112.4、《混凝土结构设计规范》GB50010—20102.5、《建筑基坑工程监测技术规范》GB50497—20092.6、《建筑工程施工质量验收统一标准》GB50300—20132.7、《电力建设施工质量验收及评价规程》(DL/T5210.1-2012)。2.8、《建筑与市政降水工程建设规范》JGJT111—982.9、《晋能孝义煤业电厂施工监理规划》兴源监理2.10、《安全生产法》、《建设工程安全管理条例》、《建筑施工安全技术规范》。2.11、河北兴源监理公司管理标准2.12、山西省电力勘测设计院地勘报告及施工组织措施2.13、与业主来往相关文件。三、工程工程的特点:3.1本工程基础开挖工程量大,地下基本为湿陷性黄土,水位比较高。3.2本工程基础开挖为大面积开挖,施工现场有多个施工单位交叉施工,安全控制也是本工程施工的难点。3.3本工程降水施工的薄弱环节:设计院部分工号基础还没有出图,所有到了的图纸的工号有些还不能全面开挖,需等图纸齐全以后根据现场实际情况再进行开挖。四、监理工作的流程4.1监理工作程序4.1.1审核承包单位的营业执照,资质等级、技术装备,人员素质,业绩、信誉、质量保证体系、安全保证体系及施工能力。4.1.2审查承包单位的施工组织设计及专项施工方案。4.1.3审查进场的机械设备及配备材料。4.1.4按验收规范划定的各分项工程,分别对各道工序施工质量检查验收。4.1.5深基坑开挖支护施工完毕后,组织相关单位进行基坑验收。4.2、监理工作流程图4.2.1、施工准备阶段监理工作流程图2开工准备施工单位1、施工组织设计、单位工程施工方案2、原材料检验、报验3、施工设备复核进场4、设计交底、施工图会审审核施工组织设计、资料审查监理工程师进场设备材料检查资料合格后,进行检验监理工程师否不合格同意合格不符合4.2.2、施工阶段监理工作流程图否3审核结果检验结果退场承包商业主签署施工组织设计...

1、当您付费下载文档后,您只拥有了使用权限,并不意味着购买了版权,文档只能用于自身使用,不得用于其他商业用途(如 [转卖]进行直接盈利或[编辑后售卖]进行间接盈利)。
2、本站所有内容均由合作方或网友上传,本站不对文档的完整性、权威性及其观点立场正确性做任何保证或承诺!文档内容仅供研究参考,付费前请自行鉴别。
3、如文档内容存在违规,或者侵犯商业秘密、侵犯著作权等,请点击“违规举报”。

碎片内容

深基坑监理实施细则-发表

您可能关注的文档

确认删除?
VIP
微信客服
  • 扫码咨询
会员Q群
  • 会员专属群点击这里加入QQ群
客服邮箱
回到顶部