电脑桌面
添加小米粒文库到电脑桌面
安装后可以在桌面快捷访问

大型不锈钢箱体的焊接工艺设计VIP专享VIP免费

大型不锈钢箱体的焊接工艺设计_第1页
1/6
大型不锈钢箱体的焊接工艺设计_第2页
2/6
大型不锈钢箱体的焊接工艺设计_第3页
3/6
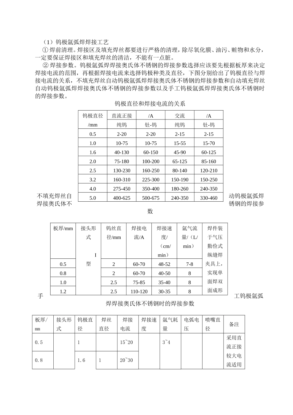
大型不锈钢箱体的焊接工艺设计不锈钢作为应用最广、最重要的耐腐蚀材料,在工业运输、高科技产品、金属结构件及家庭用品中都有广泛的应用,随着国民经济的发展、科学技术的进步、矿业及冶金技术的发达和国际交流的扩大、我国的不锈钢的生产在各个领域的应用迅速扩大不锈钢材料的焊接及其对材质变化的影响也越来越多的得到人们的关注。镀膜室箱体为奥氏体不锈钢真空压力容器,其结构为箱式结构件,外形尺寸长宽高是2000mm×2300mm×600mm,对角线只差要求小与等于2mm,各平面的的平面度要求小于等于1mm,相连2件的垂直度要求小于等于1mm。镀膜室箱体是由方口法兰组建,顶板组件,前侧板组件,后侧板组件,底板组件等构成,方口法兰组件又是由δ=1.5mm的不锈钢板折弯形成的水道及δ=26-28mm的厚板组成。各组件焊缝较长,要求焊后无缝隙,整个箱体的总长大概在20m左右。该箱体所使用的材料在国内的牌号是0Cr18Ni9,为奥氏体不锈钢,奥氏体不锈钢根据化学成分分类可以分为以下三类:1)18-8型奥氏体不锈钢这是应用最早、最广泛的一类奥氏体不锈钢,也是奥氏体不锈钢的基本钢种,其他奥氏体不锈钢的钢号都是根据不同使用要求由18-8型不锈钢而衍生出来的。2)18-12Mo型奥氏体不锈钢。3)25-20型奥氏体不锈钢。根据组织的特点又可以分为以下三类1)非稳定化奥氏体不锈钢。2)稳定化奥氏体不锈钢。3)单项奥氏体不锈钢。奥氏体不锈钢可采用熔焊的任何一种方法进行焊接,人们常用的焊接方法有焊条电弧焊,和气体保护焊。等离子弧焊接、真空电子束焊接和激光焊接等高能焊,在奥氏体不锈钢的焊接中也逐步得到了应用。1)焊条电弧焊焊条电弧焊因为其使用的设备简单,操作方便,灵活可靠,适应性强等原因而得到了广泛的运用,但是焊条电弧焊也有明显的缺点,就是劳动的条件差生产的效率低,难以实现自动化,只是用与单件和小批量产品的焊接。2)埋弧焊埋弧焊是一种机械化程度较高的焊接方法,效率高。埋弧焊所用的焊接电流比较大,电流密度大,加之焊剂和焊渣的隔热效果,它的热功率较高,熔深也大,比较适合中厚板的平焊。3)气体保护焊气体保护焊是采用气体作为保护介质并保护电弧和焊接区的电弧焊。一般情况下,奥氏体不锈钢都是以氩气保护焊为主。氩气保护焊又分为钨极氩弧焊和熔化极氩弧焊两种。钨极氩弧焊能获得高质量的焊缝,并且能进行全位置的焊接,钨极氩弧焊时,母材金属加热的特点介于气焊和焊条电弧焊之间,并且可以在很小的焊接电流(≤10A)下,电弧依旧可以稳定的燃烧,非常适用与焊接薄或者是超薄奥氏体不锈钢的焊接构件。在施焊的过程中,不会产生飞溅,焊缝成形也相当美观,不存在焊壳,不需要清理。钨极氩弧焊也有缺点,它虽然能获得良好的焊接质量,但是电流的限制,使其焊接电流不能太大,钨极氩弧焊在焊接中厚板时,生产的效率低,劳动条件差,焊接变形大,并且影响焊接接头抗腐蚀性能,不能满足中厚板的生产需求。而熔化极气体保护焊使用焊丝作为电极,焊接电流就可以大大的提高,生产效率也得到了提高,焊接中厚板时,不需要预热,改善了劳动的条件,减少了焊接变形,也提高了焊接接头的耐腐蚀性。所以熔化极氩弧焊比较适用于中等和大厚板材的焊接。根据该产品的结构特点,箱体的内部空间较小,无法实现自动焊接,焊条电弧焊及埋弧焊等方法难以达到,所以该产品选择手工操作钨极氩弧焊和和半自动熔化极氩弧焊两种焊接方法进行焊接。下图是关于氩弧焊的焊接分类:一、钨极氩弧焊(1)钨极氩弧焊焊接工艺①焊前清理。焊接区及填充焊丝都要进行严格的清理,除尽氧化膜、油污、赃物和水分,一定要保证焊接区和填充焊丝的清洁,不能有一点脏。②焊接参数。钨极氩弧焊焊接奥氏体不锈钢的焊接参数选择应该要先根据板厚来决定焊接电流的范围,再根据焊接电流来选择钨极种类及直径,下图分别给出了钨极直径与焊接电流的关系,不填充焊丝自动钨极氩弧焊焊接奥氏体不锈钢的焊接参数和自动填充焊丝自动钨极氩弧焊焊接奥氏体不锈钢的焊接参数以及手工钨极氩弧焊焊接奥氏体不锈钢时的焊接参数。钨极直径和焊接电流的关系不填充焊丝自动钨极氩弧焊焊接奥氏体不锈钢的焊接参数手工钨极氩...

1、当您付费下载文档后,您只拥有了使用权限,并不意味着购买了版权,文档只能用于自身使用,不得用于其他商业用途(如 [转卖]进行直接盈利或[编辑后售卖]进行间接盈利)。
2、本站所有内容均由合作方或网友上传,本站不对文档的完整性、权威性及其观点立场正确性做任何保证或承诺!文档内容仅供研究参考,付费前请自行鉴别。
3、如文档内容存在违规,或者侵犯商业秘密、侵犯著作权等,请点击“违规举报”。

碎片内容

大型不锈钢箱体的焊接工艺设计

确认删除?
VIP
微信客服
  • 扫码咨询
会员Q群
  • 会员专属群点击这里加入QQ群
客服邮箱
回到顶部