电脑桌面
添加小米粒文库到电脑桌面
安装后可以在桌面快捷访问

测量放线表格全套VIP免费

测量放线表格全套_第1页
1/12
测量放线表格全套_第2页
2/12
测量放线表格全套_第3页
3/12
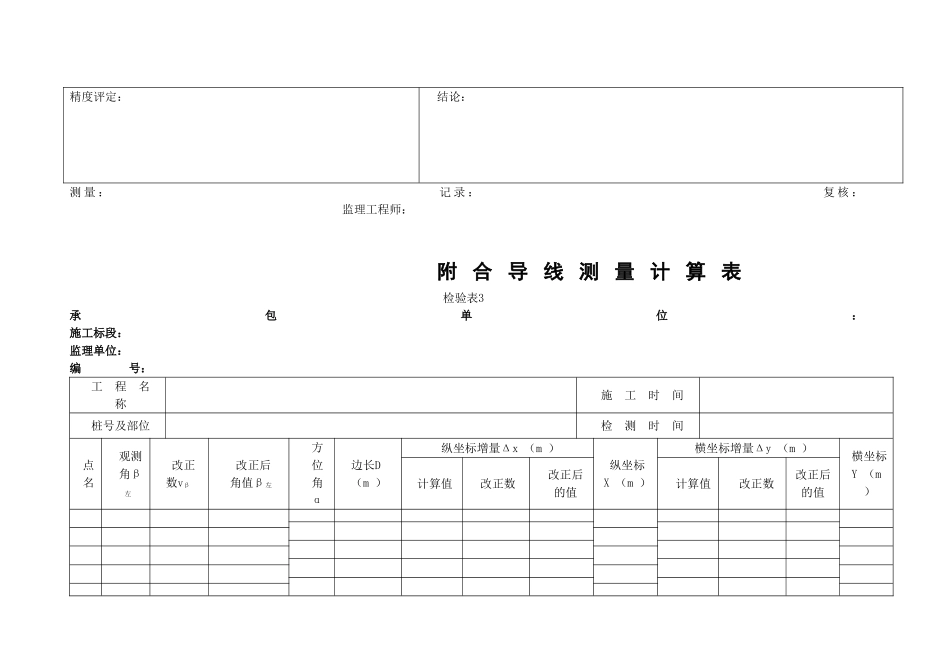
导线点测量报表检验表1承包单位:施工标段:监理单位:编号:工程名称施工时间桩号及部位检测时间导线点编号设计坐标实测坐标坐标差设计距离实测距离距离偏差设计夹角实测夹角角度偏差XYXY△X△Y测量:记录:复核:监理工程师:施工增加导线点测量报表检验表2承包单施工标段:监理单位:编号:工程名称施工时间桩号及部位检测时间日期施工导线点引用设计批复导线点偏差(㎜)说明编号位置坐标编号位置坐标XYZXYZΔXΔYΔZ精度评定:结论:测量:记录:复核:监理工程师:附合导线测量计算表检验表3承包单位:施工标段:监理单位:编号:工程名称施工时间桩号及部位检测时间点名观测角β左改正数vβ改正后角值β左方位角α边长D(m)纵坐标增量Δx(m)纵坐标X(m)横坐标增量Δy(m)横坐标Y(m)计算值改正数改正后的值计算值改正数改正后的值角度闭合差及改正数计算:坐标增量闭合差计算:导线相对闭合差计算:草图:见附图测量:记录:复核:监理工程师:水准点测量报表检验表4承包单位:施工标段:监理单位:编号:工程名称施工时间桩号及部位检测时间水准点编号设计高程实测高程偏差水准点编号设计高程实测高程偏差测量:记录:复核:监理工程师:施工增加水准点测量报表检验表5承包单位:施工标段:监理单位:编号:工程名称施工时间桩号及部位检测时间日期施工水准点BM引用设计时水准点BML(KM)或n(个)容(mm)测(mm)水准仪型号说明编号位置高程编号位置高程水准仪型号:L:水准线路距离n:测站数容:允许闭合差测:实测闭合差位置:点之记结论:测量:记录:复核:监理工程师:路线主点桩测量报表检验表6承包单位:施工标段:监理单位:编号:工程名称施工时间桩号及部位检测时间桩号设计坐标实测坐标差值地面高程备注XYXY△X△Y设计实测差值测量:记录:复核:监理工程师:施工放线测量记录表检验表7承包单位:施工标段:监理单位:编号:工程名称施工时间桩号及部位检测时间测点桩号设计坐标(m)实测坐标(m)偏差(㎜)示意图:XYZXYZ△X△Y△Z计算单位(m)A测站点坐标X=Y=Z=仪器型号B后视点坐标X=Y=Z=C检测点坐标X=Y=Z=定向方位:距离:自检情况:监理意见:测量:记录:复核:监理工程师:施工放样测量报表检验表8承包单位:施工标段:监理单位:编号:工程名称施工时间桩号及部位检测时间测点桩号设计坐标(m)实测坐标(m)设计高程(m)实测高程(m)示意图:XYXY计算值A测站点坐标X=Y=Z=仪器型号B后视点坐标X=Y=Z=C检测点坐标X=Y=Z=定向方位:距离:测量:记录:复核:监理工程师:

1、当您付费下载文档后,您只拥有了使用权限,并不意味着购买了版权,文档只能用于自身使用,不得用于其他商业用途(如 [转卖]进行直接盈利或[编辑后售卖]进行间接盈利)。
2、本站所有内容均由合作方或网友上传,本站不对文档的完整性、权威性及其观点立场正确性做任何保证或承诺!文档内容仅供研究参考,付费前请自行鉴别。
3、如文档内容存在违规,或者侵犯商业秘密、侵犯著作权等,请点击“违规举报”。

碎片内容

测量放线表格全套

您可能关注的文档

确认删除?
VIP
微信客服
  • 扫码咨询
会员Q群
  • 会员专属群点击这里加入QQ群
客服邮箱
回到顶部