电脑桌面
添加小米粒文库到电脑桌面
安装后可以在桌面快捷访问

监控系统施工计划书VIP免费

监控系统施工计划书_第1页
1/4
监控系统施工计划书_第2页
2/4
监控系统施工计划书_第3页
3/4
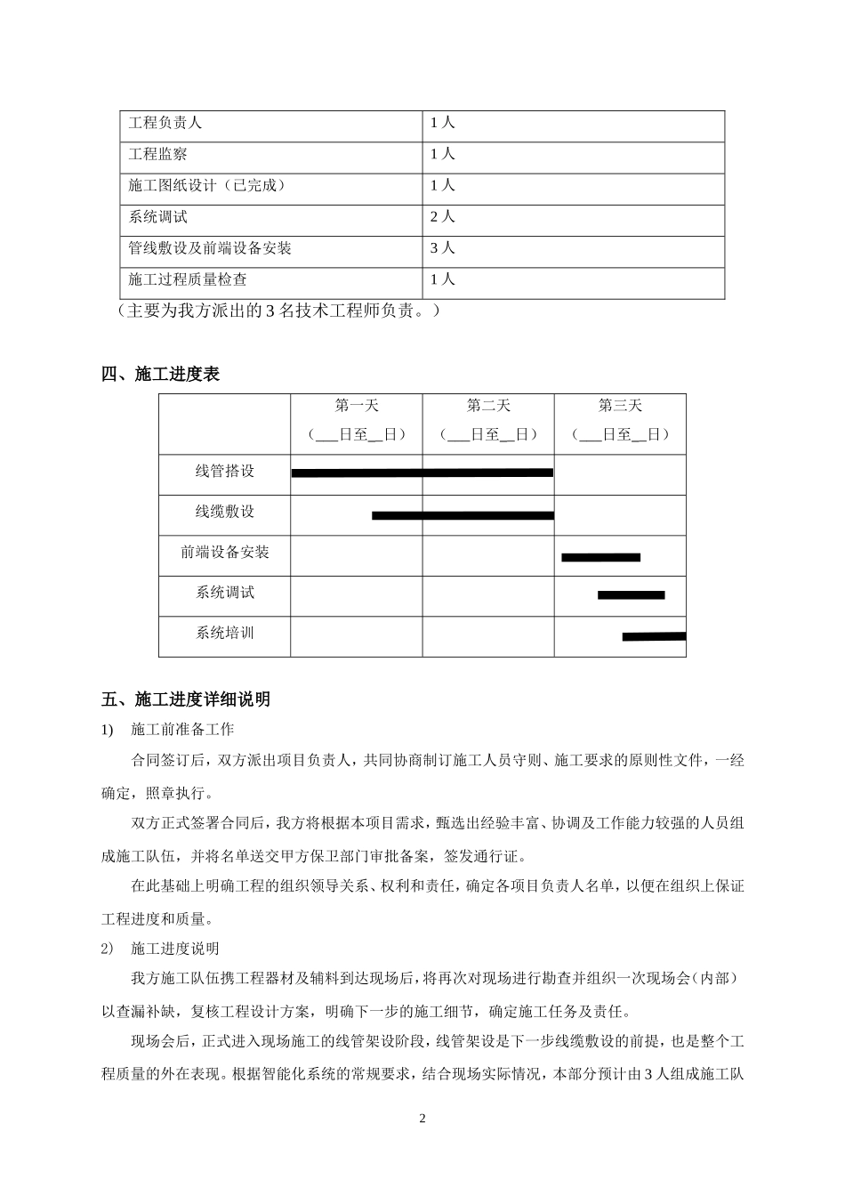
1视频监控系统施工计划书文件编号:________________一、工程简况工程名称惠氏车间高清网络视频监控系统工程类型工程地址建设单位联系人地址联系电话设计单位联系人地址联系电话施工单位联系人地址联系电话二、项目实施说明本项目为惠氏车间高清视频监控系统。我方拟定出3名技术工程师组成本次监控系统安装调试队伍,进行整个工程的安装调试工作。工期初步预定为3天,其中线管搭设、线缆敷设约为2天,前端设备安装调试需时1天,安装调试完毕后,对甲方值班、操作人员进行系统培训;其中有交叉情况存在。工期计算以设备到现场后为开工日期,结束时间以培训结束时间为准;工期最后一天如遇休息日,则以下一工作日为准;其中,若遇甲方现场停电、协调人员未到位等特殊情况,双方协商后,工期顺延。安装调试完毕后,拟达到如下要求:高清网络视频监控系统:1)可看到车间内部预设区域人员及生产情况;2)图像清晰,符合相关评定标准;3)监控视频同步录制,录像数据保存至少一个月以上;4)前端设备安装牢固、可靠,中心控制室设备整齐、完好,可正常工作。三、工程实施人员安排2工程负责人1人工程监察1人施工图纸设计(已完成)1人系统调试2人管线敷设及前端设备安装3人施工过程质量检查1人(主要为我方派出的3名技术工程师负责。)四、施工进度表第一天(___日至_日)第二天(___日至_日)第三天(___日至_日)线管搭设线缆敷设前端设备安装系统调试系统培训五、施工进度详细说明1)施工前准备工作合同签订后,双方派出项目负责人,共同协商制订施工人员守则、施工要求的原则性文件,一经确定,照章执行。双方正式签署合同后,我方将根据本项目需求,甄选出经验丰富、协调及工作能力较强的人员组成施工队伍,并将名单送交甲方保卫部门审批备案,签发通行证。在此基础上明确工程的组织领导关系、权利和责任,确定各项目负责人名单,以便在组织上保证工程进度和质量。2)施工进度说明我方施工队伍携工程器材及辅料到达现场后,将再次对现场进行勘查并组织一次现场会(内部)以查漏补缺,复核工程设计方案,明确下一步的施工细节,确定施工任务及责任。现场会后,正式进入现场施工的线管架设阶段,线管架设是下一步线缆敷设的前提,也是整个工程质量的外在表现。根据智能化系统的常规要求,结合现场实际情况,本部分预计由3人组成施工队3伍,需时1天。线缆敷设为整个工程的基础,任务较重,劳动强度大;根据本项目实际情况,预计由3人用时1天完成;同时需注意安装质量,做好随工验收工作。在线缆敷设部分结束后可立刻调配部分人员开始进行系统前端设备的安装工作;前端设备的安装,并着手进行系统调试,根据现场实际情况,拟用1/2天的时间;对值班、操作人员的系统培训,由我方项目负责人和技术工程师对甲方使用人员分别进行系统操作、一般维护的培训,为期1/2天;培训后,使甲方接受培训人员达到能正确操作和维护系统,符合上岗资格的要求。六、施工材料清单序号设备名称型号/规格品牌单位数量1网络高清枪形摄像机LC2200-AN-IR3,H.264,200万像素,最大分辨率1920×1080,IP66,30米红外,内置6mm镜头科达台72NVR硬盘录像机9路IPCam,最高分辨率1080P,最大输入带宽45Mbps,4路720P回放能力,8×SATA,1×eSATA,1×VGA,1×HDMI,单千兆网口科达台13监控专用硬盘2TB希捷块14电源适配器DC12V2A维邦只75摄像机支架定制支76三层交换机带2光口华为台27低压电源线国标扬州西贝米2008网络线CAT.6E安普箱29室内多模光纤四芯格亿达米80010光纤配线箱定制个111光纤跳线丰豪对112光纤熔接定制式1413辅材国产式1(本施工计划书完)

1、当您付费下载文档后,您只拥有了使用权限,并不意味着购买了版权,文档只能用于自身使用,不得用于其他商业用途(如 [转卖]进行直接盈利或[编辑后售卖]进行间接盈利)。
2、本站所有内容均由合作方或网友上传,本站不对文档的完整性、权威性及其观点立场正确性做任何保证或承诺!文档内容仅供研究参考,付费前请自行鉴别。
3、如文档内容存在违规,或者侵犯商业秘密、侵犯著作权等,请点击“违规举报”。

碎片内容

监控系统施工计划书

您可能关注的文档

确认删除?
VIP
微信客服
  • 扫码咨询
会员Q群
  • 会员专属群点击这里加入QQ群
客服邮箱
回到顶部