电脑桌面
添加小米粒文库到电脑桌面
安装后可以在桌面快捷访问

特种设备定期检验周期汇总表VIP免费

特种设备定期检验周期汇总表_第1页
1/7
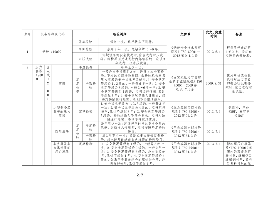
特种设备定期检验周期汇总表_第2页
2/7
特种设备定期检验周期汇总表_第3页
3/7
特种设备定期检验周期汇总表1/7序号设备名称及代码检验周期文件号发文、实施时间备注1锅炉(1000)外部检验每年一次,运行状态下进行。《锅炉安全技术监察规程》TSGG0001-2012第9.4.2条2013.6.1移装及停止运行1年以上,投运前应进行内部检验。内部检验一般每2年一次。电站锅炉,3~6年。水压试验怀疑设备的安全状况时,应当进行耐压试验。结构原因无法进行内部检验的,应该3年进行一次水压试验。2压力容器(2000)固定式(2100)常规年度检查每年至少一次。《固定式压力容器安全技术监察规程》TSGR0004-2009第6.8,7.3条2009.8.31使用单位或检验机构对压力容器的安全状况有怀疑时,应当进行耐压试验。定期检查全面检验一般应当于投用后3年内进行首次全面检验。下次的定期检验周期,由检验机构根据压力容器的安全状况等级确定。1.安全状况等级为1、2级的,一般每6年一次;2.安全状况等级为3级的,一般3~6年一次;3.安全状况等级为4级的,应当监控使用,累计不超过3年;4.安全状况等级为5级的,应当对缺陷进行处理,否则不得继续使用。小型制冷装置中的压力容器定期检验1.安全状况等级为1、2、3级的,一般每3年一次;2.安全状况等级为4级的,应当监控使用,累计不超过3年;3.安全状况等级为5级的,检验结论为不符合要求,应当对缺陷进行处理,否则不得继续使用。《压力容器定期检验规则》TSGR7001-2013第C4.2条2013.7.1氨制冷,单台≤5M3,总容积≤10M3医用氧舱定期检验年度检验每年至少一次;连续停用时间达到6个月的氧舱,重新投入使用前,应当按照年度检验进行。《压力容器定期检验规则》TSGR7001-2013第B1.2条2013.7.1全面检验每3年至少一次;改造或重大维修监督检验,对未涉及改造或重大维修的检验项目。非金属及非金属衬里的压力容器定期检验1.安全状况等级为1级的,一般每3年一次;2.安全状况等级为2级的,一般2年一次;3.安全状况等级为3级的,应当监控使用,累计不超过1年;4.安全状况等级为4级的,如果用于其他适合的腐蚀性介质,应当监控使用,累计不超过1年。《压力容器定期检验规则》TSGR7001-2013第E1.2条2013.7.1搪玻璃压力容器及(TSGR0001)范围内的石磨及石磨衬里,玻璃钢及玻璃钢衬里,塑料及塑料衬里的压2/7力容器移动式(2200)汽车罐车2220、铁路罐车2210、罐式集装箱2240年度检验每年至少一次。《移动式压力容器安全技术监察规程》TSGR0005-2011第8.3.1条2012.6.1全面检验新罐车首次检验1年;安全状况等级为1、2级的,汽车罐车每5年至少一次,铁路罐车每4年至少一次,罐式集装箱每5年至少一次;安全状况等级为3级的,汽车罐车每3年至少一次,铁路罐车每2年至少一次,罐式集装箱每2.5年至少一次。耐压试验使用单位或检验机构对罐车的安全状况有怀疑时,应当进行耐压试验。长管拖车2230、管束式集装箱首次定期检验3年《移动式压力容器安全技术监察规程》TSGR0005-2011第8.3.1条《压力容器定期检验规则》TSGR7001-2013第D1.2条2012.6.12013.7.1(A类:天然气(煤层气)、氢气)(B类:氮气、氦气、氩气、氖气)定期检验5年(充装A类介质),6(充装B类介质);达到设计使用年限继续使用的,3年(充装A类介质),4(充装B类介质)。气瓶(2300)盛装腐蚀性气体的气瓶,每2年检验一次。《气瓶安全监察规程》质技监局锅发[2000]250号第69条。1989.12.22颁布;1990.7.1起生效。盛装一般气体的气瓶,每3年检验一次。盛装惰性气体的气瓶,每5年检验一次。液化石油气钢瓶,按国家标准GB8334的规定。(盛装液化石油气钢瓶,对YSP-0.5型、YSP-2.0型、YSP-5.0型、YSP-10型和YSP-15型,自制造日期起,第一次至第三次检验的检验周期均为4年,第四次检验有效期为3年;对YSP-50型,每3年检验一次。)低温绝热气瓶,每三年检验一次。车用液化石油气钢瓶每五年检验一次,车用压缩天然气钢瓶,每三年检验一次。汽车报废时,车用气瓶同时报废。气瓶定期检验证书有效期为4年。中华人民共和国国家质量监督检验检疫总局令第46号《气瓶安全监察规定》第362003.6.13/7条。3电梯(3000)每年进行1次定期检验。《电梯使用管理与维护保养规则》第12条。2009.5.8发布;2009.8.1起施行。4起重机械...

1、当您付费下载文档后,您只拥有了使用权限,并不意味着购买了版权,文档只能用于自身使用,不得用于其他商业用途(如 [转卖]进行直接盈利或[编辑后售卖]进行间接盈利)。
2、本站所有内容均由合作方或网友上传,本站不对文档的完整性、权威性及其观点立场正确性做任何保证或承诺!文档内容仅供研究参考,付费前请自行鉴别。
3、如文档内容存在违规,或者侵犯商业秘密、侵犯著作权等,请点击“违规举报”。

碎片内容

特种设备定期检验周期汇总表

您可能关注的文档

确认删除?
VIP
微信客服
  • 扫码咨询
会员Q群
  • 会员专属群点击这里加入QQ群
客服邮箱
回到顶部