电脑桌面
添加小米粒文库到电脑桌面
安装后可以在桌面快捷访问

建筑节能设计说明专篇VIP免费

建筑节能设计说明专篇_第1页
1/8
建筑节能设计说明专篇_第2页
2/8
建筑节能设计说明专篇_第3页
3/8
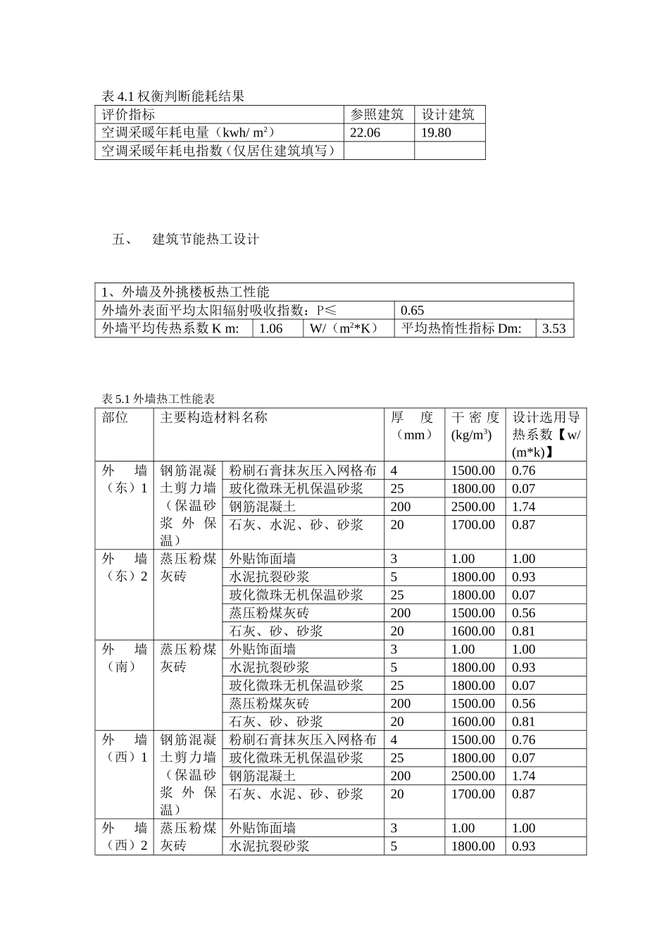
建筑节能设计说明专篇一、设计依据1、《夏热冬暖地区居住建筑节能设计标准》(JGJ75-2003)2、《夏热冬暖地区居住建筑节能设计标准》广东省实施细则(DBJ15-50-2006)3、《公共建筑节能设计标准》(GB50189-2005)4、《公共建筑节能设计标准》广东省实施细则(DBJ15-51-2007)5、《民用建筑热工设计规范》(GB50176-93)6、《建筑照明设计标准》(GB50034-2004)7、《建筑外窗气密、水密、抗风压性能分级及其检测方法》8、《建筑门窗玻璃幕墙热工计算规程》(JGJ/T0151-2008)9、《建筑幕墙》(GB/T21086-2007)10、国家、省市现行的相关建筑节能法律、法规。二、建筑概况1、建筑物性质:居住建筑公共建筑2、建筑面积:地上(m2)8207.66地下(m2)-节能计算建模面积:地上(m2)8207.66地下(m2)-3、建筑层数:地上11地下-4、建筑高度:34.85、结构类型:单元式建筑6、架空楼板:-有√无7、屋顶花园:有无8、建筑物外形及朝向示意图:三、节能计算软件广东省建筑科学院研究院《夏热冬暖地区居住建筑节能设计标准》节能设计综合评价软件清华斯维尔建筑节能计算分析软件PKPM建筑节能分析软件PBECA天正建筑节能设计分析软件TBEC(广东版)四、节能设计方法-1、按规定性能指标进行设计-居住建筑按广东省实施细则公建建筑按广东省实施细则表4.2.2-1公建建筑按广东省实施细则表4.2.4-1公建建筑按广东省实施细则表4.2.4-2√2、按照对比评定法(权衡判断法)进行设计表4.1权衡判断能耗结果评价指标参照建筑设计建筑空调采暖年耗电量(kwh/m2)22.0619.80空调采暖年耗电指数(仅居住建筑填写)五、建筑节能热工设计1、外墙及外挑楼板热工性能外墙外表面平均太阳辐射吸收指数:P≤0.65外墙平均传热系数Km:1.06W/(m2*K)平均热惰性指标Dm:3.53表5.1外墙热工性能表部位主要构造材料名称厚度(mm)干密度(kg/m3)设计选用导热系数【w/(m*k)】外墙(东)1钢筋混凝土剪力墙(保温砂浆外保温)粉刷石膏抹灰压入网格布41500.000.76玻化微珠无机保温砂浆251800.000.07钢筋混凝土2002500.001.74石灰、水泥、砂、砂浆201700.000.87外墙(东)2蒸压粉煤灰砖外贴饰面墙31.001.00水泥抗裂砂浆51800.000.93玻化微珠无机保温砂浆251800.000.07蒸压粉煤灰砖2001500.000.56石灰、砂、砂浆201600.000.81外墙(南)蒸压粉煤灰砖外贴饰面墙31.001.00水泥抗裂砂浆51800.000.93玻化微珠无机保温砂浆251800.000.07蒸压粉煤灰砖2001500.000.56石灰、砂、砂浆201600.000.81外墙(西)1钢筋混凝土剪力墙(保温砂浆外保温)粉刷石膏抹灰压入网格布41500.000.76玻化微珠无机保温砂浆251800.000.07钢筋混凝土2002500.001.74石灰、水泥、砂、砂浆201700.000.87外墙(西)2蒸压粉煤灰砖外贴饰面墙31.001.00水泥抗裂砂浆51800.000.93玻化微珠无机保温砂浆251800.000.07蒸压粉煤灰砖2001500.000.56石灰、砂、砂浆201600.000.81外墙(北)蒸压粉煤灰砖外贴饰面墙31.001.00水泥抗裂砂浆51800.000.93玻化微珠无机保温砂浆251800.000.07蒸压粉煤灰砖2001500.000.56石灰、砂、砂浆201600.000.81接上头蓄热系数S[w/(m2*k)]导热蓄热修正系数热阻R[m2*k/m]传热系数[w/(m2*k)]热惰性指D该做法应用朝向产品标况导热系数[w/(m*k)]9.441.000.0051.232.85东-1.591.150.31117.201.000.11510.751.000.0230.011.000.0031.013.74东-11.371.000.0051.591.150.3118.011.250.28610.071.000.0250.011.000.0031.013.74南-11.371.000.0051.591.150.3118.011.250.28610.071.000.0259.441.000.0051.232.85西-1.591.150.31117.201.000.11510.751.000.0230.011.000.0031.013.74西-11.371.000.0051.591.150.3118.011.250.28610.071.000.0250.011.000.0031.013.74北-11.371.000.0051.591.150.3118.011.250.28610.071.000.0252.0外窗(包括透明幕墙)、玻璃门及天窗表5.3外门窗面积统计及遮阳系数外窗可开启面积:最不利房间位置、名称开间开启面积预地面比、房间编号其外窗(包括阳台门)的可开启面积A:2.781该房间地面面积B:48.4325该房间外窗总面积C:6.18A/B=0.06A/C=0.45朝向面积外门窗标号外窗面积可开启面积外窗数量外窗总面积朝向外窗总面积东LC43.9...

1、当您付费下载文档后,您只拥有了使用权限,并不意味着购买了版权,文档只能用于自身使用,不得用于其他商业用途(如 [转卖]进行直接盈利或[编辑后售卖]进行间接盈利)。
2、本站所有内容均由合作方或网友上传,本站不对文档的完整性、权威性及其观点立场正确性做任何保证或承诺!文档内容仅供研究参考,付费前请自行鉴别。
3、如文档内容存在违规,或者侵犯商业秘密、侵犯著作权等,请点击“违规举报”。

碎片内容

建筑节能设计说明专篇

确认删除?
VIP
微信客服
  • 扫码咨询
会员Q群
  • 会员专属群点击这里加入QQ群
客服邮箱
回到顶部