电脑桌面
添加小米粒文库到电脑桌面
安装后可以在桌面快捷访问

电路设计练习题VIP免费

电路设计练习题_第1页
1/4
电路设计练习题_第2页
2/4
电路设计练习题_第3页
3/4
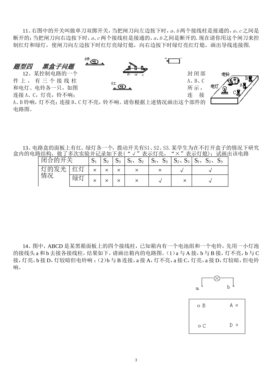
1电路设计题题型一根据要求连接电路图1、将左下图中的元件连成电路,要求:断开或闭合任何一个开关时电灯发光,同时电铃发声,电灯与电铃并联,元件位置不能改变。2、将右上图中的元件符号连成电路,要求:(1)只闭合S1开关两灯L1、L2都亮(2)只闭合开关S2,两灯L1、L2都不亮(3)开关S1、S2都闭合,L1不亮,L2亮。3、将左下图中的元件符号连成电路,要求:L1与L2并联,S1做L2开关,S作总开关4、将右上图中的元件符号连成电路,要求:三灯并联,S1控制L1、L2,S2控制L1,S3控制L1、L2、L3。题型二根据要求设计电路并连接实物图5、请按要求设计电路图(电路图画在左侧),并按你设计的电路,用线条代替导线,将图中的电器元件连成电路。要求:(1)开关K1只控制电灯L1,开关K2只控制电灯L2;(2)共用一个电池组6、根据下列要求,连成实物电路,并画出电路图。电键K1,K2都闭合时,灯L1和L2都能发光;断开K1,灯L1和L2都不发光,若闭合电键K1,断开电键K2,则只有灯L1能发光。2题型三根据要求设计较复杂电路7、实验室里有一个电池组,有两盏电灯和一只电铃,它各自直接接在该电池组上恰好正常工作,另有导线多根,开关两只。请按下列要求分别画出所需要的电路图。⑴按下一只开关S1,一盏灯发光;按下开关S2,电铃和另一盏灯均正常工作。⑵只按下一只开关S1,灯与电铃均无电流,只按下开关S2,电铃响,灯一盏也不亮;同时按下S1、S2,电铃响,两盏灯均正常发光。8、小明和父母三想采用投票的方式决定假期是否外出旅游,如果父母中至少一人同意,同时小明也要去的话,他们就决定去旅游。为此,小明用三只开关、两节干电池和一个小灯泡制作了一只投票机,三人各自控制一只开关(闭合表示同意,断开表示不同意),表决后只要灯亮就决定去旅游。请按上述要求在右边虚线框内设计此投票机的电路(请在开关旁注明控制的人)。9、某传达室需要在前、后门都装上开关,要求:前门来人按开关,传达室内电铃、响,同时红灯亮;后门来人按开关,传达室电铃响,同时绿灯亮.按要求设计电路图,并将图中的实物连成所需电路.10、给你下列器材:一个电池组,一只小灯泡,一只开关,一只电铃和若干细导线,请你设计一自动放养奶牛的装置图。要求:用细导线将牛群围住,合上开关后,当牛在圈内吃草时,小屋内灯亮而铃不响;当有牛碰断了圈住的细导线到圈外时,电铃便会响起来,放牛的人能及时发现。311、右图中的开关叫做单刀双掷开关,当把闸刀向左边按下时,a、b两个接线柱是接通的,a、c之间是断开的;当把闸刀向右边按下时,a、c两个接线柱是接通的,a、b之间是断开的.现在请你用这个闸刀来控制红灯和绿灯,使闸刀向左边按下时红灯亮绿灯熄,向右边按下时绿灯亮红灯熄,画出导线连接图.题型四黑盒子问题12、某控制电路的一个封闭部件上,有三个接线柱A、B、C和电灯、电铃各一只,如图所示,连接A、C,灯亮,铃不响;连接A、B铃响,灯不亮;连接B、C灯不亮,铃不响。请你根据上述情况画出这个部件的电路图。13、电路盒的面板上有红、绿灯各一个,拨动开关有S1、S2、S3.某学生为在不打开盒子的情况下研究盒内的电路结构,做了多次实验并记录如下表(“√”表示灯亮,“×”表示灯熄):试画出该电路14、图中,ABCD是某黑箱面板上的四个接线柱,已知箱内有一个电池组和一个电铃,先用一小灯泡的接线头a和b去接各接线柱,结果如下,请画出箱内的电路图。(1)a与A接,b与B接,灯不亮,b与C接,灯亮,b接D,灯较暗但电铃响;(2)b与B连接,a接A,灯不亮,a接C,灯亮,a接D,灯较暗,但电铃响。闭合的开关S1S2S3Sl、S2Sl、S3S2、S3Sl、S2、S3灯的发光情况红灯×××××√√绿灯××××√×√415、按照我国交通管理规定:“红灯停,绿灯行,黄灯预备”。小明在科技活动中设计了一个实验电路,如图所示,用以模拟十字路口的红绿灯控制,请你分析实验设计模拟电路后,回答以下问题:(1)当单刀多掷开关接通位置“1”时,有个灯发光,发光灯的连接采用的是联方式。(2)当开关接通位置“3”时,允许(选填“东西”或“南北”)方向的车辆通行。(3)你认为小明设计方案是否可行?(4)联系实际,对设计方案提出一条改进性建议:。

1、当您付费下载文档后,您只拥有了使用权限,并不意味着购买了版权,文档只能用于自身使用,不得用于其他商业用途(如 [转卖]进行直接盈利或[编辑后售卖]进行间接盈利)。
2、本站所有内容均由合作方或网友上传,本站不对文档的完整性、权威性及其观点立场正确性做任何保证或承诺!文档内容仅供研究参考,付费前请自行鉴别。
3、如文档内容存在违规,或者侵犯商业秘密、侵犯著作权等,请点击“违规举报”。

碎片内容

电路设计练习题

您可能关注的文档

确认删除?
VIP
微信客服
  • 扫码咨询
会员Q群
  • 会员专属群点击这里加入QQ群
客服邮箱
回到顶部