电脑桌面
添加小米粒文库到电脑桌面
安装后可以在桌面快捷访问

家装公司必备常用表格123VIP专享VIP免费

家装公司必备常用表格123_第1页
1/39
家装公司必备常用表格123_第2页
2/39
家装公司必备常用表格123_第3页
3/39
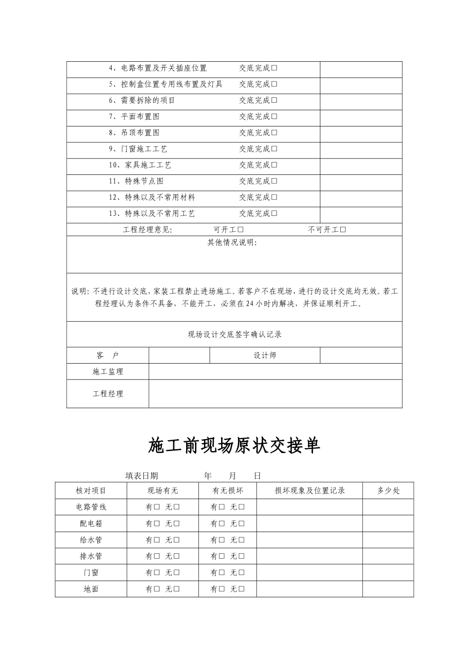
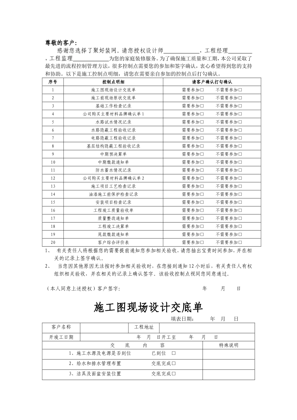
客户登记卡客户姓名登记日期身份证号工程地址联系电话预计装修日期房型结构使用面积初步估算造价看样板房与否通过何种途径前来客户提示记录市场部人员设计师设计总监客户授权书尊敬的客户:感谢您选择了聚好装网。请您授权设计师,工程经理,工程监理为您的家庭装修服务。为了确保施工质量和工期,本公司采取了最先进的流程控制管理方法,很多控制点需要您的参加和签字确认,衷心希望得到您的支持和协助。以下是施工控制点明细,请您在需要亲自参加的控制点后打勾确认。序号控制点明细请客户确认打勾确认1施工图现场设计交底单需要参加□不需要参加□2施工前现场原状交底单需要参加□不需要参加□3基础工作检查记录需要参加□不需要参加□4公司购买主要材料品牌确认单1需要参加□不需要参加□5水路试水情况记录需要参加□不需要参加□6水路隐蔽工程验收记录需要参加□不需要参加□7电路隐蔽工程验收记录需要参加□不需要参加□8基层结构隐蔽工程验收记录需要参加□不需要参加□9中期预决算单需要参加□不需要参加□10中期缴款通知单需要参加□不需要参加□11防水蓄水情况记录需要参加□不需要参加□12公司购买主要材料品牌确认单2需要参加□不需要参加□13施工项目工艺检查记录需要参加□不需要参加□14油漆施工前保护检查记录需要参加□不需要参加□15安装项目检查记录需要参加□不需要参加□16工程竣工质量验收单需要参加□不需要参加□17质量整改通知单需要参加□不需要参加□18工程竣工决算单需要参加□不需要参加□19尾款缴款通知单需要参加□不需要参加□20客户综合评价表需要参加□不需要参加□1、有关责任人将根据您的需要提前通知您参加相关验收,请您抽出宝贵时间参加,并在相关的记录上签字确认。2、当您因其他原因无法按时参加相关验收时,在您接到通知12小时后,有关责任人有权组织相关验收,并在相关的记录上确认签字。该验收控制点视同您同意通过。(本人同意上述授权)客户签字:年月日施工图现场设计交底单填表日期:年月日客户名称工程地址开竣工日期年月日开工至年月日交底内容特殊说明1、施工水源及电源是否到位已到位□2、给水和排水管理布置交底完成□3、洁具及面盆安装位置交底完成□4、电路布置及开关插座位置交底完成□5、控制盒位置专用线布置及灯具交底完成□6、需要拆除的项目交底完成□7、平面布置图交底完成□8、吊顶布置图交底完成□9、门窗施工工艺交底完成□10、家具施工工艺交底完成□11、特殊节点图交底完成□12、特殊以及不常用材料交底完成□13、特殊以及不常用工艺交底完成□工程经理意见:可开工□不可开工□其他情况说明:说明:不进行设计交底,家装工程禁止进场施工。若客户不在现场,进行的设计交底均无效。若工程经理认为条件不具备,不能开工,必须在24小时内解决,并保证顺利开工。现场设计交底签字确认记录客户设计师施工监理工程经理施工前现场原状交接单填表日期年月日核对项目现场有无有无损坏损坏现象及位置记录多少处电路管线有□无□有□无□配电箱有□无□有□无□给水管有□无□有□无□排水管有□无□有□无□门窗有□无□有□无□地面有□无□有□无□防水有□无□有□无□玻璃有□无□有□无□墙体结构有□无□有□无□热水器有□无□有□无□暖气有□无□有□无□注明:工程完工后,对照原状交接单,若出现损害客户财产情况必须照价赔偿。墙面改造交接签字确认记录隔断部分拆除部分原状交接签字确认记录客户特殊说明工程经理特殊说明施工监理特殊说明基础工作检查记录填表日期年月日检查项目及要求进场时检查施工中检查1施工中检查2检查结果检查结果检查结果1、施工牌填写及放置规范合格□不合格□合格□不合格□合格□不合格□2、现场管理制度张贴到位合格□不合格□合格□不合格□合格□不合格□3、施工进度表编制规范合格□不合格□合格□不合格□合格□不合格□4、门贴张贴到位合格□不合格□合格□不合格□合格□不合格□5、公司条幅悬挂到位合格□不合格□合格□不合格□合格□不合格□6、进场弹1.3米水平线合格□不合格□合格□不合格□7、开关插座墙上画定位置合格□不合格□8、临时大便器安装到位合格□不合...

1、当您付费下载文档后,您只拥有了使用权限,并不意味着购买了版权,文档只能用于自身使用,不得用于其他商业用途(如 [转卖]进行直接盈利或[编辑后售卖]进行间接盈利)。
2、本站所有内容均由合作方或网友上传,本站不对文档的完整性、权威性及其观点立场正确性做任何保证或承诺!文档内容仅供研究参考,付费前请自行鉴别。
3、如文档内容存在违规,或者侵犯商业秘密、侵犯著作权等,请点击“违规举报”。

碎片内容

家装公司必备常用表格123

确认删除?
VIP
微信客服
  • 扫码咨询
会员Q群
  • 会员专属群点击这里加入QQ群
客服邮箱
回到顶部