电脑桌面
添加小米粒文库到电脑桌面
安装后可以在桌面快捷访问

方钢尺寸规格表2015VIP专享VIP免费

方钢尺寸规格表2015_第1页
1/29
方钢尺寸规格表2015_第2页
2/29
方钢尺寸规格表2015_第3页
3/29
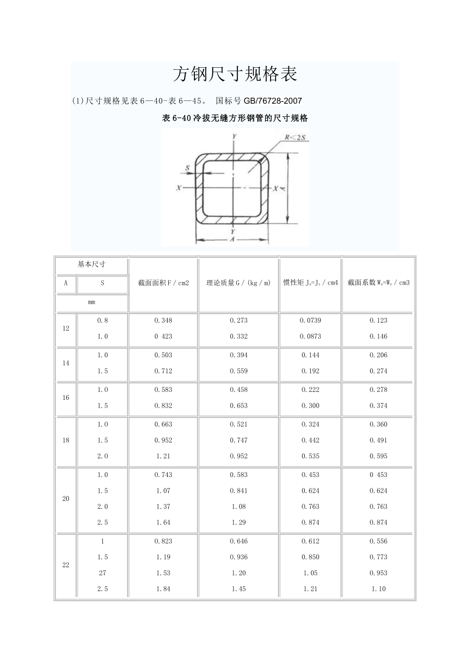
方钢尺寸规格表(1)尺寸规格见表6—40-表6—45。国标号GB/76728-2007表6-40冷拔无缝方形钢管的尺寸规格基本尺寸截面面积F/cm2理论质量G/(kg/m)惯性矩Jx=Jy/cm4截面系数Wx=Wy/cm3ASmm12O.81.0O.3480423O.2730.332O.0739O.0873O.123O.146141.01.50.503O.712O.394O.5590.144O.192O.2060.274161.O1.5O.583O.832O.4580.653O.222O.300O.278O.374181.O1.52.O0.6630.9521.21O.5210.747O.952O.324O.4420.535O.360O.4910.595201.01.52.02.5O.7431.071.371.640.583O.8411.081.29O.4530.624O.763O.8740453O.624O.763O.8742211.5272.5O.8231.191.531.84O.646O.9361.201.45O.6120.8501.051.21O.556O.773O.9531.10252.532.142.491.681.951.862.081.491.57302.533.542.643.013.503.892.082.422.753.053.413.864.254.582.272.582.833.05322.533.52.843.333782.232.612.974.214.795.292.633.003.313244.213.305.733.58352.533.5453.143.694.204.685.582.472.893.303.684.385.546.457.167.788.793.223.684.094.455.02362.533.5453.243.814.3_44.855.752.552.993.4l3.8l4.536.187.077.878.569.703.433.934.374.765.39402.533.54563.644.294.905.496.587.552.863.373.854.3l5.165.938.689.9811.1612.2113.9815.344.344.995.586.1l6.997.67422.533.54563.844.535.185.816.988.033.023.554.074.565.486.3010.1511.7013.1014.3716.5618.224.835.576.246.847.878.58453.5455.606.237.584.404.945.9516.4318.0720.907.308.039.29456788.759.8110.86.877.808.4423.1924.9726.30lO.3111.1011.5950456787.098.589.9511.2112.355.566.737.8l8.809.7025.5629.8133.3536.2338.5110.2211.9313.3414.4915.4155456787.899.5811.1512.5113.956.197.528.759.9010.9534.8740.9546.1350.4754.0412.5814.8916.7718.3519.6560456788.6910.5812.3514.0l15.556.828.309.6911.0012.2146.2154.5761.8268.0373.2815.418.1920.6122.6824.4365456789.4911.5813.5515.4117.157.459.0710.6412.1013.4759.7870.9280.7289.2796.6418.3921.8224.8427.4629.747045610.2912.5814.78.089.8711.5875.7890.26103.121.6525.7929.47707816.8118.7513.1914.72114.5124.532.7235.5775411.098.7094.425.17567813.5815.95182120.3510.6612.5214.2915.98112.8129.4144.2157.330.0834.5038.4441.94804567811.8914.5817.1519.6121.959.3311.4413.4615.3917.23115.9138.9159.7178.5195.428.9634.7239.9344.6348.85567816.9820.0322.9725.7913.3315.7218.0320.25217.1251.1282.3310.947.1954.5961.3867.58100567818.5821.9525.2128.3514.5817.2319.7922.26282.8328.2370.2408.956.5765.5474.0481.7811078928.0131.5534.9821.9924.7727.46503.4557.9608.491.54101.411O.6注:理论质量计算G=0.0157S(A+A一2.8584S)式中G——每米钢管的质量(kg/m);A——方形钢管的边长(mm);S——方形钢管的公称壁厚(mm).以钢管R=1.5S时,钢的密度为7.85g/cm3的计算公式。表6-41冷拔无缝矩形钢管的尺寸规格基本尺寸截面面积F/cm2理论质量G/(kg/m)惯性矩截面系数ABSJxJyWxwymmcm4cm3lO50.8lO.203O.243O.160O.191O.0074O.0082O.0239O.02700.02970.03290.04780.05471250.8l0.2350.2830.1850.222O.00880.0099O.0388O.0449O.0354O.0395O,0646O.07486O.8lO.251O.3030.1970.2380.01390.0157O.04380.0509O.0462O.05240.0730O.08491460.811.50.2830.343O.471O.223O.269O.3700.0160O.0182O.02150.06540.0767O.09730.0535O.0608O.0715O.0935O.110O.13970.8l1.50.299O.363O.501O.2350.285O.3940.0233O.02680.0324O.0724O.08520.109O.06650.0765O.0927O.104O.1220.15610O.8l1.52O.347O.4230.5910.73lO.273O.3320.4640.574O.0545O.06400.08180.0925O.0934O.111O.144O.167O.109O.128O.164O.1850.133O.158O.206O.2381560.811.5O.299O.363O.501O.235O.285O.3940.01710.0195O.02300.0784O.0922O.118O.0571O.0651O.07680.105O.123O.1572O.611O.480O.02400.133O.07990.177168O.8l1.52O.347O.4230.59lO.7310.2730.332O.4640.5740.03620.042lO.05250.05790.1110.132O.173O.200O.09050.105...

1、当您付费下载文档后,您只拥有了使用权限,并不意味着购买了版权,文档只能用于自身使用,不得用于其他商业用途(如 [转卖]进行直接盈利或[编辑后售卖]进行间接盈利)。
2、本站所有内容均由合作方或网友上传,本站不对文档的完整性、权威性及其观点立场正确性做任何保证或承诺!文档内容仅供研究参考,付费前请自行鉴别。
3、如文档内容存在违规,或者侵犯商业秘密、侵犯著作权等,请点击“违规举报”。

碎片内容

方钢尺寸规格表2015

金钥匙书屋+ 关注
实名认证
内容提供者

热爱教育事业,爱好互联网行业

确认删除?
VIP
微信客服
  • 扫码咨询
会员Q群
  • 会员专属群点击这里加入QQ群
客服邮箱
回到顶部