电脑桌面
添加小米粒文库到电脑桌面
安装后可以在桌面快捷访问

屋面技术交底VIP免费

屋面技术交底_第1页
1/13
屋面技术交底_第2页
2/13
屋面技术交底_第3页
3/13
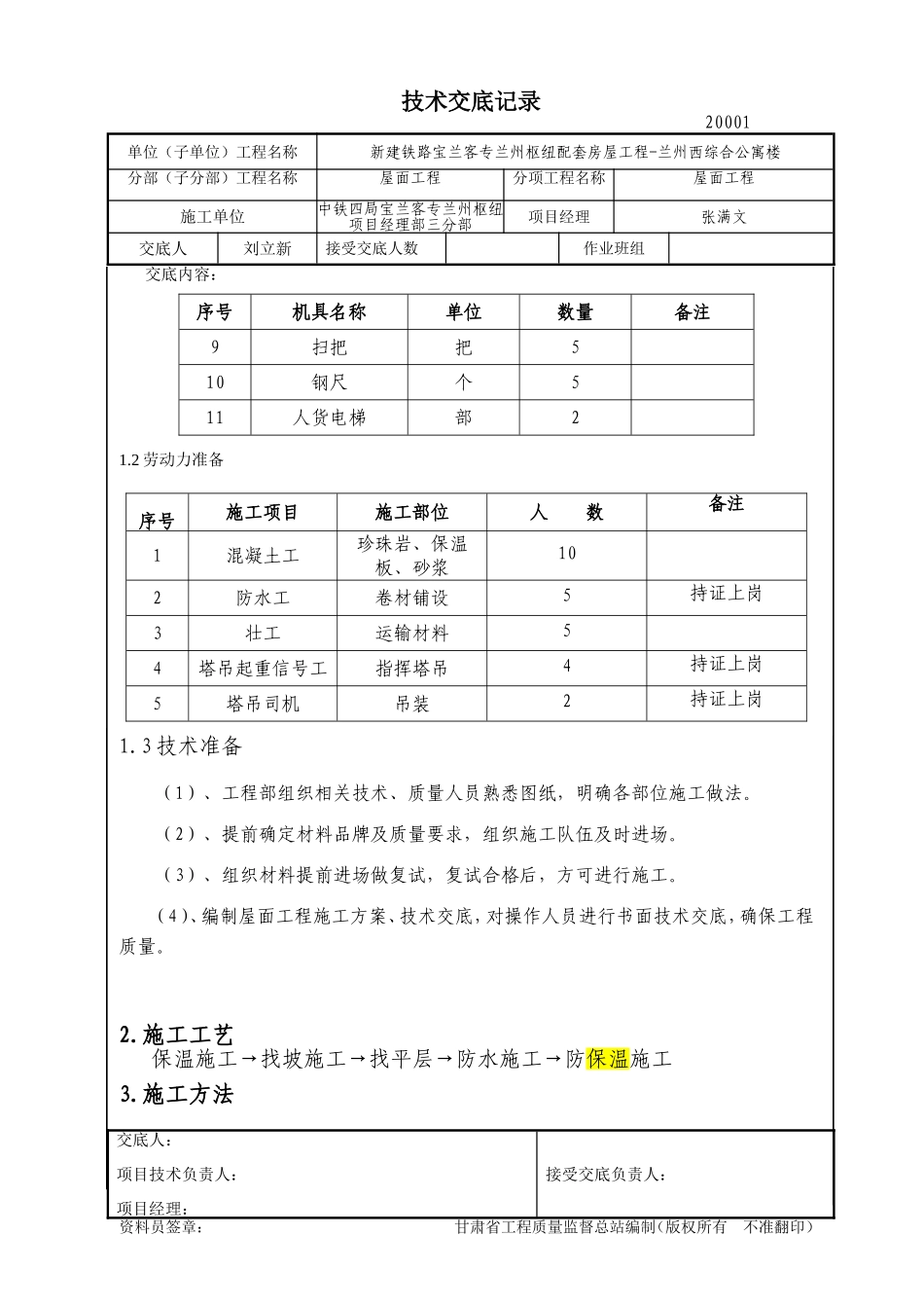
技术交底记录20001单位(子单位)工程名称新建铁路宝兰客专兰州枢纽配套房屋工程-兰州西综合公寓楼分部(子分部)工程名称屋面工程分项工程名称屋面工程施工单位中铁四局宝兰客专兰州枢纽项目经理部三分部项目经理张满文交底人刘立新接受交底人数作业班组交底内容:1.施工准备1.1材料准备表1-1主要材料工程量统计表序号名称规格数量备注1沙子中砂75m³找平层2珍珠岩380m³找坡层4水泥P.c32.525t找平层5SBS防水卷材3+3厚2100㎡防水层6聚苯乙烯泡沫塑料板(B1级)80mm400m³保温层6细石混凝土C2040.56方保护层7钢筋Φ63.6t保护层8水泥预制块390*390*40mm1100㎡保护层(不上人屋面)9排气管套32表3-2主要机具工程量统计表序号机具名称单位数量备注1手推车辆32铁锹把43喷灯个44铁抹子把55水平刮杠个26剪刀个57墨线盒个28滚动刷把5交底人:项目技术负责人:项目经理:接受交底负责人:资料员签章:甘肃省工程质量监督总站编制(版权所有不准翻印)技术交底记录20001单位(子单位)工程名称新建铁路宝兰客专兰州枢纽配套房屋工程-兰州西综合公寓楼分部(子分部)工程名称屋面工程分项工程名称屋面工程施工单位中铁四局宝兰客专兰州枢纽项目经理部三分部项目经理张满文交底人刘立新接受交底人数作业班组交底内容:序号机具名称单位数量备注9扫把把510钢尺个511人货电梯部21.2劳动力准备序号施工项目施工部位人数备注1混凝土工珍珠岩、保温板、砂浆102防水工卷材铺设5持证上岗3壮工运输材料54塔吊起重信号工指挥塔吊4持证上岗5塔吊司机吊装2持证上岗1.3技术准备(1)、工程部组织相关技术、质量人员熟悉图纸,明确各部位施工做法。(2)、提前确定材料品牌及质量要求,组织施工队伍及时进场。(3)、组织材料提前进场做复试,复试合格后,方可进行施工。(4)、编制屋面工程施工方案、技术交底,对操作人员进行书面技术交底,确保工程质量。2.施工工艺保温施工→找坡施工→找平层→防水施工→防保温施工3.施工方法交底人:项目技术负责人:项目经理:接受交底负责人:资料员签章:甘肃省工程质量监督总站编制(版权所有不准翻印)技术交底记录20001单位(子单位)工程名称新建铁路宝兰客专兰州枢纽配套房屋工程-兰州西综合公寓楼分部(子分部)工程名称屋面工程分项工程名称屋面工程施工单位中铁四局宝兰客专兰州枢纽项目经理部三分部项目经理张满文交底人刘立新接受交底人数作业班组交底内容:3.1保温层施工(1)工艺流程:基层清理→保温层铺设。(2)基层清理:将混凝土屋面上的杂物、垃圾等清理干净,保持干燥,基层验收合格并作隐检记录。(3)保温层铺设:将80mm聚苯板工字缝铺设在屋面上,铺平垫稳,排列紧密,当保温板需要裁切时,边角一定要顺直、整齐,保温板之间拼缝一定要密实,相邻两板面高度一致,分格缝按6m间距纵横贯通留50mm宽,缝内放置50mmPVC管,交接处做150*150方木盒连接且不大于36范围内设置一个出气口,气口为㎡50mmPVC管,在排气管出气口处要做防水处理,防水层高度不低于300mm。(4)已铺完的保温层,不得在其上面行走或运输小车和堆放重物。3.1.1质量要求(1)主控项目:①保温材料的强度、密度、导热系数和吸水率,必须符合设计要求和施工验收规范的规定。②保温板的含水率必须符合设计要求和施工验收规范的规定应紧贴基层铺设,铺平垫稳,标高正确。(2)一般项目①紧贴(靠)基层,铺平垫稳,拼缝严密,找坡正确。②允许偏差项目如下表所示:交底人:项目技术负责人:项目经理:接受交底负责人:资料员签章:甘肃省工程质量监督总站编制(版权所有不准翻印)技术交底记录20001单位(子单位)工程名称新建铁路宝兰客专兰州枢纽配套房屋工程-兰州西综合公寓楼分部(子分部)工程名称屋面工程分项工程名称屋面工程施工单位中铁四局宝兰客专兰州枢纽项目经理部三分部项目经理张满文交底人刘立新接受交底人数作业班组交底内容:屋面保温层的允许偏差和检验方法项次项目允许偏差(mm)检验方法1表面平整度4用5m小白线检查2保温层厚度±3用钢针插入和尺量检查3.2找坡层施工(1)根据墙上500mm水平标高线按2%找坡,根据坡度将铺设水泥珍珠岩的厚度线以贴饼形式体现...

1、当您付费下载文档后,您只拥有了使用权限,并不意味着购买了版权,文档只能用于自身使用,不得用于其他商业用途(如 [转卖]进行直接盈利或[编辑后售卖]进行间接盈利)。
2、本站所有内容均由合作方或网友上传,本站不对文档的完整性、权威性及其观点立场正确性做任何保证或承诺!文档内容仅供研究参考,付费前请自行鉴别。
3、如文档内容存在违规,或者侵犯商业秘密、侵犯著作权等,请点击“违规举报”。

碎片内容

屋面技术交底

学海无涯书城+ 关注
实名认证
内容提供者

热爱教育事业,爱好互联网行业

确认删除?
VIP
微信客服
  • 扫码咨询
会员Q群
  • 会员专属群点击这里加入QQ群
客服邮箱
回到顶部