电脑桌面
添加小米粒文库到电脑桌面
安装后可以在桌面快捷访问

钢结构施工记录表VIP免费

钢结构施工记录表_第1页
1/23
钢结构施工记录表_第2页
2/23
钢结构施工记录表_第3页
3/23
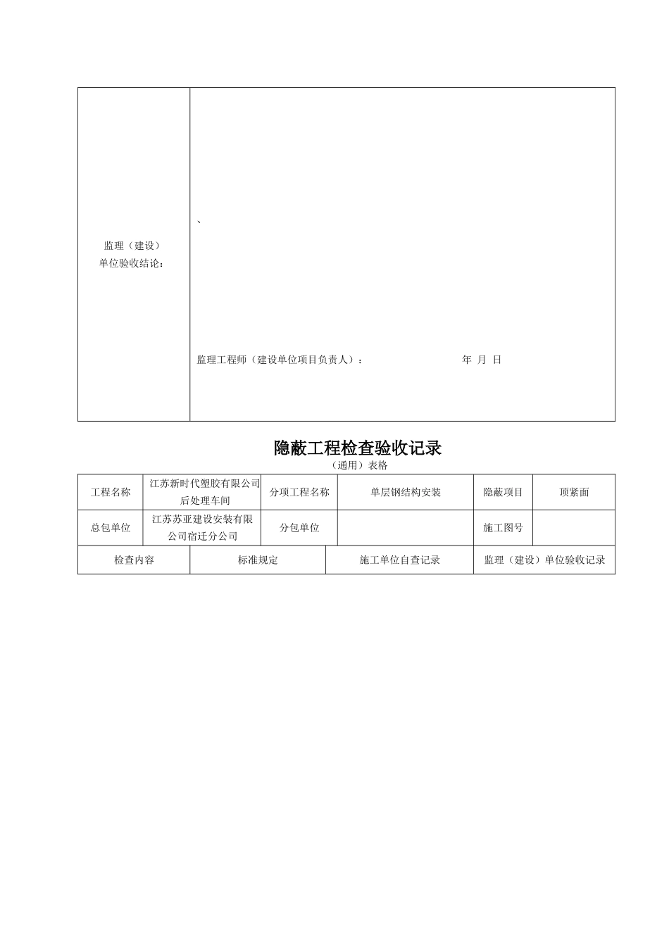
其他检验项目的检测报告及隐蔽工程项目检查验收记录汇总表GJ2.4子分部工程名称江苏新时代塑胶有限公司后处理车间施工单位江苏苏亚建设安装有限公司宿迁分公司监理单位(建设单位)淮安市锦丰工程建设监理有限公司序号检测报告隐蔽项目名称份数施工单位自查结果监理(建设)单位验收结果1焊缝(主控项目和一般项目)的外观质量及焊缝尺寸检查记录1自查合格2单层钢结构主体结构顶紧面缝隙1自查合格3压型金属板及配件安装1自查合格4原材进场1自查合格5表面除锈1自查合格6防腐涂料涂刷1自查合格项目经理:质检员:监理工程师:焊缝检查验收记录(通用)表格工程名称江苏新时代塑胶有限公司后处理车间分项工程名称钢结构焊接隐蔽项目焊缝总包单位江苏苏亚建设安装有限公司宿迁分公司分包单位施工图号检查内容焊瘤标准规定施工单位自查记录监理(建设)单位验收记录焊缝外观质量及焊缝尺寸1、焊缝表面不得有裂纹、焊瘤等缺陷,一、二级焊缝不得有表面气孔、夹渣、弧坑裂纹、电弧擦伤等缺陷2、焊缝尺寸允许偏差应符合规范的规定3、焊缝感观应达到:外形均匀、成形较好,焊道与焊道、焊道与基本金属间过渡较平滑,焊道和飞溅物基本清除干净1、焊缝表面无裂纹、焊瘤等缺陷,二级焊缝无表面气孔、夹渣、弧坑裂纹、电弧擦伤等缺陷2、焊缝尺寸允许偏差符合规范的规定3、焊缝外形均匀、成形较好,焊道与焊道、焊道与基本金属间过渡较平滑,焊道和飞溅物基本清除干净施工单位自查结论:焊缝外观质量及焊缝尺寸符合GB50205-2001标准规定。质检员:施工单位项目技术负责人:年月日监理(建设)单位验收结论:、监理工程师(建设单位项目负责人):年月日隐蔽工程检查验收记录(通用)表格工程名称江苏新时代塑胶有限公司后处理车间分项工程名称单层钢结构安装隐蔽项目顶紧面总包单位江苏苏亚建设安装有限公司宿迁分公司分包单位施工图号检查内容标准规定施工单位自查记录监理(建设)单位验收记录设计顶紧面接触面及边缘最大间隙设计要求顶紧面的节点,接触面不应少于70%紧贴,且边缘最大间隙不应大于0.8mm抽取4钢梁共4个连接点,接触面均大于82%紧贴,且边缘最大间隙0.5mm。施工单位自查结论:顶紧面接触面及边缘最大间隙符合GB50205-2001标准规定。质检员:施工单位项目技术负责人:年月日监理(建设)单位验收结论:监理工程师(建设单位项目负责人):年月日隐蔽工程检查验收记录(通用)表格工程名称江苏新时代塑胶有限公司后处理车间分项工程名称压型金属板隐蔽项目压型金属板及配件安装总包单位江苏苏亚建设安装有限公司宿迁分公司分包单位施工图号检查内容标准规定施工单位自查记录监理(建设)单位验收记录压型金属板、泛水板、包角板等的连接质量压型金属板、泛水板和包角板等应固定可靠、牢固,连接件数量、间距应符合设计要求和国家现行有关标准规定。压型金属板、泛水板、包角板等固定可靠、牢固,连接件数量、间距符合设计要求和国家现行有关标准规定。施工单位自查结论:压型金属板及配件等的连接质量符合GB50205-2001标准规定。质检员:施工单位项目技术负责人:年月日监理(建设)单位验收结论:监理工程师(建设单位项目负责人):年月日隐蔽工程检查验收记录(通用)表格工程名称江苏新时代塑胶有限公司后处理车间分项工程名称压型金属板隐蔽项目防腐涂料涂刷和密封材料敷设总包单位江苏苏亚建设安装有限公司宿迁分公司分包单位施工图号检查内容标准规定施工单位自查记录监理(建设)单位验收记录压型金属板防腐涂料涂刷和密封材料敷设质量压型金属板、泛水板和包角板等的防腐涂料涂刷和密封材料敷设应完好压型金属板、泛水板和包角板等的涂层无缺陷,密封胶敷设完好。施工单位自查结论:压型金属板防腐涂料涂刷和密封材料敷设质量符合GB50205-2001标准规定。、质检员:施工单位项目技术负责人:年月日监理(建设)单位验收结论:监理工程师(建设单位项目负责人):年月日隐蔽工程检查验收记录(通用)表格工程名称江苏新时代塑胶有限公司后处理车间分项工程名称钢结构涂装隐蔽项目原材料进场总包单位江苏苏亚建设安装有限公司宿迁分公司分包单位施工图号检查内容标准规定施工...

1、当您付费下载文档后,您只拥有了使用权限,并不意味着购买了版权,文档只能用于自身使用,不得用于其他商业用途(如 [转卖]进行直接盈利或[编辑后售卖]进行间接盈利)。
2、本站所有内容均由合作方或网友上传,本站不对文档的完整性、权威性及其观点立场正确性做任何保证或承诺!文档内容仅供研究参考,付费前请自行鉴别。
3、如文档内容存在违规,或者侵犯商业秘密、侵犯著作权等,请点击“违规举报”。

碎片内容

钢结构施工记录表

确认删除?
VIP
微信客服
  • 扫码咨询
会员Q群
  • 会员专属群点击这里加入QQ群
客服邮箱
回到顶部