电脑桌面
添加小米粒文库到电脑桌面
安装后可以在桌面快捷访问

物业工程设备管理表格VIP免费

物业工程设备管理表格_第1页
1/58
物业工程设备管理表格_第2页
2/58
物业工程设备管理表格_第3页
3/58
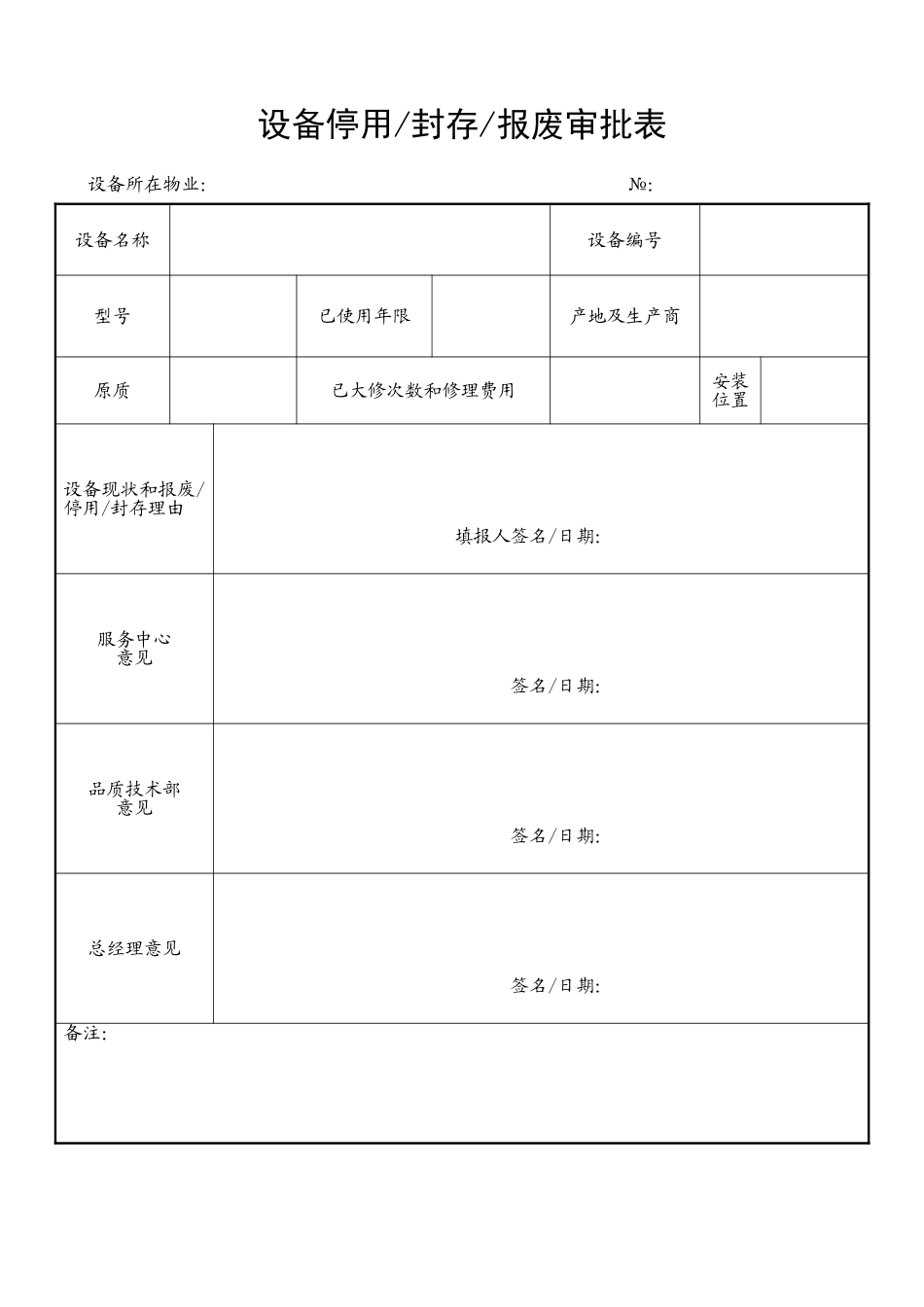
故障转呈单——————————公司:№:————————现————————————————装置/设备发生故障,请于————年————月————日前进行维修养护。接收人:序号存在的问题及位置检查人处理结果复查人物业管理有限公司服务中心———————年———月———日第一联:专业公司第二联:工程部第三联:品质技术部—————————外委维修保养申请表№:设备设施名称及编号外委单位申请维修保养时间要求完成时间维修保养内容简述:申请人/日期:需更换的主要材料及其预计费用序号材料名称及规格单价数量预计费用备注预计总费用:服务中心意见:品质技术部意见:总经理意见:设备停用/封存/报废审批表设备所在物业:№:设备名称设备编号型号已使用年限产地及生产商原质已大修次数和修理费用安装位置设备现状和报废/停用/封存理由填报人签名/日期:服务中心意见签名/日期:品质技术部意见签名/日期:总经理意见签名/日期:备注:设备抢修(大修)记录表部门:编号:年月№序号名称(单位项目)故障原因维修处理(外委自修)使用材料开始时间结束时间完成情况未完成原因维修人员备注操作票单位名称:编号:操作开始时间:年月日时分,终了时间:日时分操作任务:操作顺序号操作项目备注操作人:监护人:批准人:采购设备验收表№:设备名称设备编号型号出厂编号产地及生产商供货商附属设备、附件、工具、仪表等接收的有关资料名称型号规格数量有关技术参数说明书册维修保养手册册产品出厂合格证其他相关技术资料工程部意见:签名:日期:服务中心意见:签名:日期:品质技术部意见:签名:日期:低压配电设备设施例保记录表物业服务中心年设备房编号责任人保养项目日常维护保养检查、清洁、防腐、紧固、润滑、小故障排除日常维护保养周期日常维护保养记录维修保养情况审核备注完成情况时间完成情况时间完成情况时间熔断器更换熔断的熔体,同规格、同形状每月修整接触不好的熔体与保险座每月刀开关空气开关紧固安装螺栓每月交流接触器清洁表面、进、出线端相间的污垢每月紧固所有紧固件每月自耦减压启动器紧固接地线每月外壳除锈每月电容器清洁外壳灰尘每月拧紧接地线每月接地线除锈每月热继电器更换不完整的绝缘盖板每月二次回路补上不清晰或脱落的号码管每月拧紧所有紧固件每月主回路补上不清晰或掉落的标示牌每月拧紧所有紧固件每月保养人:其它审核人注:逢高级保养,低级保养可以不做。已做“√”,没有的项目“/”,更换部件在备注记录。高、低压配电设备设施一级保养记录表物业服务中心年设备房编号责任人保养项目一级保养电气:清扫、检查仪器、电气电子:除尘、触头研磨、更换、功能检查一级保养周期一级保养记录维修保养情况审核备注完成情况时间完成情况时间熔断器更换熔断的熔体,同规格、同形状半年修整接触不好的熔体与保险座半年刀开关空气开关紧固安装螺栓半年转动部位加注润滑油半年调整、维修三相不同步、接触不好的半年交流接触器清洁表面、进、出线端相间的污垢半年紧固所有紧固件半年清扫触头表面及四周污物、研磨触头半年清洁铁心表面的油污及脏物半年自耦减压启动器紧固接地线半年外壳除锈半年电容器清洁外壳灰尘半年拧紧接地线半年接地线除锈半年更换有膨胀、漏油、异常响声的电容器半年热继电器更换不完整的绝缘盖板半年整修有过热痕迹或烧伤的导线接头半年二次回路补上不清晰或脱落的号码管半年拧紧所有紧固件半年主回路补上不清晰或掉落的标示牌半年拧紧所有紧固件半年修复有烧伤、过热痕迹接头半年保养人:变压器高压环网清洁卫生半年审核人注:逢高级保养,低级保养可以不做。已做“√”,没有的项目“/”,更换部件在备注记录。高、低压配电设备设施二级保养记录表物业服务中心年设备房编号责任人保养项目二级保养电气:全面清扫、导线、电气端子压接面除氧化、参数整定、耐压绝缘测试电子:除尘、插接件接口清洗、系统功能、参数测试二级保养周期二级保养记录维修保养情况审核备注完成情况时间熔断器更换熔断的熔体,同规格、同形状每年修整接触不好的熔体与保险座每年刀开关空气开关紧固安装螺栓每年转动部位加注润滑油每年调整、...

1、当您付费下载文档后,您只拥有了使用权限,并不意味着购买了版权,文档只能用于自身使用,不得用于其他商业用途(如 [转卖]进行直接盈利或[编辑后售卖]进行间接盈利)。
2、本站所有内容均由合作方或网友上传,本站不对文档的完整性、权威性及其观点立场正确性做任何保证或承诺!文档内容仅供研究参考,付费前请自行鉴别。
3、如文档内容存在违规,或者侵犯商业秘密、侵犯著作权等,请点击“违规举报”。

碎片内容

物业工程设备管理表格

您可能关注的文档

慧源书苑+ 关注
实名认证
内容提供者

热爱教育事业,爱好互联网行业

相关文档

确认删除?
VIP
微信客服
  • 扫码咨询
会员Q群
  • 会员专属群点击这里加入QQ群
客服邮箱
回到顶部