电脑桌面
添加小米粒文库到电脑桌面
安装后可以在桌面快捷访问

初级电工教学大纲与教学计划VIP免费

初级电工教学大纲与教学计划_第1页
1/7
初级电工教学大纲与教学计划_第2页
2/7
初级电工教学大纲与教学计划_第3页
3/7
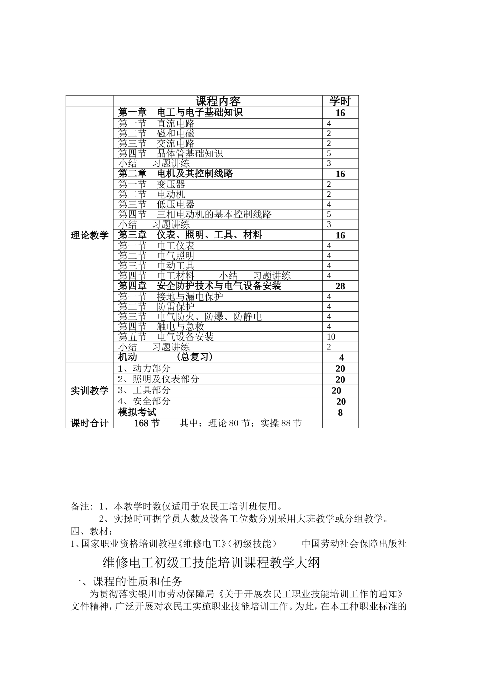
初级维修电工教学计划一、培训目标1.总体目标培养具有以下条件的人员:掌握电工基础知识和操作技能,能够运用电工基本技能独立完成电气元件及电气设备维修及安装等工作。2.理论知识培训目标依据《维修电工国家职业标准》中对初级电工的理论知识要求,通过培训,使培训对象掌握电工的专业基础知识、熟练掌握各种电器元件的应用及工具的基本使用;熟知行业规范等相关知识。3.操作技能培训目标依据《维修电工国家职业标准》中对初级电工的操作技能要求,通过培训,使培训对象能够掌握初级维修电工的基本能力以及使用相关仪表测量的能力并达到独立上岗操作的水平。二、教学要求1、理论知识要求(1)热爱本职工作、忠于职守(2)遵章守纪、安全生产。(3)尊师爱徒、团结互助。(4)勤俭节约、关心企业。(5)钻研技术、勇于创新。2.电工基础知识(1)职业道德与安全技术(2)电工与电子基础知识(3)电机及其控制线路(4)仪表、照明、工具、材料(5)安全防护技术与电气设备安装3.操作技能要求(1)动力部分(2)照明及仪表部分(3)工具部分(4)安全部分三、教学计划安排总课时168课时理论知识授课,复习80课时操作技能授课,练习88课时维修电工初级工技能培训教学课时分配表备注:1、本教学时数仅适用于农民工培训班使用。2、实操时可据学员人数及设备工位数分别采用大班教学或分组教学。四、教材:1、国家职业资格培训教程《维修电工》(初级技能)中国劳动社会保障出版社维修电工初级工技能培训课程教学大纲一、课程的性质和任务为贯彻落实银川市劳动保障局《关于开展农民工职业技能培训工作的通知》文件精神,广泛开展对农民工实施职业技能培训工作。为此,在本工种职业标准的课程内容学时理论教学第一章电工与电子基础知识16第一节直流电路4第二节磁和电磁2第三节交流电路2第四节晶体管基础知识5小结习题讲练3第二章电机及其控制线路16第一节变压器2第二节电动机2第三节低压电器4第四节三相电动机的基本控制线路5小结习题讲练3第三章仪表、照明、工具、材料16第一节电工仪表4第二节电气照明4第三节电动工具4第四节电工材料小结习题讲练4第四章安全防护技术与电气设备安装28第一节接地与漏电保护4第二节防雷保护4第三节电气防火、防爆、防静电4第四节触电与急救4第五节电气设备安装10小结习题讲练2机动(总复习)4实训教学1、动力部分202、照明及仪表部分203、工具部分204、安全部分20模拟考试8课时合计168节其中:理论80节;实操88节基础上,结合学员的实际情况,特制订本教学大纲。本大纲制订的主要依据是参照维修电工国家职业标准的基本要求,并参照国家劳动和社会保障部关于职业技能培训理论课程的有关要求,结合银川市安全生产宣传教育中心关于特种作业人员考证培训的有关要求而制订。它的任务是通过本课程的学习使培训学员获得电工技术必要的基本理论、基本知识和基本技能,并使他们受到必要的基本技能的训练。通过该课程的学习,拓宽学员的知识面,提高学员的综合素质,增强就业能力,以适应社会经济不断发展的要求,为学员将来的就业和学习奠定了一个重要基础。学员通过培训后,可以参加国家职业技能鉴定所的考核,合格者可获得初级维修电工职业资格证书。二、课程的基本内容及基本要求课程内容分理论教学(应知的知识)和实训教学(应会的技能)两部分。第一部分:理论教学第一章电工与电子基础知识第一节直流电路一、教学内容:1、电路及基本物理量2、欧姆定律3、电阻的联接4、电功和电功率二、基本要求:掌握电路的基本物理量及基本定律;理解电阻串并联的特点;掌握电路功率的计算。第二节磁和电磁一、教学内容:1、电流磁场及基本物理量2、磁场对通电导体的作用3、电磁感应4、自感与互感二、基本要求:了解电流磁场的基本知识;掌握左、右手定则及电动机、发电机的工作原理。第三节交流电路一、教学内容:1、正弦交流电基本知识2、单相交流电路3、三相交流电4、电容器二、基本要求:了解正弦交流电的三要素及单相交流电路的基本知识及功率因素的提高;掌握三相交流负载的两各接法及选择;了解电容器及其充放电特性。第四节晶体管基础知识一、教学内容:1、晶体二极管...

1、当您付费下载文档后,您只拥有了使用权限,并不意味着购买了版权,文档只能用于自身使用,不得用于其他商业用途(如 [转卖]进行直接盈利或[编辑后售卖]进行间接盈利)。
2、本站所有内容均由合作方或网友上传,本站不对文档的完整性、权威性及其观点立场正确性做任何保证或承诺!文档内容仅供研究参考,付费前请自行鉴别。
3、如文档内容存在违规,或者侵犯商业秘密、侵犯著作权等,请点击“违规举报”。

碎片内容

初级电工教学大纲与教学计划

确认删除?
VIP
微信客服
  • 扫码咨询
会员Q群
  • 会员专属群点击这里加入QQ群
客服邮箱
回到顶部