电脑桌面
添加小米粒文库到电脑桌面
安装后可以在桌面快捷访问

九年级物理上学期半期考试卷 上科版试卷VIP免费

九年级物理上学期半期考试卷 上科版试卷_第1页
1/5
九年级物理上学期半期考试卷 上科版试卷_第2页
2/5
九年级物理上学期半期考试卷 上科版试卷_第3页
3/5
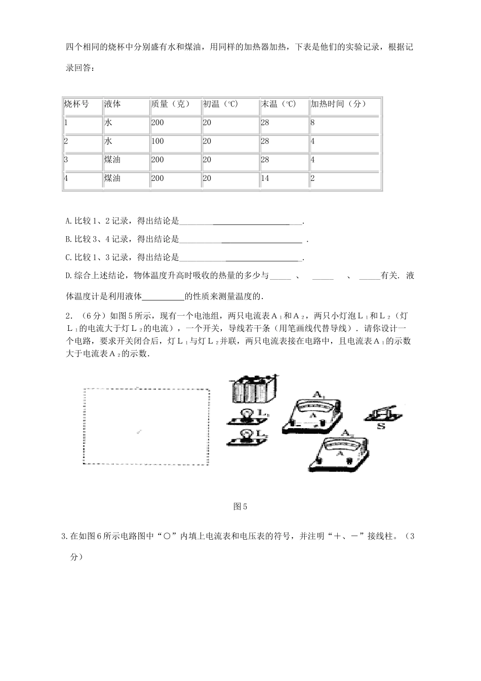
九年级物理上学期半期考试卷一:填空题(每空1分,共31)1、已知水的比热容是4.2×103J/(kg·℃),其物理意义是________________。在一标准气压下,10kg水温度由50℃升高到100℃所吸收的热量是____J;若对水继续加热,水的温度将________(选填“升高”、“降低”或“不变”)。2、在汽油机工作的四个冲程中,将机械能转化为内能的是冲程,将内能转化为机械能的是冲程。3、早晨,室外的花草上的小露珠,这是现象;寒冷的冬天,清晨起床看到窗户上白色的冰花,这是现象.而寒冬,洗涤油污的盘子,用温度较高的热水洗涤效果好。这是由于水温超过了油污的,而使油污的缘故。4、改变物体内能的方式有两种,饮料放进冰箱后温度降低,是用______的方式减少饮料的内能;在汽油机的压缩冲程中,是通过______的方式增加燃料混合物的内能.5、我国北方供热的“暖气”用水作介质,这主要是因为水的大;用棉球在小孩的额头上擦些酒精退烧,主要是因为酒精时要吸收热量。6、同种电荷间的作用是互相______。玻璃跟绸子摩擦,玻璃的一些______转移到绸子上,玻璃因______而带正电;绸子因______而带等量负电。7、一个完整的电路应包括_______、_________、导线和开关四部分.在闭合电路的电源外部,电流是从电源的______极流向_____极的.______是提供电压的装置.8、教室里的灯是一个开关控制一盏灯的亮或熄,可见教室里的几个灯是__联。学校的总开关若断开,教室里的灯会全部熄灭,可见总开关是接在路上的。9、图1电路中S1断开、S2闭合时,电压表测的是;当S1闭合、S2断开时,电压表测的是。10、图2示的电路中,当只闭合开关S2时,能发光的灯有______;当开关全部闭合时,能发光的灯是_________.11图3示的电路中,要使两灯泡串联,应该闭合开关_________;要使两灯泡并联,应该闭合开关_________.二、单项选择题(每题3分,共30分)1.两个物体不发生热传递现象,这表明它们之间一定具有相同的()A、温度B、热量C、质量D、比热容2、下列措施中为了加快蒸发的是()A.酒精灯不用时盖上灯帽B.将衣服晾在向阳、通风处C.用保鲜袋装蔬菜放入冰箱D.植树时剪除大量枝叶3、以下说法中,你认为最符合实际的是()A.人体的正常体温为35℃。B.仁怀盛夏中午室外温度可达33℃。C.冰箱冷冻室的温度约为5℃。D.仁怀的最低气温可达零下30℃。4、下列现象形成的过程中,吸收热量的一组是()图2图3图1①春天,冰雪融化汇成溪流②夏天,自来水管“出汗”③秋天,草丛上凝结出露珠④冬天,冰冻的衣服晾干A.①②B.②③c.③④D.①④5、如果一个验电器的两个金属箔片因带电张开,则这两个金属箔片一定()A、带同种电荷B、带负电荷C、带正电荷D、带异种电荷6、如图10所示的电路中,错误的电路图是()7、夏天,没有冰箱的农村家庭,为了防止饭菜变味儿,常把饭菜放入脸盆,再把脸盆浮在水缸中。以下说法正确的是()A、缸沙石材料制成比热小有散热作用B缸中水蒸发吸热缸温度降低C、水比热大,可吸收较多热量D、缸周围水蒸气在外壁液化吸热使缸内温度降低8、酒精的热值比煤油小,这表示()A.燃烧酒精比燃烧煤油放出的热量少B.燃烧的酒精比燃烧的煤油达到的温度低C.相同质量的酒精和煤油中,煤油含的热量多D.相同质量的煤油和酒精完全燃烧时,煤油放出的热量多9、一杯水,温度由30ºC加热到50ºC时吸收的热量为Q1,再由50ºC加热到70ºC时吸收的热量为Q2,Q1与Q的大小关系为()A、Q1>/Q2B、Q1=Q2C、Q1<Q1D、无法判断10质量相同的两球,已知甲球比热是乙球比热的2倍,乙球吸收的热量是甲球吸收热量的2倍,那么甲球升高的温度与乙球升高的温度之比为()A.1:2B、1:1C.2:1D、1:4三、简答题(4分)在下图4的装置中,当管内的水沸腾产生大量的水蒸气把软木塞冲出时,为什么试管内及试管口附近会出现雾状的小水珠?(注:将其中的能量改变方式和物态变化写清楚)图4四实验探究题(A、B、C每空2分其余每空1分,共19分)1.有四位同学为了研究温度升高时吸收热量的多少与哪些因素有关,做了如下的实验:在四个相同的烧杯中分别盛有水和煤油,用同样的加热器加热,下表是他们的实验记...

1、当您付费下载文档后,您只拥有了使用权限,并不意味着购买了版权,文档只能用于自身使用,不得用于其他商业用途(如 [转卖]进行直接盈利或[编辑后售卖]进行间接盈利)。
2、本站所有内容均由合作方或网友上传,本站不对文档的完整性、权威性及其观点立场正确性做任何保证或承诺!文档内容仅供研究参考,付费前请自行鉴别。
3、如文档内容存在违规,或者侵犯商业秘密、侵犯著作权等,请点击“违规举报”。

碎片内容

九年级物理上学期半期考试卷 上科版试卷

;绿洲书城+ 关注
实名认证
内容提供者

从事历史教学,热爱教育,高度负责。

确认删除?
VIP
微信客服
  • 扫码咨询
会员Q群
  • 会员专属群点击这里加入QQ群
客服邮箱
回到顶部