电脑桌面
添加小米粒文库到电脑桌面
安装后可以在桌面快捷访问

互换性与测量技术习题VIP免费

互换性与测量技术习题_第1页
1/17
互换性与测量技术习题_第2页
2/17
互换性与测量技术习题_第3页
3/17
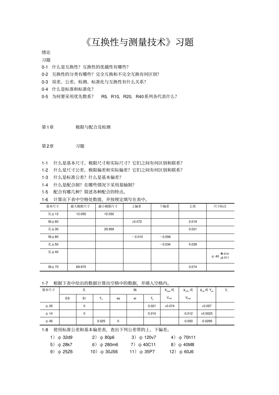
《互换性与测量技术》习题绪论习题0-1什么是互换性?互换性的优越性有哪些?0-2互换性的分类有哪些?完全互换和不完全互换有何区别?0-3误差、公差、检测、标准化与互换性有什么关系?0-4什么是标准和标准化?0-5为何要采用优先数系?R5、R10、R20、R40系列各代表什么?第1章极限与配合及检测第2章习题1-1什么是基本尺寸、极限尺寸和实际尺寸?它们之间有何区别和联系?1-2什么是尺寸公差、极限偏差和实际偏差?它们之间有何区别和联系?1-3什么是标准公差?什么是基本偏差?1-4什么是配合制?在哪些情况下采用基轴制?1-5配合有哪几种?简述各种配合的特点。1-6计算出下表中空格处数值,并按规定填写在表中。基本尺寸最大极限尺寸最小极限尺寸上偏差下偏差公差尺寸标注孔φ1212.05012.032轴φ60+0.0720.019孔φ3029.9590.021轴φ80-0.010-0.056孔φ50-0.0340.039孔φ40φ40014.0011.0轴φ7069.9700.0741-7根据下表中给出的数据计算出空格中的数据,并填入空格内。基本尺寸孔轴Xmax或YminXmin或YmaxXav或YavTfESEITheseiTsφ2500.021+0.074+0.057φ1400.010-0.012+0.0025φ450.0250-0.050-0.02951-8使用标准公差和基本偏差表,查出下列公差带的上、下偏差。1)φ32d92)φ80p63)φ120v74)φ70h115)φ28k76)φ280m67)φ40C118)φ40M89)φ25Z610)φ30JS611)φ35P712)φ60J61-9说明下列配合符号所表示的配合制,公差等级和配合类别(间隙配合、过渡配合或过盈配合),并查表计算其极限间隙或极限过盈,画出其尺寸公差带图.1)φ25H7/g62)φ40K7/h63)φ15JS8/g74)φ50S8/h81-10设有一基本尺寸为φ60mm的配合,经计算确定其间隙应为(25~110)μm;若已决定采用基孔制,试确定此配合的孔、轴公差带代号,并画出其尺寸公差带图。1-11设有一基本尺寸为φ110mm的配合,经计算确定,为保证连接可靠,其过盈不得小于55μm;为保证装配后不发生塑性变形,其过盈不得大于112μm。若已决定采用基轴制,试确定此配合的孔、轴公差带代号,并画出其尺寸公差带图。1-12被检验工件为φ80h9(0074.0)○E,试确定验收极限,并选择适当的计量器具。练习题一、判断题〔正确的打√,错误的打X〕1.公差可以说是允许零件尺寸的最大偏差。()2.基本尺寸不同的零件,只要它们的公差值相同,就可以说明它们的精度要求相同。()3.国家标准规定,孔只是指圆柱形的内表面。()4.图样标注mm的轴,加工得愈靠近基本尺寸就愈精确。()5.孔的基本偏差即下偏差,轴的基本偏差即上偏差。()6.某孔要求尺寸为,今测得其实际尺寸为φ19.962mm,可以判断该孔合格。()7.未注公差尺寸即对该尺寸无公差要求。()8.基本偏差决定公差带的位置。()9.单件小批生产的配合零件,可以实行”配作”,虽没有互换性,但仍是允许的。()10.图样标注的孔,可以判断该孔为基孔制的基准孔。()11.过渡配合可能具有间隙,也可能具有过盈,因此,过渡配合可能是间隙配合,也可能是过盈配合。()12.配合公差的数值愈小,则相互配合的孔、轴的公差等级愈高。()13.孔、轴配合为φ40H9/n9,可以判断是过渡配合。()14.配合H7/g6比H7/s6要紧。()15.孔、轴公差带的相对位置反映加工的难易程度。()二、选择题1.下列论述中正确的有__。A.因为有了大批量生产,所以才有零件互换性,因为有互换性生产才制定公差制.B.具有互换性的零件,其几何参数应是绝对准确的。C.在装配时,只要不需经过挑选就能装配,就称为有互换性。D.一个零件经过调整后再进行装配,检验合格,也称为具有互换性的生产。E.不完全互换不会降低使用性能,且经济效益较好。2.下列有关公差等级的论述中,正确的有__。A.公差等级高,则公差带宽。B.在满足使用要求的前提下,应尽量选用低的公差等级。C.公差等级的高低,影响公差带的大小,决定配合的精度。D.孔、轴相配合,均为同级配合。E.标准规定,标准公差分为18级。3.以下各组配合中,配合性质相同的有__。A.φ30H7/f6和φ30H8/p7B.φ30P8/h7和φ30H8/p7C.φ30M8/h7和φ30H8/m7D.φ30H8/m7和φ30H7/f6E.φ30H7/f6和30F7/h6。4.下列配合代...

1、当您付费下载文档后,您只拥有了使用权限,并不意味着购买了版权,文档只能用于自身使用,不得用于其他商业用途(如 [转卖]进行直接盈利或[编辑后售卖]进行间接盈利)。
2、本站所有内容均由合作方或网友上传,本站不对文档的完整性、权威性及其观点立场正确性做任何保证或承诺!文档内容仅供研究参考,付费前请自行鉴别。
3、如文档内容存在违规,或者侵犯商业秘密、侵犯著作权等,请点击“违规举报”。

碎片内容

互换性与测量技术习题

确认删除?
VIP
微信客服
  • 扫码咨询
会员Q群
  • 会员专属群点击这里加入QQ群
客服邮箱
回到顶部