电脑桌面
添加小米粒文库到电脑桌面
安装后可以在桌面快捷访问

力与运动的关系VIP免费

力与运动的关系_第1页
1/3
力与运动的关系_第2页
2/3
力与运动的关系_第3页
3/3
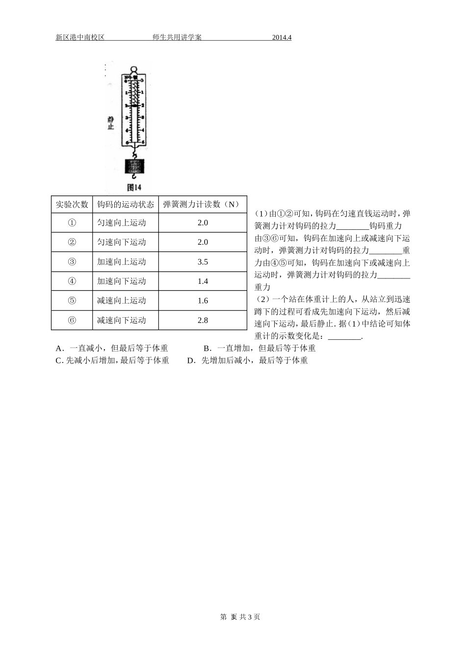
新区港中南校区师生共用讲学案2014.4§9-3力与运动的关系主备人:杨楠审核:八年级物理备课组班级:姓名:【教学目标】1.知道力能使物体发生形变或运动状态发生改变,物体不受力作用时运动状态不变2.知道物体受平衡力的作用时运动状态不变3.知道物体受非平衡力的作用时运动状态改变【知识结构】1.物体运动状态的改变包括的大小发生改变和运动的改变。运动状态改变的运动形式有:⑴________________;⑵_______________;⑶______________。2.力与运动的关系:受力情况不受力受平衡力受非平衡力合力情况合力______0合力______0运动情况运动状态是__________的运动状态运动状态是__________的【教学过程】1.分析P69图9-8力的作用效果使物体发生形变,还能使物体的发生改变。2.分析力和运动的关系:物体受力作用时将会发生形变和运动状态的改变,物体在平衡力作用下将会保持,非平衡力作用下将不受外力作用时将表现惯性。【例题分析】例题1、用绳子拉着一辆小车在光滑的水平面上运动,如果绳子突然断了,小车将……………()A、立即停止运动;B、做加速运动;C、按原来速度作匀速直线运动;D、做减速运动。例题2、机车牵引车厢的力是2×105N,列车匀速直线行驶,它受到的阻力2×105N;列车的速度在增大,它受到的阻力2×105N;列车的速度在减小,它受到的阻力2×105N。例题3、下列说法中正确的是()A、物体受到平衡力的作用时,一定处于静止状态B、物体受到平衡力的作用时,一定处于匀速直线运动状态C、列车正在做加速运动,它受到的一定不是平衡力D、物体处于静止状态时,一定没有受到力的作用例题4、下列说法正确的是()A.物体不受力,一定静止B.作用在运动物体的力一定不平衡C.物体受到力的作用,速度大小一定改变D.物体运动方向发生改变,则一定受到力的作用第页共3页1新区港中南校区师生共用讲学案2014.4【课堂检测】1.在平直的路面上行驶的汽车,关闭发动机后仍能向前滑动,这是因为汽车具有,滑行一段距离后,汽车会停下来,这是因为。2.有一位同学用10N的水平推力推着重50N的物体在粗糙的水平面上作匀速直线运动,则物体受到的阻力是N;若撤去推力,物体将做运动。3、用2牛的水平拉力拉重8牛的小车,在水平地面上匀速行驶,这小车受到的摩擦力的大小为__,若拉力增大到4牛,其它条件不变,小车皮时受到的摩擦力的大小为__。4、起重机吊着一个物体匀速上升和匀速下降,拉力分别为F1、F2,比较F1和F2,有F1F2这两种状态都是状态。5.下列各物体中,运动状态未发生变化的是…………………………………………()A、环绕地球运动的人造卫星B、正在出站的火车C、在草地上滚动的小球D、匀速直线降落的跳伞运动员6.一个物体正在做圆周运动,设想它受到的一切外力都同时消失了,它将………()A、立即停止B、由于惯性仍做圆周运动C、渐渐停止D、由于惯性做匀速直线运动7.如图所示,重为20N的木块A放在水平桌面上,当B物体重2N时,木块A处于静止状态,此时木块A受到的摩擦力为_______N;当物体B的重力增加为3N时,A匀速向右运动;当B与地面接触后,木块A由于_______,要继续向右运动,此时它受到的摩擦力为________N;如果木块B重力为3N时,且没有触地时,要使A匀速向左运动,则需要加一个方向为__________,大小为_________N的拉力。8、某同学通过实验研究物体受力情况与运动状态之间的关系,他在弹簧测力计下悬挂一个2N的钩码.钩码的运动状态与测力计的读数记录如下表所示:第页共3页2新区港中南校区师生共用讲学案2014.4(1)由①②可知,钩码在匀速直钱运动时,弹簧测力计对钩码的拉力________钩码重力由③⑥可知,钩码在加速向上或减速向下运动时,弹簧测力计对钩码的拉力________重力由④⑤可知,钩码在加速向下或减速向上运动时,弹簧测力计对钩码的拉力________重力(2)一个站在体重计上的人,从站立到迅速蹲下的过程可看成先加速向下运动,然后减速向下运动,最后静止.据(1)中结论可知体重计的示数变化是:________.A.一直减小,但最后等于体重B.一直增加,但最后等于体重C.先减小后增加,最后等于体重D.先增加后减小,最后等于体重第页共3页实验次数...

1、当您付费下载文档后,您只拥有了使用权限,并不意味着购买了版权,文档只能用于自身使用,不得用于其他商业用途(如 [转卖]进行直接盈利或[编辑后售卖]进行间接盈利)。
2、本站所有内容均由合作方或网友上传,本站不对文档的完整性、权威性及其观点立场正确性做任何保证或承诺!文档内容仅供研究参考,付费前请自行鉴别。
3、如文档内容存在违规,或者侵犯商业秘密、侵犯著作权等,请点击“违规举报”。

碎片内容

力与运动的关系

确认删除?
VIP
微信客服
  • 扫码咨询
会员Q群
  • 会员专属群点击这里加入QQ群
客服邮箱
回到顶部