电脑桌面
添加小米粒文库到电脑桌面
安装后可以在桌面快捷访问

质检员岗位职责VIP免费

质检员岗位职责_第1页
1/1
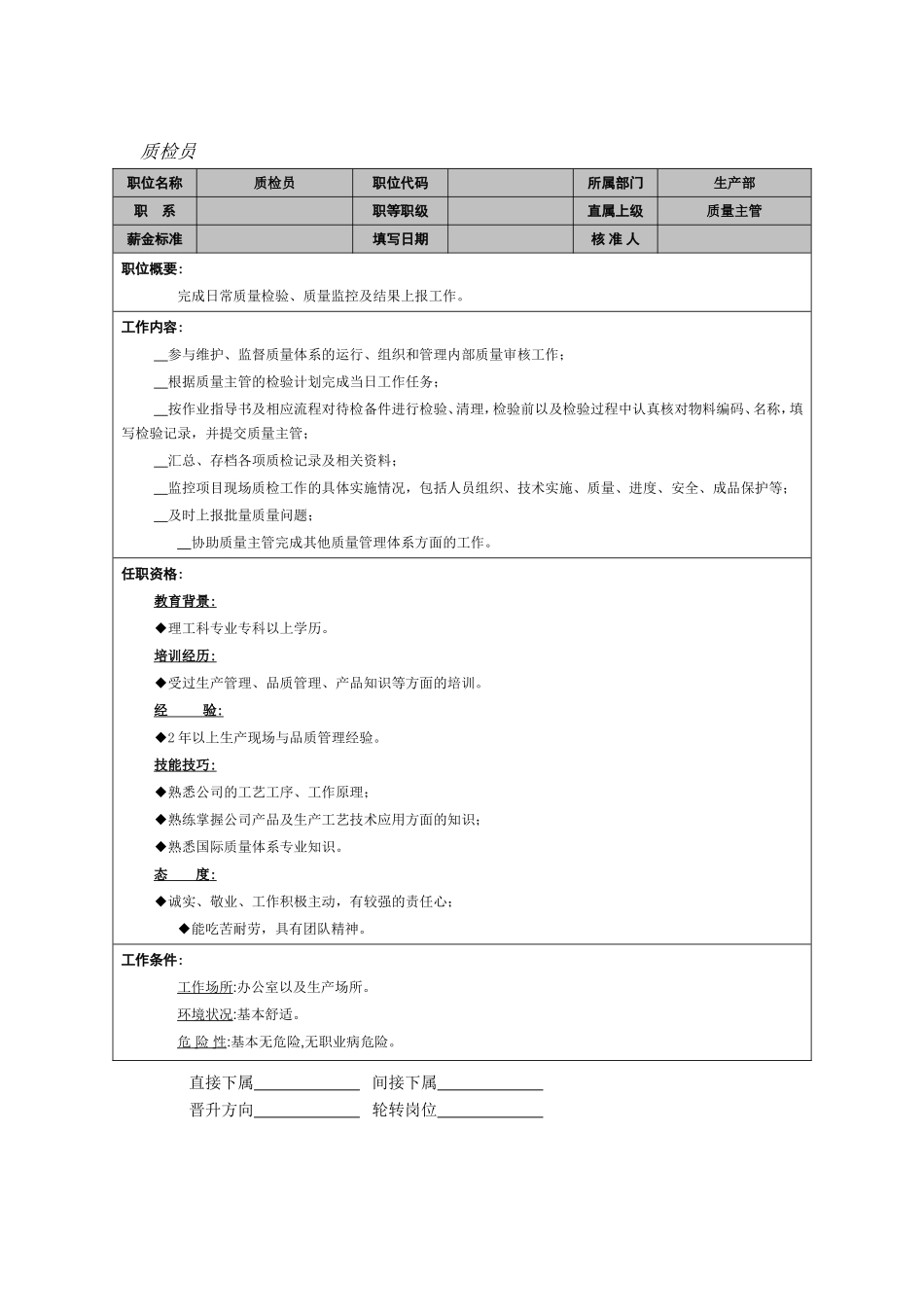
质检员职位名称质检员职位代码所属部门生产部职 系职等职级直属上级质量主管薪金标准填写日期核 准 人职位概要:完成日常质量检验、质量监控及结果上报工作。工作内容: 参与维护、监督质量体系的运行、组织和管理内部质量审核工作; 根据质量主管的检验计划完成当日工作任务; 按作业指导书及相应流程对待检备件进行检验、清理,检验前以及检验过程中认真核对物料编码、名称,填写检验记录,并提交质量主管; 汇总、存档各项质检记录及相关资料; 监控项目现场质检工作的具体实施情况,包括人员组织、技术实施、质量、进度、安全、成品保护等; 及时上报批量质量问题; 协助质量主管完成其他质量管理体系方面的工作。任职资格:教育背景 : ◆理工科专业专科以上学历。培训经历 : ◆受过生产管理、品质管理、产品知识等方面的培训。经 验 : ◆2 年以上生产现场与品质管理经验。技能技巧 : ◆熟悉公司的工艺工序、工作原理;◆熟练掌握公司产品及生产工艺技术应用方面的知识;◆熟悉国际质量体系专业知识。态 度 : ◆诚实、敬业、工作积极主动,有较强的责任心;◆能吃苦耐劳,具有团队精神。工作条件:工作场所:办公室以及生产场所。环境状况:基本舒适。危 险 性 :基本无危险,无职业病危险。直接下属 间接下属 晋升方向 轮转岗位

1、当您付费下载文档后,您只拥有了使用权限,并不意味着购买了版权,文档只能用于自身使用,不得用于其他商业用途(如 [转卖]进行直接盈利或[编辑后售卖]进行间接盈利)。
2、本站所有内容均由合作方或网友上传,本站不对文档的完整性、权威性及其观点立场正确性做任何保证或承诺!文档内容仅供研究参考,付费前请自行鉴别。
3、如文档内容存在违规,或者侵犯商业秘密、侵犯著作权等,请点击“违规举报”。

碎片内容

质检员岗位职责

确认删除?
VIP
微信客服
  • 扫码咨询
会员Q群
  • 会员专属群点击这里加入QQ群
客服邮箱
回到顶部