电脑桌面
添加小米粒文库到电脑桌面
安装后可以在桌面快捷访问

pcb排版和制造工艺性规范VIP免费

pcb排版和制造工艺性规范_第1页
1/30
pcb排版和制造工艺性规范_第2页
2/30
pcb排版和制造工艺性规范_第3页
3/30
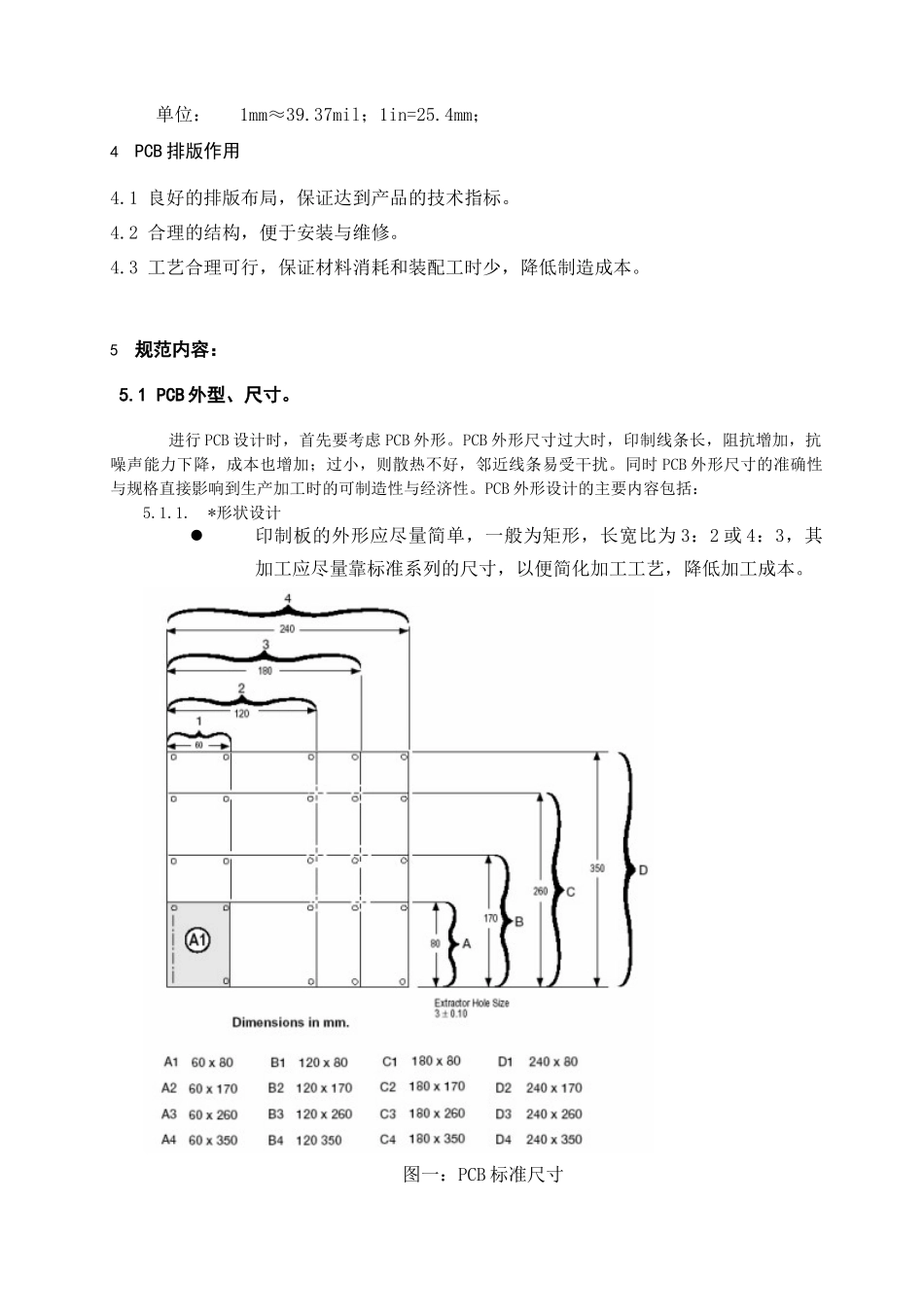
PCB 设计和制造工艺规范1 范围本规范规定了网络科技有限责任公司 PCB 设计和制造过程中的工艺要求。本规范适用于网络科技有限责任公司内部印制电路工艺设计制造。2 规范性引用文件下列文件中的条款通过本标准的引用而成为本标准的条款。凡是注日期的引用文件 ,其随后所有的修改单(不包括勘误的内容)或修订版均不适用于本标准,然而,鼓励根据本标准达成协议的各方研究是否可使用这些文件的最新版本。凡是不注日期的引用文件,其最新版本适用于本标准。GB/1360-78 《印制电路网格》QB/JU103.1 《企业技术标准编写规定》QG/JU02.497-97 《工艺工作管理的暂行规定》QB/JU48-93 《专用工艺规程编制方法》QB/JU50.23.002-2007 《电视类产品 PCB 设计和制造技术规范》IPC-SM-782A 《SMT 焊盘设计标准》本标准中强制标准使用宋体加粗表示,带“*”为推荐标准。3 定义导通孔(via): 一种用于内层连接的金属化孔,但其中并不用于插入元件引线,或其它增强材料。盲孔(Blind.Via) :从印制板内仅延伸到一个表层的导通孔。埋孔(Buride.Via):未延伸到印制板表面的导通孔。过孔(Through.Via):从印制板的一个表层延展到另一个表层的导通孔。元件孔(Component hole):用于元件端子固定于印制板及导电图形联接的孔。Stand off:表面贴装器件本体底部到引脚底部的垂直距离如图例中的 A1。单位: 1mm≈39.37mil;1in=25.4mm;4 PCB 排版作用4.1 良好的排版布局,保证达到产品的技术指标。4.2 合理的结构,便于安装与维修。4.3 工艺合理可行,保证材料消耗和装配工时少,降低制造成本。5 规范内容:5.1 PCB 外型、尺寸。 进行 PCB 设计时,首先要考虑 PCB 外形。PCB 外形尺寸过大时,印制线条长,阻抗增加,抗噪声能力下降,成本也增加;过小,则散热不好,邻近线条易受干扰。同时 PCB 外形尺寸的准确性与规格直接影响到生产加工时的可制造性与经济性。PCB 外形设计的主要内容包括:5.1.1.*形状设计印制板的外形应尽量简单,一般为矩形,长宽比为 3:2 或 4:3,其加工应尽量靠标准系列的尺寸,以便简化加工工艺,降低加工成本。图一:PCB 标准尺寸5.1.2.PCB 的最小加工尺寸 50mm*50mm;小于该尺寸的必须拼版。5.1.3.PCB 的板角应为 R 型倒角为方便单板加工,不拼板的单板板角应为 R 型倒角,对于有工艺边和拼板的单板,工艺边应为 R 型倒角,一般圆角直径为Φ5,小板可适当调整。5.1.4.不规则的...

1、当您付费下载文档后,您只拥有了使用权限,并不意味着购买了版权,文档只能用于自身使用,不得用于其他商业用途(如 [转卖]进行直接盈利或[编辑后售卖]进行间接盈利)。
2、本站所有内容均由合作方或网友上传,本站不对文档的完整性、权威性及其观点立场正确性做任何保证或承诺!文档内容仅供研究参考,付费前请自行鉴别。
3、如文档内容存在违规,或者侵犯商业秘密、侵犯著作权等,请点击“违规举报”。

碎片内容

pcb排版和制造工艺性规范

黄金阁书苑+ 关注
实名认证
内容提供者

热爱教学事业,对互联网知识分享很感兴趣

确认删除?
VIP
微信客服
  • 扫码咨询
会员Q群
  • 会员专属群点击这里加入QQ群
客服邮箱
回到顶部